Вернуться на главную
Поиск
Каталоги запчастей к технике
Спецтехника
ВЭКС
ЭО-5221
Рама хода
Каталог запасных частей к технике: ВЭКС ЭО-5221. Рама хода
zoom-in
zoom-out
enlarge
shrink
circle-right
circle-left
file-text2
info
cart
Тип техники
Не выбрано
Легковые автомобили
Грузовые автомобили и прицепы
Автобусы
Сельхозтехника
Спецтехника
Двигатели
Мототехника
Марка
Не выбрано
Ammann
BOMAG
CARMIX
CASE IH
Changlin
ChengGong
Dimex
Doosan
DYNAPAC
Foton
HAMM
Hidromek
Hitachi
Hyundai
JCB
JLG
John Deere
Komatsu
LIEBHERR
LiuGong
Lonking (LongGong)
Luneng
MANITOU
Mitsuber
New Holland
PENGPU
RM-Terex
SANY
SDLG
SEM
Shantui
Shehwa HBXG
Soosan
TIGARBO
VOGELE
Volvo
WAY
WIRTGEN
XCMG
XGMA
Xiamen
YTO
Yuchai
Zoomlion
Автокран
АЗСМ
Алтайлесмаш
Амкодор
АОМЗ
Атек
АТЗ
Балканкар Рекорд
БелАЗ
Беловеж
Борекс
Брянский Арсенал
Булат
ВЭКС
ГАЗ
Геомаш
Гидромаш
Донекс
Дормаш
Дормашина
Дорэлектромаш
ДЭЗ
ЕлАЗ
ЗЗГТ
Ижнефтемаш
Канаш-электрокар
КЗКТ
ККЗ
Клевер
Клинцовский автокрановый завод
КМЗ
КМЗ 1 Мая
Ковровец
Коммаш
Кранэкс
КЭЗ
КЭМЗ
ЛЗА
МАЗ
МЗИК
МЗКМ
МЗКТ
Михневский РМЗ
МоАЗ
Мозырский МЗ
МТЗ
ОЗП
Онежец
ПАО "ТЗА"
ППС Детва
Промтрактор
ПТЗ
Раскат
СпецАгрегат
ТВЭКС
ТТМ
УВЗ
Угличмаш
УЗТМ
ХТЗ
ЧЗКМ
ЧСДМ
ЧТЗ
ЭКСКО
ЭКСМАШ
ЮрМаш
Модель
Не выбрано
ЭО-5122
ЭО-5124
ЭО-5221 (2009)
ЭО-5225 (2009)
ЭО-6123 (2000)
Схема
>
Не выбрано
Установка кабины машиниста (Лист 1)
Установка кабины машиниста (Лист 2)
Установка отопителя
Установка капотов
Установка силовая
Трубопроводы всасывающие
Трубопроводы всасывающие
Управление дизелем
Установка насосов (Лист 1)
Установка насосов (Лист 2)
Насос
Насос
Установка насосов (Лист 1)
Установка насосов (Лист 2)
Насос
Муфта сцепления
Установка подогревателя
Установка дизеля и насосов
Установка маслоохлаждения
Вентилятор
Трубопроводы отопителя
Система топливная
Установка радиаторов
Шторка радиаторов
Система выхлопа
Гидроцилиндр
Тележка гусеничная
Рама хода
Привод гусеничный левый (правый)
Ограждение привода гусеницы
Гусеница
Цепь гусеничная
Колесо натяжное с механизмом сдавания
Колесо натяжное
Механизм сдавания
Гидроцилиндр
ЭКаток поддерживающий
Трубопроводы гусеничной тележки
Редуктор
Водило
Водило
Водило
Тормоз
Каток опорный
Платформа
Установка ограждения
Противовес
Привод поворота
Редуктор
Водило
Тормоз
Редуктор
Управление
Пульт-кресло
Рычаги управления
Гидрооборудование кабины
Блок клапанов
Трубопроводы управления (Лист 1)
Трубопроводы управления (Лист 2)
Золотник сливной
Золотник блокировочный
Коллектор
Трубопроводы управления
Блок золотников
Блок золотников
Установка рычага безопасности
Клапан
Трубопроводы управления стрелой
Трубопроводы управления на платформе
Трубопроводы управления насосов
Блок золотников
Установка реле давления
Пневмогидроаккумулятор
Гидроаппарат гидроцилиндров
Установка блока баков
Гидрозатвор
Установка датчика уровня
Гидроаппарат регулирующий
Гидроаппарат гидромоторов
Клапан обратный
Трубопроводы наплатформе
Золотник
Золотник тормозной
Установка насосов
Установка гидроаппарата
Трубопроводы сливные
Электрооборудование
Установка аккумуляторов
Электорооборудование кабины
Проводка
Проводка кабины
Щиток подогревателя
Щиток управления
Установка удлиненной рукояти обратной лопаты
Трубопроводы рабочего оборудования
Гидроцилиндр
Гидроцилиндр
Установка рукояти обратной лопаты
Гидроцилиндр
Трубопроводы рабочего оборудования
Установка рукояти прямой лопаты
Ковш емкостью 2 м. куб
Ковш емкостью 1,6 м. куб
Трубопроводы рабочего оборудования
Установка стрелы
Стрела
Трубопроводы стрелы
Трубопроводы смазки
Установка моноблочной стрелы
Стрела моноблочная
Трубопроводы моноблочной стрелы
Экскаватор одноковшовый ЭО-5221
Экскаватор одноковшовый ЭО-5221. Прямая лопата с ковшом емкостью 2.0
Экскаватор одноковшовый ЭО-5221. Обратная лопата с ковшом емкостью 1,6
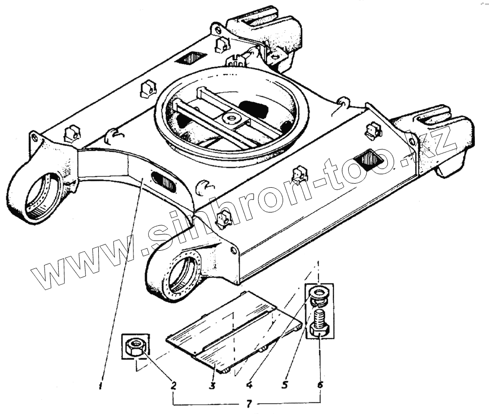
1
2
3
4
5
6
7
Позиция на иллюстрации
Заводской номер детали
Название детали
1
ЭО-5221.01.01.000-4
Рама хода
2
5915.16
Гайка
3
ЭО-5221.01.01.401
Крышка
4
11371.16
Шайба
5
6402.16
Шайба
6
7798.16.30
Болт
7
ЭО-5221.01.01.400
Установка ограждения
Содержащиеся в справочниках-каталогах запасные части и детали не предлагаются к продаже, а носят исключительно информационный характер
Дополнительная информация
×
Название:
Номер:
Примечание: