Каталог запасных частей к технике: ВЭКС ЭО-5221. Платформа
1
1
2
2
3
4
5
6
7
8
9
10
10
11
11
12
13
14
15
16
17
17
18
18
19
20
21
22
23
24
25
26
27
28
29
30
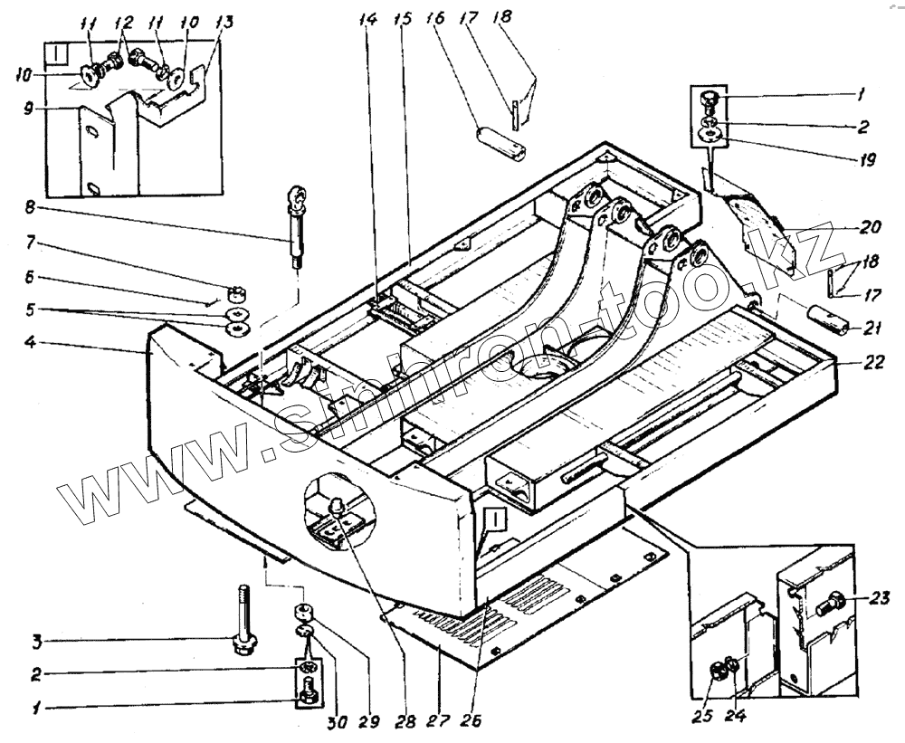
| Позиция на иллюстрации | Заводской номер детали | Название детали | |
|---|---|---|---|
| 1 | 7798.10.16 | Болт | |
| 2 | 6402.10 | Шайба | |
| 3 | ЭО-5122.02.00.011-2 | Болг | |
| 4 | ЭО-5221.02.00.800 | Противовес | |
| 5 | 035.40.2,5 | Шайба | |
| 6 | 397.8.80 | Шплинт | |
| 7 | 5918.42 | Гайка | |
| 8 | ЭО-5221.02.00.300 | Тяга | |
| 9 | ЭО-5221.02.00.007 | Компенсатор | |
| 10 | 11371.16 | Шайба | |
| 11 | 6402.16 | Шайба | |
| 12 | 7798.16.30 | Болт | |
| 13 | ЭО-5122.02.00.023-1 | Уголок | |
| 14 | ЭО-5221.02.05.000 | Рама | |
| 15 | ЭО-5221.02.03.000 | Балкон левый | |
| 16 | ЭО-5221.02.00.004 | Ось | |
| 17 | ЭО-6121.13.00.015 | Палец | |
| 18 | 397.5.71 | Шплинт | |
| 19 | 11371.10 | Шайба | |
| 20 | ЭО-5221.02.00.200 | Капот | |
| 21 | ЭО-5221.02.00.003 | Ось | |
| 22 | ЭО-5221.02.02.000 | Балкон правый | |
| 23 | 7798.12.30 | Болт | |
| 24 | 6402.12 | Шайба | |
| 25 | 5915.12 | Гайка | |
| 26 | ЭО-5221.02.00.100 | Кронштейн | |
| 27 | ЭО-5221.02.00.700-2 | Установка ограждений | |
| 28 | ЭО-5122.02.00.013-2 | Штифт | |
| 29 | ЭО-6121.02.00.003 | Гайка | |
| 30 | ЭО-5221.02.00.008 | Шайба |
Содержащиеся в справочниках-каталогах запасные части и детали не предлагаются к продаже, а носят исключительно информационный характер