Каталог запасных частей к технике: ВЭКС ЭО-5221. Гидрооборудование кабины
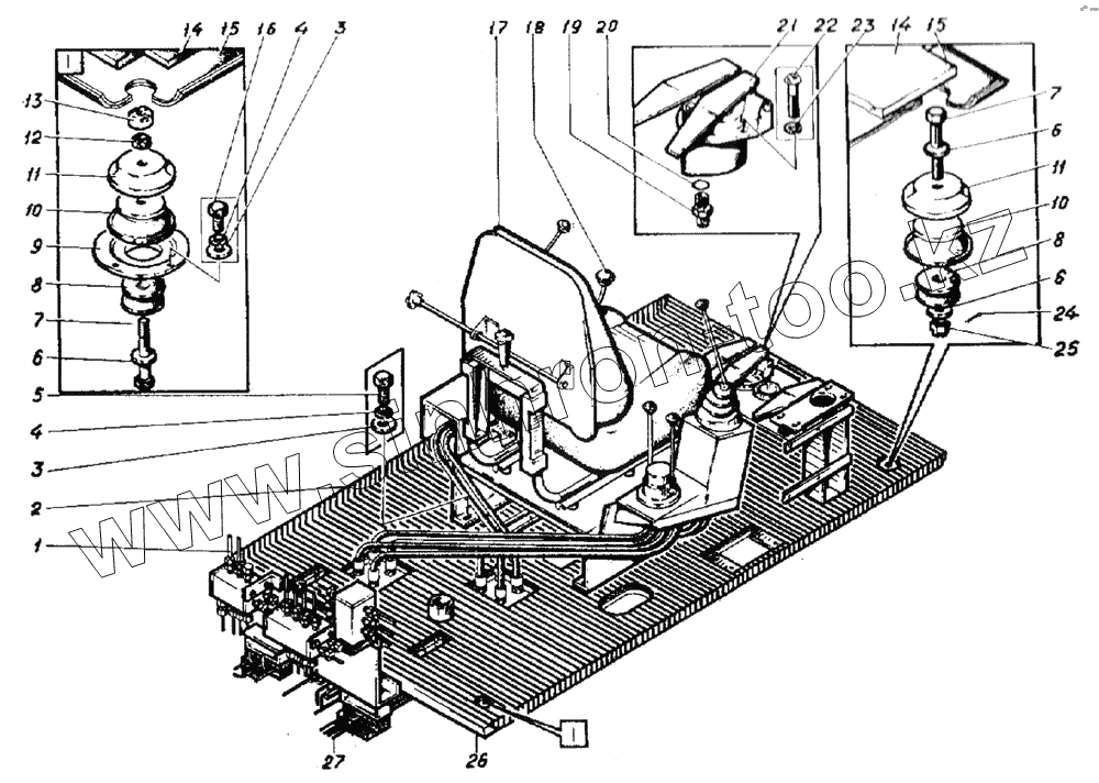
1
2
3
4
5
6
6
6
7
7
8
8
9
10
10
11
11
12
13
13
14
14
14
15
15
16
17
18
19
20
21
22
23
24
25
26
27
| Позиция на иллюстрации | Заводской номер детали | Название детали | |
|---|---|---|---|
| 1 | ЭО-5221.04.18.000-1 | Трубопроводы управления | |
| 2 | ЭО-5221.04.08.008 | Резиновый коврик | |
| 3 | 11371.10 | Шайба | |
| 4 | 6402.10 | Шайба | |
| 5 | 7798.10.25 | Болт | |
| 6 | 11371.16 | Шайба | |
| 7 | ЭО-5221.04.08.004 | Болт | |
| 8 | 30-5221.04.08.120 | Подушка нижняя | |
| 9 | ЭО-5221.04.08.006 | Крышка | |
| 10 | ЭО-5221.04.08.130 | Виброизолятор | |
| 11 | ЭО-5221.04.08.003 | Обойма | |
| 12 | 5916.16 | Гайка | |
| 13 | ЭО-5221.04.08.005 | Гайка | |
| 14 | ЭО-5221.04.08.002 | Прокладочный коврик | |
| 15 | ЭО-5221.04.08.001 | Дорожка | |
| 16 | 7798.10.20 | Болт | |
| 17 | ЭО-5221.04.01.000 | Пульт-кресло | |
| 18 | ЭО-5221.04.39.000 | Установка рычага безопасности | |
| 19 | ЭО-5122.04.11.005 | Штуцер | |
| 20 | 9833.012.016.25 | Кольцо | |
| 21 | 60620А | Блох управления | |
| 22 | 17473.6.30 | Винт | |
| 23 | 6402.6 | Шайба | |
| 24 | 397.4.36 | Шплинт | |
| 25 | 5918.16 | Гайка | |
| 26 | ЭО-5221.04.08.100 | Основание | |
| 27 | ЭО-5221.04.17.000 | Трубопроводы управления |
Содержащиеся в справочниках-каталогах запасные части и детали не предлагаются к продаже, а носят исключительно информационный характер