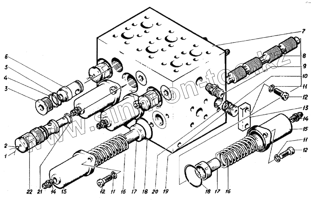
Каталог запасных частей к технике: ВЭКС ЭО-5221. Гидроаппарат гидромоторов
1
2
3
4
5
6
7
8
9
10
11
11
11
12
12
12
13
14
14
15
15
16
16
17
17
18
18
19
20
21
22
| Позиция на иллюстрации | Заводской номер детали | Название детали | |
|---|---|---|---|
| 1 | 3282.1 | Проволока | |
| 2 | 18677.6.8 | Пломба | |
| 3 | ЭО-5122.09.11.005-1 | Гайка | |
| 4 | 114.32.40 | Кольцо | |
| 5 | 9833.032.040.46 | Кольцо | |
| 6 | 530.25.00 | Гидроклапан обратный | |
| 7 | ЭО-5122.09.11.100-6 | Корпус | |
| 8 | ЭО-5122.06.09.001-2 | Золотник | |
| 9 | ЭО-5122.05.25.014 | Штуцер | |
| 10 | ЭО-5122.06.09.015 | Пробка | |
| 11 | 6402.12 | Шайба | |
| 12 | 11738.12.35 | Винт | |
| 13 | ЭО-5122.06.09.014-1 | Планка | |
| 14 | ЭО-5122.05.25.013 | Штуцер К1/4 | |
| 15 | ЭО-512106.09.018-2 | Крышка | |
| 16 | ЭО-5122.09.11.007 | Пружина | |
| 17 | ЭО-5122.06.09.023-1 | Втулка | |
| 18 | 9833.065.070.30 | Кольцо | |
| 19 | 114.24.30 | Кольцо | |
| 20 | 9833.024.030.36 | Кольцо | |
| 21 | ЭО-5122.06.09.019-2 | Прокладка | |
| 22 | У462.817 | Гидроклапан предохранительный |
Содержащиеся в справочниках-каталогах запасные части и детали не предлагаются к продаже, а носят исключительно информационный характер