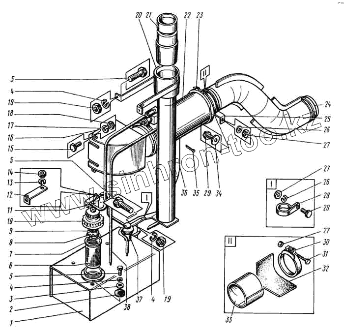
Каталог запасных частей к технике: ВЭКС ЭО-5124. Установка отопителя
1
2
3
4
4
4
5
5
5
6
7
8
9
10
11
12
13
14
15
16
17
18
19
19
20
21
22
23
24
25
26
26
27
27
27
28
29
29
30
31
32
33
34
35
36
37
38
| Позиция на иллюстрации | Заводской номер детали | Название детали | |
|---|---|---|---|
| 1 | ЭО-5124.04.13.100 | Бак | |
| 2 | ЭО-5124.10.17.003 | Прокладка | |
| 3 | 11371.10 | Шайба | |
| 4 | 6402.10 | Шайба | |
| 5 | 2154505 | Болт | |
| 6 | 211-38-7 | Фильтр заливной | |
| 7 | 111В-4Б-15 | Кольцо пружинное | |
| 8 | 111В-4Б-13 | Диск | |
| 9 | 111В-4Б-14 | Канитель | |
| 10 | ЭО-5122.07.00.500 | Крышка | |
| 11 | 30 | Бензоотстойник | |
| 12 | ЭО-5124.04.13.003 | Кронштейн | |
| 13 | 6402.5 | Шайба | |
| 14 | 5916.5 | Гайка | |
| 15 | 7798.6.16 | Болт | |
| 16 | ЭО-5124.04.13.300 | Кожух | |
| 17 | 6402.6 | Шайба | |
| 18 | 5915.6 | Гайка | |
| 19 | 5915.10 | Гайка | |
| 20 | ЭО-5124.04.13.400 | Труба | |
| 21 | ЭО-5124.04.13.500 | Труба | |
| 22 | 30 | Бензоотстойник | |
| 23 | ЭО-5122АХЛ.80.04.170 | Хомут | |
| 24 | ЭО-5124.04.13.200 | Труба | |
| 25 | ЭО-5124.04.13.002 | Кронштейн | |
| 26 | 6402,8 | Шайба | |
| 27 | 5915.8 | Гайка | |
| 28 | 17679.45.16.11 | Хомут | |
| 29 | 77988.25 | Болт | |
| 30 | 102.120 | Хомут | |
| 31 | 7798.8.60 | Болт | |
| 32 | 2850.1.3 | Картон асбестовый | |
| 33 | ЭО-5122АХЛ.80.04.101 | Муфта | |
| 34 | 11371.8 | Шайба | |
| 35 | 397.6,3.60 | Шплинт | |
| 36 | ЭО-5124.04.13.001 | Трубка | |
| 37 | 30 | Бензоотстойник | |
| 38 | 38.053.6.12.05 | Рукав-деталь |
Содержащиеся в справочниках-каталогах запасные части и детали не предлагаются к продаже, а носят исключительно информационный характер