Каталог запасных частей к технике: ВЭКС ЭО-5124. Установка кабины машиниста
1
2
3
4
5
6
6
6
7
7
7
7
8
9
10
11
11
11
11
12
12
12
12
13
14
15
16
17
18
19
20
20
21
22
23
24
25
25
25
26
27
28
28
29
30
31
32
33
34
35
36
37
37
38
39
40
41
42
43
44
45
46
47
48
49
50
51
52
53
54
55
56
57
58
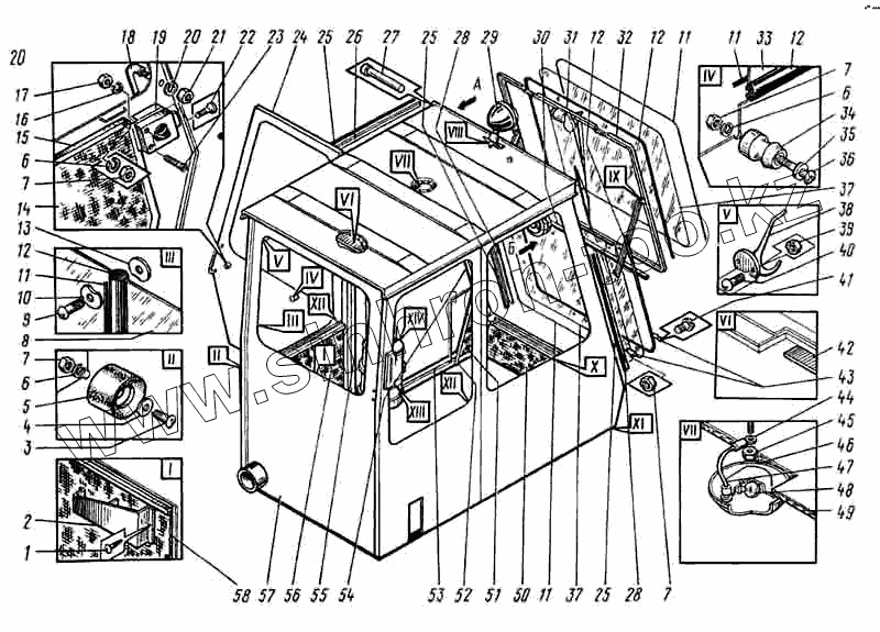
| Позиция на иллюстрации | Заводской номер детали | Название детали | |
|---|---|---|---|
| 1 | 1144.4.16 | Шуруп | |
| 2 | ЭО-5122.08.09.000-1 | Аптечка | |
| 3 | 17473.6.20 | Винт | |
| 4 | 312Г-16Г-39 | Шайба | |
| 5 | ЭО-5122.08.03.022 | Наконечник | |
| 6 | 6402.6 | Шайба | |
| 7 | 5915.6 | Гайка | |
| 8 | ЭО-5122.08.00.019 | Стекло | |
| 9 | 17473.5.25 | Винт | |
| 10 | ЭО-5122.08.00.023 | Скобочка | |
| 11 | 009. НТ8 | Вкладыш L =14500 мм | |
| 12 | 009.НТ9 | Уплотнитель стекла L =14500 мм | |
| 13 | ЭО-5122.08.00.024 | Скобочка | |
| 14 | ЭО-5122.08.00.150-3 | Панель | |
| 15 | ЭО-5122.08.19.200 | Рамка | |
| 16 | 6402.4 | Шайба | |
| 17 | 5916.4 | Гайка | |
| 18 | ЭО-5122.08.00.026 | Ручка | |
| 19 | 5089.3Н1А | Замок накладной цилиндровый | |
| 20 | 6402.8 | Шайба | |
| 21 | 5915.8 | Гайка | |
| 22 | 17475.4.12 | Винт | |
| 23 | 17475.4.35 | Винт | |
| 24 | ЭО-5122.08.19.000-2 | Дверь | |
| 25 | ЭО-5122.08.00.022 | Профиль резиновый L=7,5 м | |
| 26 | ЭО-5122.08.03.003-1 | Прижим | |
| 27 | ЭО-5122.08.19.005 | Ось | |
| 28 | ЭО-5122.08.03.006-1 | Прижим | |
| 29 | 30.3711 | Фара | |
| 30 | ЭО-5122.08.03.014 | Уплотнение | |
| 31 | 1899.СП.135 | Стеклоочиститель | |
| 32 | ЭО-5122.08.20.000 | Окно откидное | |
| 33 | ЭО-5122.08.00.018-1 | Стекло | |
| 34 | ЭО-5122.08.03.021 | Обойма | |
| 35 | 11371.6 | Шайба | |
| 36 | Т7473.6.40 | Винт | |
| 37 | ЭО-5122.08.00.016 | Стекло | |
| 38 | НП-16-7 | Крючок | |
| 39 | 5916.3 | Гайка | |
| 40 | 17473.3.10 | Винт | |
| 41 | 17473.6.12 | Винт | |
| 42 | ЭО-5122.08.00.025 | Планка | |
| 43 | 110А-10-24А | Скоба | |
| 44 | 015.1.1,5 | Наконечник | |
| 45 | 5916.5 | Гайка | |
| 46 | ПК 2 01-А | Плафон | |
| 47 | 6323.ПВ3.1,5 | Провод L =2,57 м | |
| 48 | А24-3 | Лампа | |
| 49 | ЭО-5122.08.00.160-1 | Панель | |
| 50 | ЭО-5122.08.00.170-2 | Панель | |
| 51 | ЭО-5122.08.00.180-1 | Панель | |
| 52 | ЭО-5122.08.03.005-1 | Прижим | |
| 53 | ЭО-5122.08.03.001-1 | Прижим | |
| 54 | ЭО-5122.08.03.004-1 | Прижим | |
| 55 | ЭО-5122.08.03.002-1 | Прижим | |
| 56 | ЭО-5122.08.00.1ЭО-1 | Панель | |
| 57 | ЭО-5122.08.03.000 | Корпус кабины | |
| 58 | ЭО-5122,08.00.140-1 | Панель | |
| 59 | ЭО-5122.08.00.120-1 | Панель | |
| 60 | ЭО-5122.08.00.017-1 | Стекло | |
| 61 | 17473.5.12 | Винт | |
| 62 | 526-81.042.10 | Вентилятор | |
| 63 | 6402.5 | Шайба | |
| 64 | 11371.10 | Шайба | |
| 66 | 114Д-0-18 | Корпус амортизатора | |
| 66 | 114Д-0-25 | Амортизатор | |
| 67 | ЭО-5122.08.10.100-1 | Козырек солнцезащитный | |
| 68 | 11371.8 | Шайба | |
| 69 | 08Б-082 | Гайка-барашек | |
| 70 | ЭО-5122.08.20.001 | Планка | |
| 71 | 7798.10.35 | Болт | |
| 72 | 6402.10 | Шайба | |
| 73 | ЭО-5122.08.00.036 | Прокладка | |
| 74 | ЭО-5122.08.00.032 | Прокладка | |
| 75 | ЭО-5122.08.11.000-1 | Термос | |
| 76 | 11154.0УБ.3 | Огнетушитель | |
| 77 | 7798.8.16 | Болт | |
| 78 | ЭО-5122.08.00.110-1 | Панель |
Содержащиеся в справочниках-каталогах запасные части и детали не предлагаются к продаже, а носят исключительно информационный характер