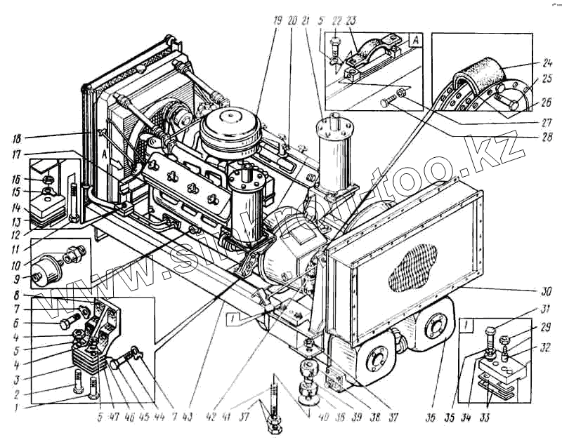
Каталог запасных частей к технике: ВЭКС ЭО-5124. Установка дизеля и насосов
1
2
3
4
4
5
5
5
6
7
7
8
9
10
11
12
13
14
15
16
17
18
19
20
21
22
23
24
25
26
27
28
29
30
31
32
33
34
35
36
37
37
38
38
39
40
41
42
43
44
45
46
47
| Позиция на иллюстрации | Заводской номер детали | Название детали | |
|---|---|---|---|
| 1 | 7798.16.70 | Болт | |
| 2 | ЭО-5122.11.20.003-1 | Болт | |
| 3 | 111Г-1-19 | Прокладка | |
| 4 | 5915.16 | Гайка | |
| 5 | 13463.16 | Шайба | |
| 6 | 7798.14.55 | Болт | |
| 7 | 13463.14 | Шайба | |
| 8 | 111Г-1-15Б | Кронштейн | |
| 9 | МН355 | Датчик указателя давления масла | |
| 10 | П1Г-1-31 | Переходник | |
| 11 | 7798.20.160 | Болт | |
| 12 | 111Г-1-17 | Прокладка | |
| 13 | 111Г-1-16 | Прокладка | |
| 14 | 111Г-1-9А | Прокладка | |
| 15 | 13463.20 | Шайба | |
| 16 | 5915.20 | Гайка | |
| 17 | ЭО-5122.11.20.100 | Балка передняя | |
| 18 | ЭО-5122.11.22.000-3 | Установка радиаторов | |
| 19 | ЯМЗ-238Г | Дизель | |
| 20 | ТМ100-В | Датчик температуры | |
| 21 | ЭО-5122.11.23.000-1 | Система выхлопа | |
| 22 | 7798.16.45 | Болт | |
| 23 | 111Г-1-18 | Хомут | |
| 24 | ЭО-5122.11.20.011 | Пластина | |
| 25 | 3282.1,6 | Проволока L=3 м | |
| 26 | 7798.12.40 | Болт | |
| 27 | ЭО-5122.11.20.012 | Пластина | |
| 28 | 5915.12 | Гайка | |
| 29 | ЭО-5122.11.20.013 | Винт | |
| 30 | ЭО-5122.11.25.000-2 | Установка маслоохладители | |
| 31 | 7798.24.90 | Болт | |
| 32 | 9465.12.90 | Штифт | |
| 33 | ЭО-5122.11.20.002 | Прокладка | |
| 34 | ЭО-5122.11.20.018 | Шайба | |
| 35 | 6402.24 | Шайба | |
| 36 | ЭО-5124.11.09.000 | Установка насосов | |
| 37 | 5915.30 | Гайка | |
| 38 | ЭО-5122.11.20.00В-1 | Втулка | |
| 39 | ЭО-5122.11.20.009-1 | Втулка | |
| 40 | 124А-1-12А | Шайба | |
| 41 | ЭО-5122.11.20.004 | Шпилька | |
| 42 | ЭО-5122.11.12.000-2 | Муфта сцепления | |
| 43 | ЭО-5122.11.31.000 | Рама | |
| 44 | 7798.14.75 | Болт | |
| 45 | 111Т-1-3А | Прокладка | |
| 46 | 111Г-1-4А | Прокладка | |
| 47 | 111Г-1-8А | Прокладка |
Содержащиеся в справочниках-каталогах запасные части и детали не предлагаются к продаже, а носят исключительно информационный характер