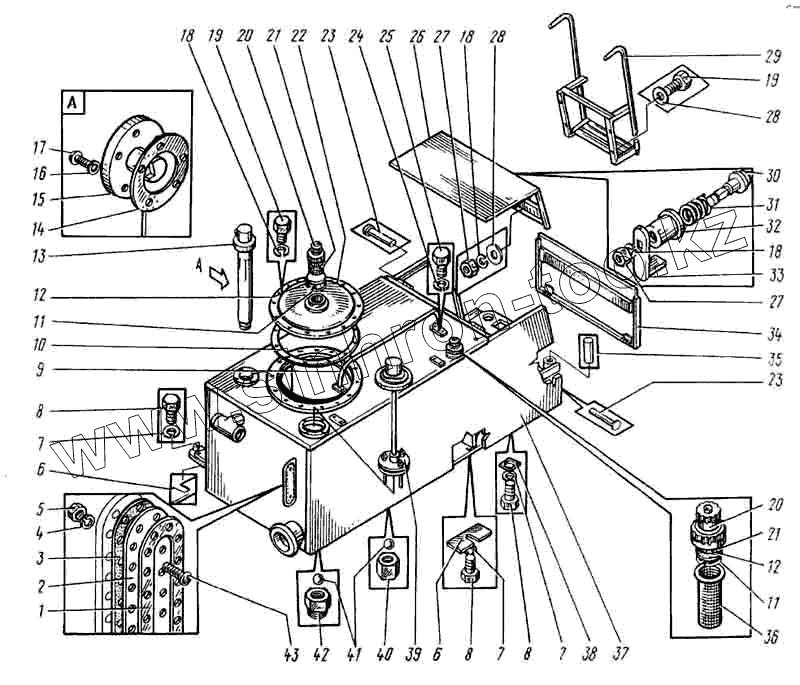
Каталог запасных частей к технике: ВЭКС ЭО-5124. Установка блока баков
1
2
3
4
5
6
6
7
7
7
8
8
8
9
10
11
11
12
12
13
14
15
16
17
18
18
18
19
19
20
20
21
21
22
23
23
24
25
26
27
27
28
28
29
30
31
32
33
34
35
36
37
38
39
40
41
42
43
| Позиция на иллюстрации | Заводской номер детали | Название детали | |
|---|---|---|---|
| 1 | ЭО-5122.07.00.009 | Накладка | |
| 2 | ЭО-5122.07.00,002-1 | Стекло смотровое | |
| 3 | ЭО-5122.07.00.013 | Прокладка | |
| 4 | 6402.6 | Шайба | |
| 5 | 5915.6 | Гайка | |
| 6 | ЭО-5122.07.00.017 | Прокладка | |
| 7 | 6402.16 | Шайба | |
| 8 | 7798.16.40 | Болт | |
| 9 | ЭО-5122.07.00.800 | Ограждение | |
| 10 | ЭО-5122.07.00.015-1 | Прокладка | |
| 11 | 111В-4Б-15 | Кольцо пружинное | |
| 12 | 111В-4Б-13 | Диск | |
| 13 | ЭО-5122.07.02.000 | Установка датчика уровня | |
| 14 | ЭО-5122.07.00.018 | Прокладка | |
| 15 | БМ 27 А | Бензомер | |
| 16 | 6402-5 | Шайба | |
| 17 | 17473.5.8 | Винт | |
| 18 | 6402.10 | Шайба | |
| 19 | 7798.10.20 | Болт | |
| 20 | ЭО-5122.07.00.500 | Крышка | |
| 21 | 111В-4Б-14 | Канитель | |
| 22 | ЭО-5122.07.00.700-2 | Крышка | |
| 23 | ЭО-5122.08.19.005 | Ось | |
| 24 | 6402.12 | Шайба | |
| 25 | 7798.12.25 | Болт | |
| 26 | ЭО-5122.07.00.200-2 | Дверца верхняя | |
| 27 | 5915.10 | Гайка | |
| 28 | 11371.10 | Шайба | |
| 29 | ЭО-5122.07.00.450 | Поручень | |
| 30 | ЭО-5122А.10.14.322 | Ось | |
| 31 | ЭО-5122А.10.14.324 | Пружина | |
| 32 | ЭО-5122А.10.14.321-1 | Корпус | |
| 33 | ЭО-5122.07.00.220 | Язык | |
| 34 | ЭО-5122.07.00.350-1 | Дверца нижняя | |
| 35 | ЭО-5122.01.17.045 | Палец | |
| 36 | 211-38-7 | Фильтр заливной | |
| 37 | ЭО-5122.07.01.000-4 | Блок баков | |
| 38 | 10906.16 | Шайба | |
| 39 | ЭО-5122.07.00.300-2 | Гидрозатвор | |
| 40 | 109-6-31 | Гайка стопорная | |
| 41 | 3722.6У1.23.813 | Шарик | |
| 42 | ЭО-5122.07.00.023 | Гайка | |
| 43 | 17473.6.35 | Винт |
Содержащиеся в справочниках-каталогах запасные части и детали не предлагаются к продаже, а носят исключительно информационный характер