Вернуться на главную
Поиск
Каталоги запчастей к технике
Спецтехника
ВЭКС
ЭО-5124
Управление
Каталог запасных частей к технике: ВЭКС ЭО-5124. Управление
zoom-in
zoom-out
enlarge
shrink
circle-right
circle-left
file-text2
info
cart
Тип техники
Не выбрано
Легковые автомобили
Грузовые автомобили и прицепы
Автобусы
Сельхозтехника
Спецтехника
Двигатели
Мототехника
Марка
Не выбрано
Ammann
BOMAG
CARMIX
CASE IH
Changlin
ChengGong
Dimex
Doosan
DYNAPAC
Foton
HAMM
Hidromek
Hitachi
Hyundai
JCB
JLG
John Deere
Komatsu
LIEBHERR
LiuGong
Lonking (LongGong)
Luneng
MANITOU
Mitsuber
New Holland
PENGPU
RM-Terex
SANY
SDLG
SEM
Shantui
Shehwa HBXG
Soosan
TIGARBO
VOGELE
Volvo
WAY
WIRTGEN
XCMG
XGMA
Xiamen
YTO
Yuchai
Zoomlion
Автокран
АЗСМ
Алтайлесмаш
Амкодор
АОМЗ
Атек
АТЗ
Балканкар Рекорд
БелАЗ
Беловеж
Борекс
Брянский Арсенал
Булат
ВЭКС
ГАЗ
Геомаш
Гидромаш
Донекс
Дормаш
Дормашина
Дорэлектромаш
ДЭЗ
ЕлАЗ
ЗЗГТ
Ижнефтемаш
Канаш-электрокар
КЗКТ
ККЗ
Клевер
Клинцовский автокрановый завод
КМЗ
КМЗ 1 Мая
Ковровец
Коммаш
Кранэкс
КЭЗ
КЭМЗ
ЛЗА
МАЗ
МЗИК
МЗКМ
МЗКТ
Михневский РМЗ
МоАЗ
Мозырский МЗ
МТЗ
ОЗП
Онежец
ПАО "ТЗА"
ППС Детва
Промтрактор
ПТЗ
Раскат
СпецАгрегат
ТВЭКС
ТТМ
УВЗ
Угличмаш
УЗТМ
ХТЗ
ЧЗКМ
ЧСДМ
ЧТЗ
ЭКСКО
ЭКСМАШ
ЮрМаш
Модель
Не выбрано
ЭО-5122
ЭО-5124
ЭО-5221 (2009)
ЭО-5225 (2009)
ЭО-6123 (2000)
Схема
>
Не выбрано
Управление
Пульт-кресло
Рычаги управления
Гидрооборудование кабины
Установка кабины машиниста
Установка кабины машиниста
Установка вентилятора
Установка отопителя
Установка солнцезащитного козырька
Термос. Установка
Установка капотов
Установка чехлов
Установка силовая
Управление дизелем
Установка подогревателя
Установка дизеля и насосов
Установка маслоохладителя
Система топливная
Система выхлопа
Установка радиаторов
Шторка радиатора
Муфта сцепления
Привод гусеничный левый. Привод гусеничный правый
Редуктор правый
Редуктор левый
Рама хода
Платформа поворотная
Тележка гусеничная
Трубопроводы гусеничной тележки
Коллектор
Гусеница
Цепь гусеничная
Колесо натяжное с механизмом сдавания
Колесо натяжное
Гидроцилиндр
Механизм сдавания
Каток опорный
Каток поддерживающий
Механизм поворота
Редуктор
Редуктор
Электрооборудование
Установка аккумуляторов
Электрооборудование кабины
Щиток подогревателя
Проводка
Щиток управления
Щиток отопителя
Блок клапанов
Трубопроводы управления
Трубопроводы управления
Блок золотников
Блок золотников
Гидроуправление
Клапан
Установка фильтра
Фильтр магнитный
Трубопроводы управления стрелы
Трубопроводы управления
Трубопроводы управления
Блок золотников
Установка реле давления
Трубопроводы гидроаппарата гидроаккумуляторов
Гидроцилиндр
Гидроаппарат гидроцилиндров
Гидроклапан
Установка блока баков
Гидрозатвор
Установка датчика уровня
Гидроцилиндр
Установка насосов
Установка насосов
Насос
Насос
Гидрооборудование
Гидроаппарат регулирующий
Клапан обратный
Трубопроводы на платформе
Золотник тормозной
Установка насосов
Установка фильтров
Трубопроводы сливные
Гидроаппарат гидромоторов
Гидроклапан предохранительный
Установка пневмогидроаккумуляторов
Пневмогидроаккумулятор
Пневмоклапан
Трубопроводы пневмогидроаккумуляторов
Пневмоаккумулятор с клапаном задержки
Пневмоаккумулятор
Пневмоаккумулятор
Установка стрелы
Стрела
Трубопроводы смазки
Трубопроводы стрелы
Гидроаппарат гидроаккумуляторов
Установк моноблочной стрелы
Стрела моноблочная
Трубопроводы моноблочной стрелы
Оборудование прямая лопата
Рукоять прямой лопаты
Ковш прямой лопаты ёмкостью 1,6м
Ковш прямой лопаты ёмкостью 2,ом
Трубопроводы рабочего оборудования
Гидроцилиндр
Оборудование обратная лопата и моноблочной стреле
Рукоять обратной лопаты
Ковш обратной лопаты ёмкостью 1,6м
Трубопроводы рабочего оборудования
Комплект инструментов и принадлежностей
Экскаватор одноковшовый ЭО-5124
Экскаватор одноковшовый ЭО-5124.Прямая лопата с ковшом ёмкостью 2м
Обратная лопата с моноблочной стрелой с ковшом ёмкостью 1,6м
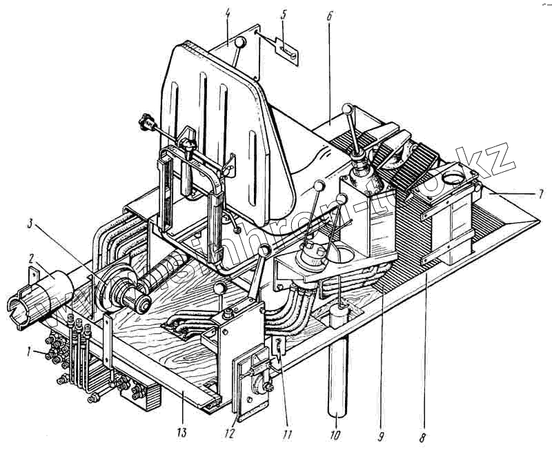
1
2
3
4
5
6
7
8
9
10
11
12
13
Позиция на иллюстрации
Заводской номер детали
Название детали
1
ЭО-5124.04.08.000
Гидрооборудование кабины
2
ЭО-5124.04.13.000
Установка отопителя
3
ЭО-5124.04.00.100
Установка вентилятора
4
ЭО-5124.04.00.001
Табличка
5
1144.3.13
Шуруп
6
ЭО-5124.04.00.004
Плинтус
7
ЭО-5124.04.00.005
Плинтус
8
ЭО-5124.04.00.006
Плинтус
9
ЭО-5124.04.00.002
Коврик
10
ЭО-5124.04.00.200
Стопор
11
1144.5.16
Шуруп
12
ЭО-5124.04.07.000
Рычаги управления
13
ЭО-5124.04.00.003
Плинтус
Содержащиеся в справочниках-каталогах запасные части и детали не предлагаются к продаже, а носят исключительно информационный характер
Дополнительная информация
×
Название:
Номер:
Примечание: