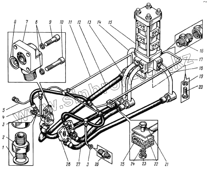
Каталог запасных частей к технике: ВЭКС ЭО-5124. Трубопроводы гусеничной тележки
1
2
3
3
4
5
6
7
8
9
10
11
12
13
14
15
16
17
18
19
20
21
22
23
24
25
26
27
28
| Позиция на иллюстрации | Заводской номер детали | Название детали | |
|---|---|---|---|
| 1 | 088.18 | Прокладка | |
| 2 | ЭО-5122.01.16.001 | Штуцер | |
| 3 | ЭО-5122.01.16.100 | Трубка | |
| 4 | ЭО-5122.01.16.030 | Рукав | |
| 5 | ЭО-5122.01.16.120 | Трубка | |
| 6 | 9833.032.040.46 | Кольцо | |
| 7 | 00-5122.01.16.008 | Фланец | |
| 8 | 6402.12 | Шайба | |
| 9 | 11738.12.45 | Винт | |
| 10 | 11738.12.65 | Винт | |
| 11 | ЭО-5122.01.16.110 | Трубка | |
| 12 | 25.1050.250 | Рукав высокого давления | |
| 13 | 00-5122.01.16.060-1 | Труба. | |
| 14 | ЭО-5122.01.16.070-1 | Труба | |
| 15 | У4760.03.000А | Коллектор центральный | |
| 16 | ЭО-5122.01.16.004 | Штуцер | |
| 17 | ЭО-5122.01.16.140-3 | Трубка | |
| 18 | ЭО-5122.01.16.080-1 | Труба | |
| 19 | 6402.16 | Шайба | |
| 20 | 7798.16.50 | Болт | |
| 21 | 7798.10.55 | Болт | |
| 22 | 017.11.60 | Накладка | |
| 23 | 5915.10 | Гайка | |
| 24 | 6402.10 | Шайба | |
| 25 | 007.11.17 | Колодка | |
| 26 | ЭО-5122.05.25.013 | Штуцер | |
| 27 | 25.650.250 | Тукав высокого давления | |
| 28 | ЭО-5122.01.16.009 | Фланец |
Содержащиеся в справочниках-каталогах запасные части и детали не предлагаются к продаже, а носят исключительно информационный характер