Каталог запасных частей к технике: ВЭКС ЭО-5124. Пульт-кресло
1
1
1
2
2
2
3
3
3
4
5
5
6
6
7
8
9
10
11
12
13
13
14
15
16
17
17
17
17
18
18
18
19
19
19
19
20
21
21
21
21
21
22
23
24
24
24
25
26
27
28
29
30
31
32
33
34
35
36
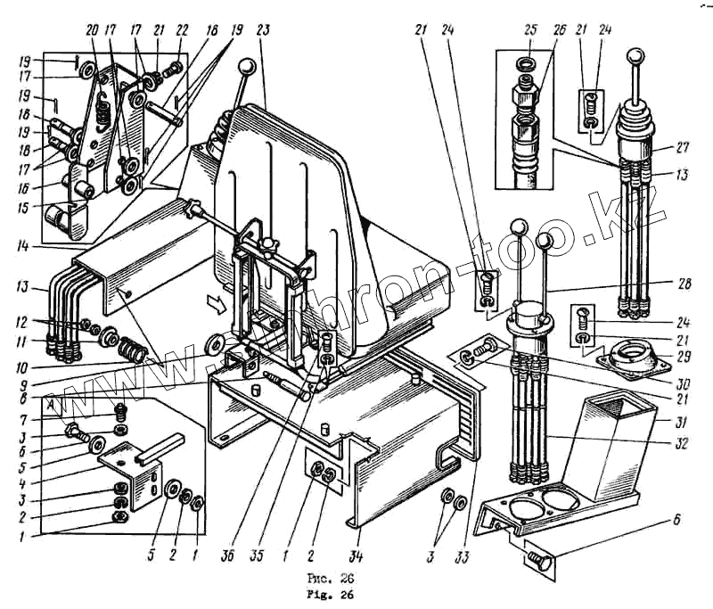
| Позиция на иллюстрации | Заводской номер детали | Название детали | |
|---|---|---|---|
| 1 | ЭО-5124.04.01.000 5915.10 | Гайка | |
| 2 | 6402.10 | Шайба | |
| 3 | ЭО-5124.04.01.003 | Шайба | |
| 4 | ЭО-5124.04.01.300 | Кронштейн | |
| 5 | 11371.10 | Шайба | |
| 6 | 7798.10.25 | Болт | |
| 7 | ЭО-5124.04.01.002 | Фиксатор | |
| 8 | ЭО-5124.04.01.006 | Ось | |
| 9 | ЭО-5124.04.01.007 | Диск фрикционный | |
| 10 | ЭО-5122.06.09.006-1 | Пружина | |
| 11 | ЭО-5124.04.01.203 | Втулка | |
| 12 | 5915.12 | Гайка | |
| 13 | ЭО-5124.04.01.800 | Рукав | |
| 14 | ЭО-5124.04.01.200 | Кожух левый | |
| 15 | ЭО-5124.04.01.500 | Кожух | |
| 16 | ЭО-5124.04.01.400 | Ручка | |
| 17 | 11371.6 | Шайба | |
| 18 | ЭО-5124.04.01.005 | Ось | |
| 19 | 397.1,6.16 | Шплинт | |
| 20 | ЭО-5124.04.01.004 | Пружина | |
| 21 | 6402.6 | Шайба | |
| 22 | 17473.6.10 | Винт | |
| 23 | У7920.016Б-2-00.000-1 | Сиденье | |
| 24 | 17473.6.16 | Винт | |
| 25 | 9833.012.016.25 | Кольцо | |
| 26 | ЭО-5124.04.01.009 | Штуцер | |
| 27 | 60110 | Блок управления | |
| 28 | 60210 | Блок управления | |
| 29 | ЭО-5124.04.01.001 | Основание | |
| 30 | 7798.6.16 | Болт | |
| 31 | ЭО-5124.04.01.600 | Кожух правый | |
| 32 | ЭО-5124.04.01.700 | Рукав | |
| 33 | ЭО-5124.04.01.008 | Крышка | |
| 34 | ЭО-5124.04.01.100 | Подставка | |
| 35 | 6402.8 | Шайба | |
| 36 | 17473.8.16 | Винт |
Содержащиеся в справочниках-каталогах запасные части и детали не предлагаются к продаже, а носят исключительно информационный характер