Каталог запасных частей к технике: ВЭКС ЭО-5124. Муфта сцепления
1
2
3
4
5
6
7
8
8
9
10
11
12
13
14
15
16
16
16
17
17
18
19
20
21
21
22
22
23
24
25
26
27
29
30
31
32
33
34
35
36
37
38
38
39
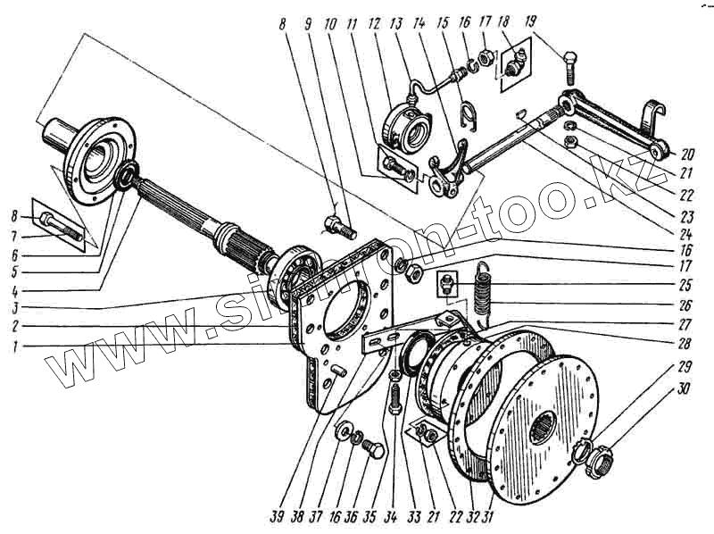
| Позиция на иллюстрации | Заводской номер детали | Название детали | |
|---|---|---|---|
| 1 | ЭО-5122.11.12.004-1 | Плита | |
| 2 | 111Г-2А-4 | Прокладка | |
| 3 | 8338.412 | Подшипник | |
| 4 | 111Г-2А-2Б | Вал | |
| 5 | 236-1701230 | Сальник крышки подшипника первичного вала | |
| 6 | 236-1701039 | Крышка подшипника первичного вала | |
| 7 | 7798.10.80 | Болт | |
| 8 | 3282.1,6 | Проволока L=3 м | |
| 9 | 7798.16.60 | Болт | |
| 10 | 252136-П29С | Шайба | |
| 11 | 201523-1729 | Болт вилки выключателя сцепления | |
| 12 | 236-1601180-А2 | Муфта выключения сцепления в сборе | |
| 13 | 236-1601230 | Шланг смазки муфты выключения сцепления | |
| 14 | 236-1601203 | Вилка выключения оцепления | |
| 15 | 236-1601188-А | Пружина муфты выключения сцепления | |
| 16 | 6402.16 | Шайба | |
| 17 | 5915.16 | Гайка | |
| 18 | 19853.2.3 | Масленка | |
| 19 | 7798.16.70 | Болт | |
| 20 | ЭО-5122.11.12.100-1 | Рычаг | |
| 21 | 6402.10 | Шайба | |
| 22 | 5915.10 | Гайка | |
| 23 | 314004-П2 | Шпонка вилки выключения сцепления | |
| 24 | 636-1601215-Б | Вал вилки выключения сцепления | |
| 25 | 19853.1.3 | Масленка | |
| 26 | 68.44.06.16 | Пружина | |
| 27 | 111Г-2А-5 | Прокладка | |
| 29 | 11872.48 | Шайба | |
| 30 | 11871.48.1,5 | Гайка | |
| 31 | ЭО-5122.11.12.002-2 | Полумуфта дизеля | |
| 32 | ЭО-5122.11.12.003-1 | Кольцо | |
| 33 | 8752.1.80.105 | Манжета | |
| 34 | 1481.12.60 | Винт | |
| 35 | 5915.12 | Гайка | |
| 36 | 7798.16.30 | Болт | |
| 37 | 11371.16 | Шайба | |
| 38 | 111Г-2А-3 | Крышка | |
| 38 | ЭО-5122.11.12.200-1 | Кронштейн | |
| 39 | 30.12.3128 | Штифт |
Содержащиеся в справочниках-каталогах запасные части и детали не предлагаются к продаже, а носят исключительно информационный характер