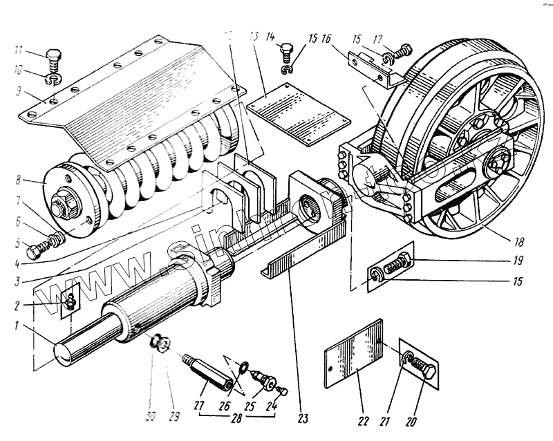
Каталог запасных частей к технике: ВЭКС ЭО-5124. Колесо натяжное с механизмом сдавания
1
2
3
4
5
6
7
8
9
10
11
12
13
14
15
15
15
16
17
18
19
20
21
22
23
24
25
26
27
28
29
30
| Позиция на иллюстрации | Заводской номер детали | Название детали | |
|---|---|---|---|
| 1 | ЭО-5123.01.10.200-4 | Гидроцилиндр | |
| 2 | 19853.1.3 | Масленка | |
| 3 | ЭО-5123.01.10.008 | Прокладка | |
| 4 | 00-5123.01.10.007 | Прокладка | |
| 5 | 7790.20.60 | Болт | |
| 6 | 6402.20 | Шайба | |
| 7 | 11371.20 | Шайба | |
| 8 | ЭО-5123.01.10.500 | Механизм сдавания | |
| 9 | ЭО-5123.01.10.011 | Крышка | |
| 10 | 6402.16 | Шайба | |
| 11 | 7798.16.35 | Болт | |
| 12 | ЭО-5123.01.10.009 | Прокладка | |
| 13 | ЭО-5123.01.10.001 | Крышка | |
| 14 | 7798.12.30 | Болт | |
| 15 | 6402.12 | Шайба | |
| 16 | ЭО-5123.01.10.005 | Скребок | |
| 17 | 7798.12.35 | Болт | |
| 18 | ЭО-5123.01.10.100-3 | Колесо натяжное | |
| 19 | 11738.12.35 | Винт | |
| 20 | 7798.10.25 | Болт | |
| 21 | 6402.10 | Шайба | |
| 22 | ЭО-5123.01.10.002 | Крышка | |
| 23 | ЭО-5123.01.10.400 | Фланец | |
| 24 | 042.1/4" | Пробка | |
| 25 | ЭО-5124.01.11.621 | Игла | |
| 26 | 9833.016.020.25 | Кольцо | |
| 27 | ЭО-5123.01.10.301-3 | Переходник | |
| 28 | ЭО-5123.01.10.300-3 | Ввод | |
| 29 | 114.25.30 | Кольцо | |
| 30 | 9833.024.030.36 | Кольцо |
Содержащиеся в справочниках-каталогах запасные части и детали не предлагаются к продаже, а носят исключительно информационный характер