Каталог запасных частей к технике: ВЭКС ЭО-5124. Гидроаппарат гидроаккумуляторов
1
1
1
1
1
2
2
2
2
2
3
3
4
4
4
4
5
5
6
6
7
8
8
8
9
10
10
11
11
12
12
12
13
13
14
14
15
16
17
17
18
19
19
20
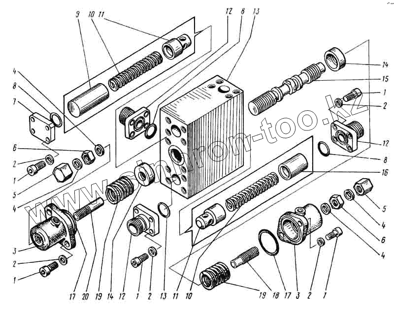
| Позиция на иллюстрации | Заводской номер детали | Название детали | |
|---|---|---|---|
| 1 | 11738.12.35 | Винт | |
| 2 | 6402.12 | Шайба | |
| 3 | ЭО-5122.06.09.003-1 | Крышка | |
| 4 | 088.16 | Прокладка | |
| 5 | ЭО-5122.06.09.011 | Колпачок | |
| 6 | ЭО-5122.06.09.009 | Гайка | |
| 7 | ЭО-5124.09.52.005 | Заглушка | |
| 8 | 9833.032.040.46 | Кольцо | |
| 9 | ЭО-5124.09.52.002 | Втулка | |
| 10 | ЭО-5122.09.14.003 | Пружина | |
| 11 | ЭО-5124.09.52.003 | Клапан | |
| 12 | ЭО-5124.06.07.015-1 | Фланец | |
| 13 | ЭО-5124.09.52.100 | Корпус | |
| 14 | ЭО-5122.06.09.015 | Втулка | |
| 15 | ЭО-5124.09.52.001 | Золотник | |
| 16 | ЭО-5124.09.52.004 | Втулка | |
| 17 | 9833.065.070.30 | Кольцо | |
| 18 | ЭО-5124.09.52.007 | Винт | |
| 19 | ЭО-5122.06.09.006-1 | Пружина | |
| 20 | ЭО-5122.06.09.008 | Винт |
Содержащиеся в справочниках-каталогах запасные части и детали не предлагаются к продаже, а носят исключительно информационный характер