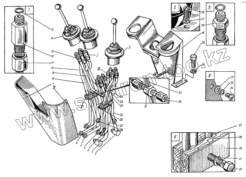
Каталог запасных частей к технике: ВЭКС ЭО-5122. Установка пульта
1
2
3
4
5
6
7
8
9
10
11
12
13
14
15
16
17
18
19
20
21
21
22
23
24
25
26
27
28
29
30
31
32
33
34
35
36
37
38
| Позиция на иллюстрации | Заводской номер детали | Название детали | |
|---|---|---|---|
| ЭО-5122.04.11.000 | ЭО-5122.04.11.000 | Установка пульта | |
| 1 | ЭО-5122.04.11.031 | Трубка L=520 мм | |
| 2 | ЭО-5122.04.11.032 | Трубка L=480 мм | |
| 3 | ЭО-5122.04.11.017 | Трубка L=700 мм | |
| 4 | ЭО-5122.04.11.023 | Трубка L=650 мм | |
| 5 | ЭО-5122.04.11.021 | Трубка L=680 мм | |
| 6 | ЭО-5122.04.11.014 | Трубка L=700 мм | |
| 7 | ЭО-5122.04.11.001 | Кожух | |
| 8 | ЭО-5122.04.11.015 | Трубка L=650 мм | |
| 9 | ЭО-5122.04.11.016 | Трубка L=360 мм | |
| 10 | ЭО-5122.04.11.013 | Трубка L=320 мм | |
| 11 | 109-5-6 | Гайка соединительная | |
| 12 | ЭО-5122.04.11.003 | Штуцер | |
| 13 | ЭО-5122.04.11.011 | Трубка L=720 мм | |
| 14 | 601.00.00.000 | Блок дистанционного гидроуправления | |
| 15 | КРУ-012-016-25-2-2 | Кольцо | |
| 16 | ВПК-М6х16 | Винт | |
| 17 | ШП-6 | Шайба | |
| 18 | ЭО-5122.04.11.005 | Штуцер | |
| 19 | ЭО-5122.04.11.100 | Стойка | |
| 20 | БНТ-М10х25 | Болт | |
| 21 | шп-10 | Шайба | |
| 22 | ШЧ-6 | Шайба | |
| 23 | ШП-5 | Шайба | |
| 24 | ВПК-М5х10 | Винт | |
| 25 | ЭО-5122.04.11.025 | Трубка L=85 мм | |
| 26 | ЭО-5122.04.11.019 | Трубка L=360 мм | |
| 27 | ЭО-5122.04.11.012 | Трубка L=680 мм | |
| 28 | ЭО-5122.04.11.004 | Колодка | |
| 29 | 017-11-60 | Накладка | |
| 30 | БНТ-М10х50 | Болт | |
| 31 | ЭО-5122.04.11.002 | Переходник | |
| 32 | ЭО-5122.04.11.024 | Трубка L=60 мм | |
| 33 | ЭО-5122.04.11.022 | Трубка L=320 мм | |
| 34 | ЭО-5122.04.11.018 | Трубка L=720 мм | |
| 35 | ЭО-5122.04.11.026 | Трубка L=430 мм | |
| 36 | ЭО-5122.04.11.029 | Трубка L=430 мм | |
| 37 | ЭО-5122.04.11.028 | Трубка L=460 мм | |
| 38 | ЭО-5122.04.11.027 | Трубка L=460 мм |
Содержащиеся в справочниках-каталогах запасные части и детали не предлагаются к продаже, а носят исключительно информационный характер