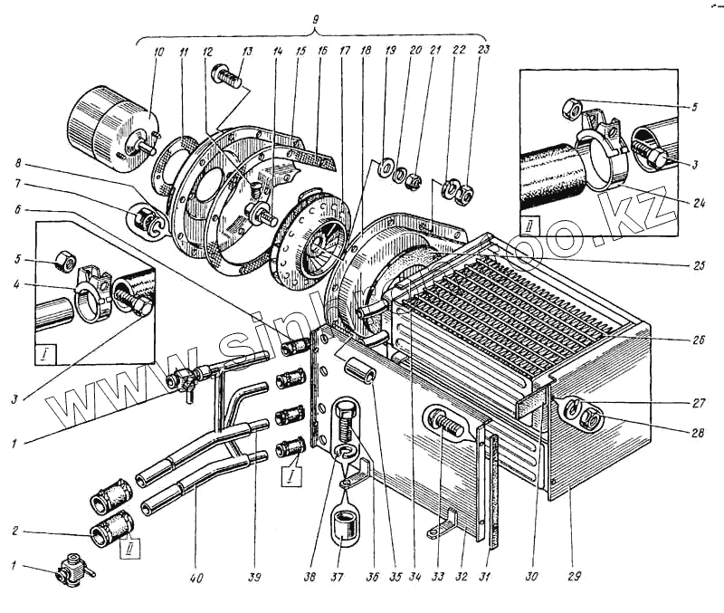
Каталог запасных частей к технике: ВЭКС ЭО-5122. Установка отопителя
1
1
2
3
3
4
5
5
6
7
8
9
10
11
12
13
14
15
16
17
18
19
20
21
22
23
23
24
25
26
27
29
30
31
32
33
34
35
36
37
38
39
40
| Позиция на иллюстрации | Заводской номер детали | Название детали | |
|---|---|---|---|
| ЭО-5122.04.13.000-1 | ЭО-5122.04.13.000-1 | Установка отопителя | |
| 1 | Кр2-1305010 | Краник спускной пробковый | |
| 2 | ЭО-5122.04.13.006 | Муфта | |
| 3 | 102-М6х40 | Болт | |
| 4 | 102-25 | Гайка | |
| 5 | ГШ-М6 | Гайка | |
| 6 | ЭО-5122.04.13.005 | Муфта | |
| 7 | ГШН-М5 | Гайка | |
| 8 | ШП-5 | Шайба | |
| 9 | ПЖБЗ00-10.15.200 | Вентилятор подогревателя | |
| 10 | 204А-1015-Б | Электродвигатель | |
| 11 | ПЖБ300-10.15.242 | Прокладка электродвигателя | |
| 12 | 220075-П29 | Винт М5х7 | |
| 13 | 222470-П29 | Винт М4х8 | |
| 14 | 204А-10.15.162-Б | Ступица вентилятора | |
| 15 | ПЖБ300-10.15.240 | Корпус вентилятора | |
| 16 | ПЖБ300-10.15.233 | Прокладка вентилятора | |
| 17 | ПЖБ300-10.15.215 | Крыльчатка вентилятора в сборе | |
| 18 | ПЖБ300-10.15.23 8 | Крышка корпуса вентилятора в сборе | |
| 19 | ПЖБ300-10.15.237 | Шайба ступицы | |
| 20 | 252134-02 | Шайба пружинная диаметром 6 | |
| 21 | 251808-П29 | Гайка М6 | |
| 22 | 252132-П2 | Шайба пружинная диаметром 4 | |
| 23 | ГШ-М6 | Гайка | |
| 23 | 250462-П29 | Гайка М4 | |
| 24 | 102-33 | Хомут | |
| 25 | ЭО-5122.04.14.004 | Кольцо | |
| 26 | ЭО-5122.04.14.001 | Радиатор | |
| 27 | ШП-6 | Шайба | |
| 29 | ЭО-5122.04.14.200 | Кожух | |
| 30 | ЭО-5122.04.14.003-1 | Прокладка | |
| 31 | ЭО-5122.04.14.005-1 | Прокладка | |
| 32 | ЭО-5122.04.14.100-1 | Корпус | |
| 33 | ВПК-М6х16 | Винт | |
| 34 | ЭО-5122.04.14.002 | Крышка | |
| 35 | ЭО-5122.04.14.006 | Втулка | |
| 36 | БНТ-М10х40 | Болт | |
| 37 | ЭО-5122.04.13.004 | Втулка | |
| 38 | ШП-10 | Шайба | |
| 39 | ЭО-5122.04.13.020-1 | Трубопровод | |
| 40 | ЭО-5122.04.13.010-1 | Трубопровод |
Содержащиеся в справочниках-каталогах запасные части и детали не предлагаются к продаже, а носят исключительно информационный характер