Каталог запасных частей к технике: ВЭКС ЭО-5122. Установка насосов
1
2
3
4
5
6
6
7
7
7
8
9
10
10
11
12
13
13
14
15
16
16
17
18
19
20
21
22
23
23
24
25
26
27
27
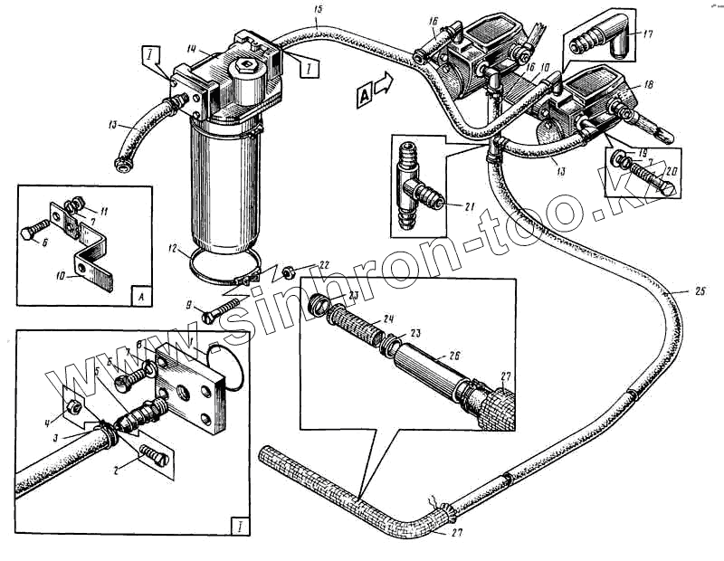
| Позиция на иллюстрации | Заводской номер детали | Название детали | |
|---|---|---|---|
| ЭО-5122.09.35.000-1 | ЭО-5122.09.35.000-1 | Установка насосов | |
| 1 | КРУ-063-068-3-2-2 | Кольцо | |
| 2 | БНТ-М6х40 | Болт | |
| 3 | 102-33 | Хомут | |
| 4 | ГШ-М6 | Гайка | |
| 5 | 111В-3А-1Б | Ниппель переходной | |
| 6 | БНТ-М12х30 | Болт М12х30 | |
| 7 | ШП-12 | Шайба | |
| 8 | ЭО-5122.09.35.007 | Фланец | |
| 9 | БНТ-М8х60 | Болт | |
| 10 | ЭО-5122.09.35.006 | Кронштейн | |
| 11 | ГШ-М12 | Гайка | |
| 12 | 102-170 | Хомут | |
| 13 | ЭО-5122.09.35.003 | Рукав | |
| 14 | 1.1.50-25 | Фильтр | |
| 15 | ЭО-5122.09.35.002 | Рукав Б-1-25-10 ГОСТ 5398-76 L =1200 | |
| 16 | ЭО-5122.09.35.004 | Рукав | |
| 17 | 30-5122.09.35.010 | Угольник | |
| 18 | БК7-3.000 | Насос ручной поршневой "Родник" | |
| 19 | Ш4-12 | Шайба | |
| 20 | БНТ-М12х65 | Болт | |
| 21 | ЭО-5122.09.35.020 | Тройник | |
| 22 | ГШ-М8 | Гайка | |
| 23 | 111В-3А-19 | Гайка | |
| 24 | 111В-3А-18 | Фильтр | |
| 25 | ЭО-5122.09.35.001 | Рукав Б-1-25-10 ГОСТ 5398-76 L=3900 | |
| 26 | 111В-3А-17 | Наконечник шланга | |
| 27 | 111В-3А-15 | Чехол защитный |
Содержащиеся в справочниках-каталогах запасные части и детали не предлагаются к продаже, а носят исключительно информационный характер