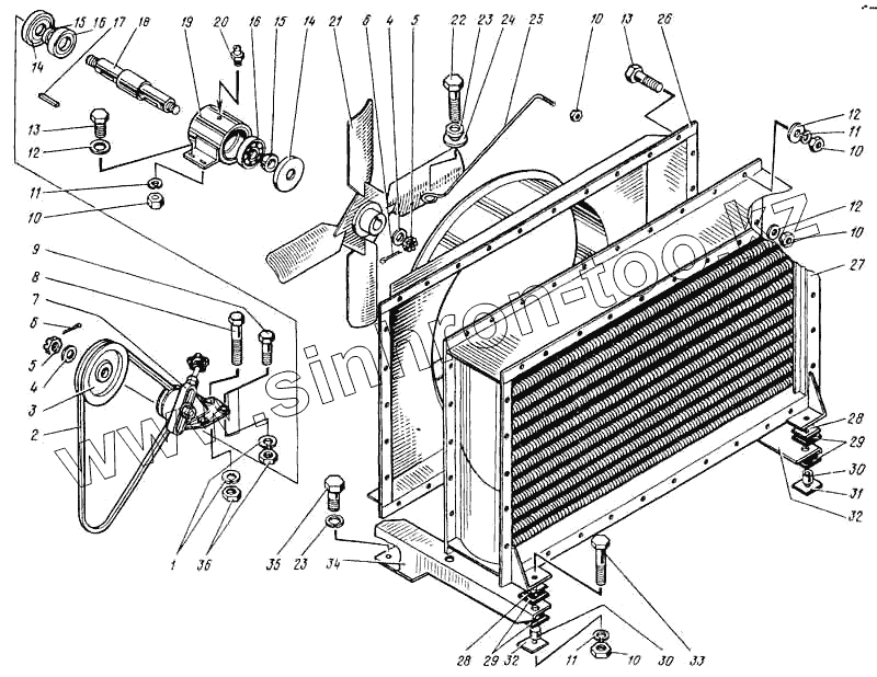
Каталог запасных частей к технике: ВЭКС ЭО-5122. Установка маслоохладителя
1
2
3
4
4
5
5
6
6
7
8
9
10
10
10
10
10
11
11
11
12
12
12
13
13
14
14
15
15
16
16
17
18
19
20
21
22
23
23
24
25
26
27
28
28
29
29
30
30
31
32
32
33
34
35
36
| Позиция на иллюстрации | Заводской номер детали | Название детали | |
|---|---|---|---|
| ЭО-5122.11.25.000-1 | ЭО-5122.11.25.000-1 | Установка маслоохладителя | |
| 1 | ШП-8 | Шайба | |
| 2 | Б-1600Ш | Ремень | |
| 3 | ЭО-5122.11.25.403-1 | Шкив | |
| 4 | ШЧ-20 | Шайба | |
| 5 | ГПК-2М20 | Гайка | |
| 6 | Ш-4х32 | Шплинт | |
| 7 | 236-3509300-А3 | Устройство натяжное | |
| 8 | БНТ-М8х60 | Болт | |
| 9 | БНТ-М8х30 | Болт | |
| 10 | ГШ-М10 | Гайка | |
| 11 | ШП-10 | Шайба | |
| 12 | ШЧ-10 | Шайба | |
| 13 | БНТ-М10х25 | Болт | |
| 14 | ЭО-5122.11.25.405 | Крышка | |
| 15 | ЭО-5122.11.25.404 | Втулка | |
| 16 | 305 | Подшипник | |
| 17 | ШПП-8х7х36 | Шпонка | |
| 18 | ЭО-5122.11.25.401-1 | Вал | |
| 19 | ЭО-5122.11.25.410-2 | Корпус | |
| 20 | ТШ-1,3 | Масленка | |
| 21 | ЭО-5122.11.25.450 | Колесо рабочее | |
| 22 | БНТ-М16х60 | Болт | |
| 23 | ШП-16 | Шайба | |
| 24 | ШЧ-16 | Шайба | |
| 25 | ЭО-5122.11.25.008 | Тяга | |
| 26 | ЭО-5122.11.25.200-1 | Диффузор | |
| 27 | ЭО-5122.11.25.100-1 | Маслоохладитель | |
| 28 | ЭО-5122.11.25.007 | Прокладка | |
| 29 | ЭО-5122.11.25.003 | Прокладка | |
| 30 | ЭО-5122.11.25.006 | Труба | |
| 31 | ЭО-5122.11.25.004 | Прокладка | |
| 32 | ЭО-5122.11.25.300 | Кронштейн правый | |
| 33 | БНТ-Ш0х50 | Болт | |
| 34 | ЭО-5122.11.25.600 | Кронштейн левый | |
| 35 | БНТ-М16х40 | Болт | |
| 36 | ГШ-М8 | Гайка |
Содержащиеся в справочниках-каталогах запасные части и детали не предлагаются к продаже, а носят исключительно информационный характер