Каталог запасных частей к технике: ВЭКС ЭО-5122. Установка капотов и кабины
1
2
3
3
4
4
4
5
5
6
7
7
8
9
10
11
11
12
13
14
15
16
17
18
19
20
21
21
21
21
21
22
22
22
22
22
23
23
23
23
23
23
23
23
24
24
24
24
25
26
27
28
29
30
31
32
33
34
35
36
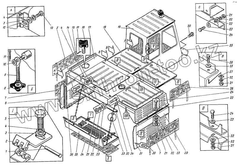
| Позиция на иллюстрации | Заводской номер детали | Название детали | |
|---|---|---|---|
| ЭО-5122.10.00.000-3 | ЭО-5122.10.00.000-3 | Установка капотов и кабины | |
| 1 | ЭО-5122.08.19.005 | Ось | |
| 2 | ЭО-5122.10.05.200-2 | Петля | |
| 3 | ШЧ-16 | Шайба | |
| 4 | ШП-16 | Шайба | |
| 5 | БНТ-М16х35 | Болт | |
| 6 | ЭО-5122.10.00.014-2 | Лист | |
| 7 | ЭО-5122.10.12.100 | Чехол | |
| 8 | 0ВБ-082-М10 | Гайка-барашек | |
| 9 | ЭО-5122.10.05.011 | Болт с проушиной | |
| 10 | ШЧ-8 | Шайба | |
| 11 | Ш-2х16 | Шплинт | |
| 12 | ЭО-5122.10.00.027-2 | Кронштейн | |
| 13 | БНТ-М16х30 | Болт | |
| 14 | ГШ-М16 | Гайка | |
| 15 | ЭО-5122.10.12.300 | Чехол левый | |
| 16 | ЭО-5122.10.15.402 | Болт | |
| 17 | ЭО-5122.10.15.000 | Капот дизеля | |
| 18 | ЭО-5122.10.14.000 | Крышки в сборе | |
| 19 | ЭО-5122.08.00.000-2 | Кабина машиниста | |
| 20 | ВПК-М3х10 | Винт | |
| 21 | ГШ-М10 | Гайка | |
| 22 | ШП-10 | Шайба | |
| 23 | ШЧ-10 | Шайба | |
| 24 | БНТ-М10х25 | Болт | |
| 25 | ЭО-5122.10.00.035 | Фирменная табличка | |
| 26 | БНТ-М10х35 | Болт | |
| 27 | ШК-10 | Шайба | |
| 28 | ЭО-5122.10.12.200 | Чехол правый | |
| 29 | ЭО-5122.10.16.000 | Панель правая | |
| 30 | ВПК-М8х16 | Винт | |
| 31 | ЭО-5122.10.00.015-2 | Лист | |
| 32 | ЭО-5122.10.00.300 | Компенсатор | |
| 33 | ЭО-5122.10.13.130 | Цепь | |
| 34 | ЭО-5122.10.12.400 | Чехол задний | |
| 35 | ЭО-5122.10.13.000 | Балкон откидной | |
| 36 | ЭО-5122.10.17.000 | Панель левая | |
| 37 | ЭО-5122.10.00.033 | Накладка | |
| 38 | ШП-8 | Шайба | |
| 39 | ГШ-М8 | Гайка | |
| 40 | БНТ-М8х16 | Болт | |
| 41 | 0УБ-3 | Огнетушитель | |
| 42 | ЭО-5122.10.00.036 | Прокладка | |
| 43 | ЭО-5122.10.10.003 | Прокладка | |
| 44 | РБ-М12 | Рым-болт | |
| 45 | ГШ-М12 | Гайка | |
| 46 | ЭО-5122.10.14.322 | Ось | |
| 47 | ЭО-5122.10.14.324 | Пружина | |
| 48 | ЭО-5122.10.14.321 | Корпус | |
| 49 | ЭО-5122.10.14.323 | Язык | |
| 50 | ЭО-5122.10.00.001 | Подножка | |
| 51 | ЭО-5122.10.12.500 | Скоба | |
| 52 | БНТ-М8х35 | Болт |
Содержащиеся в справочниках-каталогах запасные части и детали не предлагаются к продаже, а носят исключительно информационный характер