Каталог запасных частей к технике: ВЭКС ЭО-5122. Установка дизеля и насосов
13
22
23
24
25
26
27
27
27
28
28
29
30
30
31
32
33
34
35
36
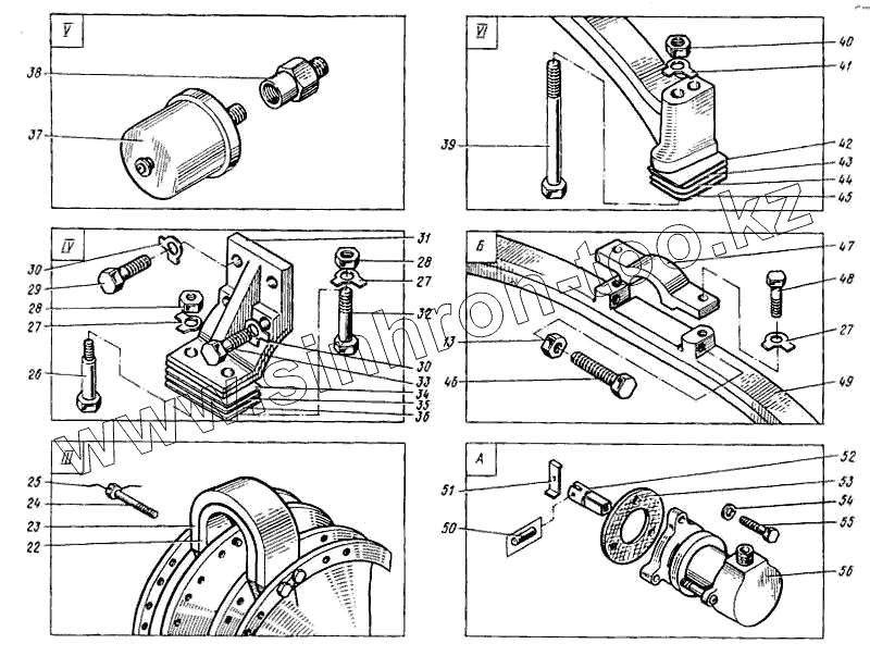
37
38
39
40
41
42
43
44
45
46
47
48
49
50
51
52
53
54
55
56
| Позиция на иллюстрации | Заводской номер детали | Название детали | |
|---|---|---|---|
| ЭО-5122.11.20.000-3 | ЭО-5122.11.20.000-3 | Установка дизеля и насосов | |
| 1 | ПЖ-1,6 | Проволока L=700 mm | |
| 2 | БНТ-М30х180 | Болт | |
| 3 | ЭО-5122.11.20.005-1 | Шайба | |
| 4 | ЭО-5122.11.20.008-1 | Втулка | |
| 5 | ЭО-5122.11.20.009-1 | Втулка | |
| 6 | ГШ-М30 | Гайка | |
| 7 | ЭО-5122.11.17.000-1 | Установка котла подогревателя | |
| 8 | ЭО-5122.11.01.000-1 | Рама | |
| 9 | ЭО-5122.11.22.000-3 | Установка радиаторов | |
| 10 | ЯМ3-238Г | Дизель | |
| 11 | ТМ-100 | Датчик температуры | |
| 12 | ЭО-5122.11.27.000 | Установка глушителя | |
| 13 | ГШ-М12 | Гайка | |
| 14 | ШТКЦ-12х50х90 | Штифт | |
| 15 | БНТ-М24х90 | Болт | |
| 16 | ШП-24 | Шайба | |
| 17 | ЭО-5122.11.20.018 | Шайба | |
| 18 | ЭО-5122.11.20.002 | Прокладка | |
| 19 | ЭО-5122.11.25.000-1 | Установка маслоохладителя | |
| 20 | ЭО-5122.11.08.000-3 | Установка насосов | |
| 21 | ЭО-5122.11.12.000-2 | Муфта сцепления | |
| 22 | ЭО-5122.11.20.012 | Пластина | |
| 23 | ЭО-5122.11.20.011 | Пластина | |
| 24 | БНТ-3М12х50 | Болт | |
| 25 | ПЖ-3 | Проволока L=130 мм | |
| 26 | ЭО-5122.11.20.003-1 | Болт | |
| 27 | ШСЛ-16 | Шайба | |
| 28 | ГШ-М16 | Гайка | |
| 29 | БНТ-М14х55 | Болт | |
| 30 | ШСЛ-14 | Шайба | |
| 31 | 111Г-1-15Б | Кронштейн | |
| 32 | ЭО-5122.11.20.015 | Болт | |
| 33 | БНТ-М14х75 | Болт | |
| 34 | 111Г-1-3А | Прокладка | |
| 35 | 111Г-1-4А | Прокладка | |
| 36 | 111Г-1-19 | Прокладка | |
| 37 | ММ3506 | Датчик указателя давления масла | |
| 38 | 111Г-1-31 | Переходник | |
| 39 | БНТ-М20х160 | Болт | |
| 40 | ГШ-М20 | Гайка | |
| 41 | ШСЛ-20 | Шайба | |
| 42 | 111Г-1-8А | Прокладка | |
| 43 | 111Г-1-9А | Прокладка | |
| 44 | 111Г-1-16 | Прокладка | |
| 45 | 111Г-1-17 | Прокладка | |
| 46 | ВУЦ-М12х60 | Винт | |
| 47 | 111Г-1-18 | Хомут | |
| 48 | ЭО-5122.11.20.014 | Болт | |
| 49 | 111Г-1-14 | Балка передняя | |
| 50 | ШТЦ-303х12 | Штифт | |
| 51 | 111Г-22-2 | Поводок | |
| 52 | 111Г-22-1 | Гнездо | |
| 53 | 111Г-22-3 | Прокладка | |
| 54 | ШП-6 | Шайба | |
| 55 | БНТ-М6х16 | Болт | |
| 56 | Д1-3 | Датчик тахометра |
Содержащиеся в справочниках-каталогах запасные части и детали не предлагаются к продаже, а носят исключительно информационный характер