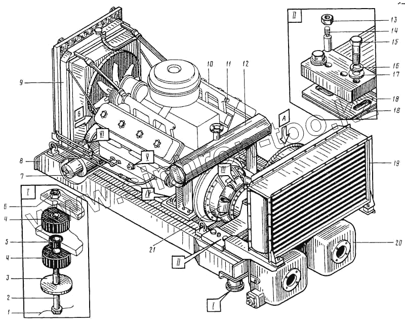
Каталог запасных частей к технике: ВЭКС ЭО-5122. Установка дизеля и насосов
1
2
3
4
4
5
6
7
8
9
10
11
12
13
14
15
16
17
18
18
19
20
21
| Позиция на иллюстрации | Заводской номер детали | Название детали | |
|---|---|---|---|
| ЭО-5122.11.20.000-3 | ЭО-5122.11.20.000-3 | Установка дизеля и насосов | |
| 1 | ПЖ-1,6 | Проволока L=700 mm | |
| 2 | БНТ-М30х180 | Болт | |
| 3 | ЭО-5122.11.20.005-1 | Шайба | |
| 4 | ЭО-5122.11.20.008-1 | Втулка | |
| 5 | ЭО-5122.11.20.009-1 | Втулка | |
| 6 | ГШ-М30 | Гайка | |
| 7 | ЭО-5122.11.17.000-1 | Установка котла подогревателя | |
| 8 | ЭО-5122.11.01.000-1 | Рама | |
| 9 | ЭО-5122.11.22.000-3 | Установка радиаторов | |
| 10 | ЯМ3-238Г | Дизель | |
| 11 | ТМ-100 | Датчик температуры | |
| 12 | ЭО-5122.11.27.000 | Установка глушителя | |
| 13 | ГШ-М12 | Гайка | |
| 14 | ШТКЦ-12х50х90 | Штифт | |
| 15 | БНТ-М24х90 | Болт | |
| 16 | ШП-24 | Шайба | |
| 17 | ЭО-5122.11.20.018 | Шайба | |
| 18 | ЭО-5122.11.20.002 | Прокладка | |
| 19 | ЭО-5122.11.25.000-1 | Установка маслоохладителя | |
| 20 | ЭО-5122.11.08.000-3 | Установка насосов | |
| 21 | ЭО-5122.11.12.000-2 | Муфта сцепления | |
| 22 | ЭО-5122.11.20.012 | Пластина | |
| 23 | ЭО-5122.11.20.011 | Пластина | |
| 24 | БНТ-3М12х50 | Болт | |
| 25 | ПЖ-3 | Проволока L=130 мм | |
| 26 | ЭО-5122.11.20.003-1 | Болт | |
| 27 | ШСЛ-16 | Шайба | |
| 28 | ГШ-М16 | Гайка | |
| 29 | БНТ-М14х55 | Болт | |
| 30 | ШСЛ-14 | Шайба | |
| 31 | 111Г-1-15Б | Кронштейн | |
| 32 | ЭО-5122.11.20.015 | Болт | |
| 33 | БНТ-М14х75 | Болт | |
| 34 | 111Г-1-3А | Прокладка | |
| 35 | 111Г-1-4А | Прокладка | |
| 36 | 111Г-1-19 | Прокладка | |
| 37 | ММ3506 | Датчик указателя давления масла | |
| 38 | 111Г-1-31 | Переходник | |
| 39 | БНТ-М20х160 | Болт | |
| 40 | ГШ-М20 | Гайка | |
| 41 | ШСЛ-20 | Шайба | |
| 42 | 111Г-1-8А | Прокладка | |
| 43 | 111Г-1-9А | Прокладка | |
| 44 | 111Г-1-16 | Прокладка | |
| 45 | 111Г-1-17 | Прокладка | |
| 46 | ВУЦ-М12х60 | Винт | |
| 47 | 111Г-1-18 | Хомут | |
| 48 | ЭО-5122.11.20.014 | Болт | |
| 49 | 111Г-1-14 | Балка передняя | |
| 50 | ШТЦ-303х12 | Штифт | |
| 51 | 111Г-22-2 | Поводок | |
| 52 | 111Г-22-1 | Гнездо | |
| 53 | 111Г-22-3 | Прокладка | |
| 54 | ШП-6 | Шайба | |
| 55 | БНТ-М6х16 | Болт | |
| 56 | Д1-3 | Датчик тахометра |
Содержащиеся в справочниках-каталогах запасные части и детали не предлагаются к продаже, а носят исключительно информационный характер