Каталог запасных частей к технике: ВЭКС ЭО-5122. Установка блока баков
1
2
3
4
5
6
6
7
8
8
9
9
10
11
12
13
14
15
16
16
17
17
18
18
19
20
21
22
23
24
25
26
27
28
29
30
31
32
32
33
33
34
35
36
36
37
38
38
39
40
41
42
43
44
45
46
47
48
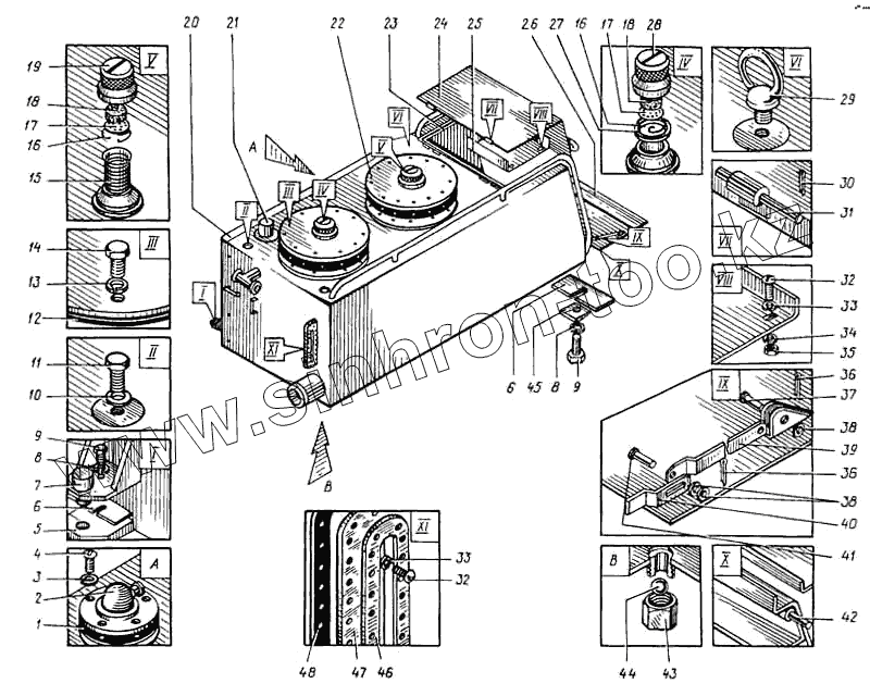
| Позиция на иллюстрации | Заводской номер детали | Название детали | |
|---|---|---|---|
| ЭО-5122.07.00.000-1 | ЭО-5122.07.00.000-1 | Установка блока баков | |
| 1 | ЭО-5122.07.00.018 | Прокладка | |
| 2 | БМ27-А | Бензомер | |
| 3 | ШП-5 | Шайба | |
| 4 | ВПК-М5х8 | Винт | |
| 5 | ЭО-5122.07.00.004-1 | Платик | |
| 6 | ЭО-5122.07.00.017 | Прокладка | |
| 7 | ЭО-5122.07.00.003-1 | Палец | |
| 8 | ШП-16 | Шайба | |
| 9 | БНТ-М16х40 | Болт | |
| 10 | ШЧ-12 | Шайба | |
| 11 | БНТ-М12х30 | Болт М12х30 | |
| 12 | ЭО-5122.07.00.015 | Прокладка | |
| 13 | ШП-10 | Шайба | |
| 14 | БНТ-М10х25 | Болт | |
| 15 | 211-38-7 | Фильтр заливной | |
| 16 | 111В-4Б-15 | Кольцо пружинное | |
| 17 | 111В-4Б-13 | Диск | |
| 18 | 111В-4Б-14 | Канитель | |
| 19 | ЭО-5122.07.00.400 | Крынка | |
| 20 | ЭО-5122.07.01.000-1 | Блок баков | |
| 21 | ЭО-5122.07.02.000 | Установка датчика уровня масла | |
| 22 | ЭО-5122.07.00.100-1 | Крышка | |
| 23 | ЭО-5122.07.00.022 | Пластина губчатая | |
| 24 | ЭО-5122.07.00.200-1 | Дверца верхняя | |
| 25 | ЭО-5122.07.00.001-1 | Полка | |
| 26 | ЭО-5122.07.00.350 | Дверца нижняя | |
| 27 | ЭО-5122.07.00.014 | Прокладка | |
| 28 | ЭО-5122.07.00.500 | Крышка | |
| 29 | РБ-М12 | Рым-болт | |
| 30 | Ш-2,5х20 | Шплинт | |
| 31 | 310-32-7 | Ось | |
| 32 | ВПК-16х14 | Винт | |
| 33 | ШП-6 | Шайба | |
| 34 | ШЧ-6 | Шайба | |
| 35 | ГШ-М6 | Гайка | |
| 36 | Ш-2х16 | Шплинт | |
| 37 | 22-8х4х25 | Ось | |
| 38 | ШЧ-8 | Шайба | |
| 39 | ЭО-5122.07.00.008 | Тяга | |
| 40 | ЭО-5122.07.00.011 | Тяга | |
| 41 | 22-8х4х20 | Ось | |
| 42 | ЭО-5122.07.00.354 | Ось | |
| 43 | 109-6-31 | Гайка специальная | |
| 44 | БУ1 23,813 мм Р | Шарик | |
| 45 | ШК-16 | Шайба | |
| 46 | ЭО-5122.07.00.009 | Накладка | |
| 47 | ЭО-5122.07.00.002-1 | Стекло смотровое | |
| 48 | ЭО-5122.07.00.013 | Прокладка |
Содержащиеся в справочниках-каталогах запасные части и детали не предлагаются к продаже, а носят исключительно информационный характер