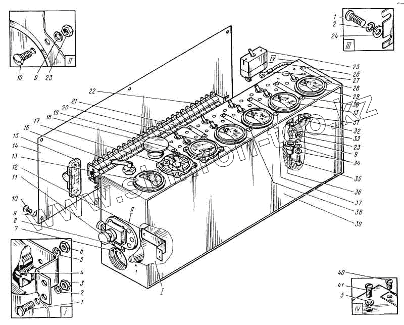
Каталог запасных частей к технике: ВЭКС ЭО-5122. Щиток управления
1
1
2
2
3
4
5
5
6
7
8
9
9
9
10
10
11
12
13
13
14
15
16
17
18
19
20
21
22
23
23
24
25
26
27
28
29
30
31
32
33
34
35
36
37
38
39
40
41
| Позиция на иллюстрации | Заводской номер детали | Название детали | |
|---|---|---|---|
| ЭО-5122.12.18.000 | ЭО-5122.12.18.000 | Щиток управления | |
| 1 | ВПК-М5х14 | Винт | |
| 2 | ШП-5 | Шайба | |
| 3 | ГШН-2М5 | Гайка | |
| 4 | ВГГК-М4х16 | Винт | |
| 5 | ШП-4 | Шайба | |
| 6 | ГШН-2М | Гайка | |
| 7 | РШ-Ц-2-0-0006/250 | Розетка штепсельная | |
| 8 | 312-65-17 | Табличка "12 V" | |
| 9 | ПШ-6 | Шайба | |
| 10 | ВПК-М6х12 | Винт | |
| 11 | ВК-318Б | Выключатель 50 А, 24 В | |
| 12 | 114Д-3-20 | Кронштейн | |
| 13 | УК-144 | Указатель давления 24 В | |
| 14 | ЭО-5122.12.18.001 | Крышка | |
| 15 | ША-240 | Шунт | |
| 16 | ВК-317 | Выключатель 50 А, 24 В | |
| 17 | ВА-2 | Вольтамперметр 20-0-60 А, 0-306 | |
| 18 | ЭО-5122.12.18.007 | Табличка | |
| 19 | КЕ-021 | Выключатель кнопочный | |
| 20 | ТЭ1-3 | Измеритель тахометра | |
| 21 | ЭО-5122.12.18.006 | Табличка | |
| 22 | НБ40125 | Клеммник наборный на 25 клеим, 10 А | |
| 23 | ГШН-2М6 | Гайка | |
| 24 | ШЧ-5 | Шайба | |
| 25 | АЗС-30 | Выключатель автоматический 27 В, 30 А | |
| 26 | ПРГВ-660-1х2,5 | Провод L=35 м | |
| 27 | ш-тв-40-230 | Трубка белая L=5 м | |
| 28 | ЭО-5122.12.18.002 | Табличка | |
| 29 | УК-143 | Указатель температуры 24 В | |
| 30 | ЭО-5122.12.18.003 | Табличка | |
| 31 | ПРГВ-660-1х1,5 | Провод L=2,5 м | |
| 32 | Ш-ТВ-40-230 | Трубка белая L=3 м | |
| 33 | А-24-1 | Лампа автомобильная 28 В, 1 св | |
| 34 | ШЧ-6 | Шайба | |
| 35 | ПРГВ-660-1х0,75 | Провод L=2 м | |
| 36 | ПП-1-200 | Патрон лампы освещения приборов | |
| 37 | ЭО-5122.12.18.004 | Табличка | |
| 38 | ЭО-5122.12.18.005 | Табличка | |
| 39 | ЭО-5122.12.18.100 | Кожух | |
| 40 | ВПК-М3х6 | Винт | |
| 41 | ВПК-М4х10 | Винт |
Содержащиеся в справочниках-каталогах запасные части и детали не предлагаются к продаже, а носят исключительно информационный характер