Каталог запасных частей к технике: ВЭКС ЭО-5122. Регулятор мощности
1
1
2
3
3
4
5
6
6
7
7
8
8
9
9
10
11
12
12
12
13
14
14
15
16
17
18
19
20
20
20
20
21
22
23
24
25
26
27
28
29
30
31
32
33
34
35
36
37
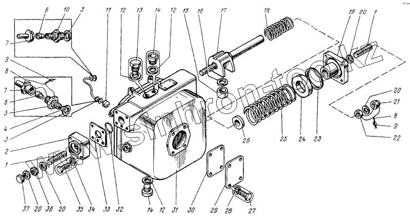
| Позиция на иллюстрации | Заводской номер детали | Название детали | |
|---|---|---|---|
| 400.32.13.10.01.01 | 400.32.13.10.01.01 | Регулятор мощности | |
| 1 | 850573 | Винт М16х60 | |
| 2 | 7980/418.32.05.00 | Крышка | |
| 3 | 650115 | Прокладка №12х15,5х1,5 | |
| 4 | 0067/140.20.01.00 | Кольцо защитное | |
| 5 | 1003 61 | Штуцер М12 | |
| 6 | 100099 | Кольцо 3-40Х | |
| 7 | 100098 | Гайка накидная М14 | |
| 8 | 136113001 | Проволока К0-08, L=2,1 м | |
| 9 | 850113 | Пломба 3Н-20-69 | |
| 10 | 100097 | Штуцер М12 | |
| 11 | 100419/400.25.11.00 | Дроссель | |
| 12 | 850104 | Прокладка М18х22х1,5 | |
| 13 | 7332/400.25.11.00 | Фиксатор | |
| 14 | 83223 | Пробка М18х1,5 | |
| 15 | 85599 | Втулка А25х20 | |
| 16 | 85355 | Кольцо стопорное 25х1,2 | |
| 17 | 7273/400.25.12.00 | Шток регулятора | |
| 18 | 7136/43025 | Пружина | |
| 19 | 7118/400.25.12.00 | Крышка | |
| 20 | 84309 | Кольцо U16,7х24х1,5 | |
| 21 | 850047 | Гайка 2М16 | |
| 22 | 100412 | Гайка | |
| 23 | 85360 | Кольцо уплотнительное | |
| 24 | 7772/430.25.04.00 | Шайба | |
| 25 | 7133/430.25.04.00 | Пружина | |
| 26 | 55335/430.25.04.04 | Шайба | |
| 27 | 138121008 | Болт М12х25 | |
| 28 | 138720043 | Шайба 12 | |
| 29 | 100353/400.25.11.10 | Крышка технологическая | |
| 30 | 100354/400.25.11.10 | Прокладка | |
| 31 | 100457/400.25.11.00 | Корпус регулятора | |
| 32 | 83806 | Кольцо уплотнительное РRР 219-8309 | |
| 33 | 8124/400.32.05.00 | Прокладка | |
| 34 | 138720024 | Шайба 12 | |
| 35 | 850582 | Винт М12х35 | |
| 36 | 138214018 | Гайка М16 | |
| 37 | 850581 | Гайка 2М16 |
Содержащиеся в справочниках-каталогах запасные части и детали не предлагаются к продаже, а носят исключительно информационный характер