Каталог запасных частей к технике: ВЭКС ЭО-5122. Рабочее оборудование обратная лопата
1
1
2
2
2
2
2
3
4
5
5
6
6
7
8
8
8
8
9
9
9
9
10
11
11
11
11
12
13
14
15
15
16
17
18
19
20
20
21
21
22
23
24
25
25
25
26
27
28
28
29
30
31
32
33
34
35
36
37
38
39
40
41
42
43
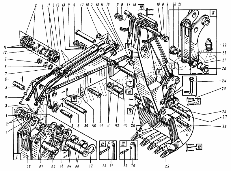
| Позиция на иллюстрации | Заводской номер детали | Название детали | |
|---|---|---|---|
| ЭО-5122.13.00.000-1 | ЭО-5122.13.00.000-1 | Рабочее оборудование прямая лопата | |
| 1 | ЭО-5122.13.00.016-1 | Шайба | |
| 2 | ЭО-5122.02.00.009 | Втулка | |
| 3 | Ш-6,3х40 | Шплинт | |
| 4 | ЭО-5122.13.15.000-2 | Трубопроводы рабочего оборудования | |
| 5 | ЭО-5122.13 .00.023 | Ось | |
| 6 | Ш-16х140 | Шплинт | |
| 7 | 072-110х12 | Кольцо | |
| 8 | ШСМЛ-100 | Шайба | |
| 9 | ЭО-5122.06.00.006 | Гайка глухая | |
| 10 | ЭО-5122.13.00.019 | Втулка | |
| 11 | ЭО-5122.13.00.033 | Шайба | |
| 12 | ЭО-5122.13.13.000-1 | Гидроцилиндр | |
| 13 | ЭО-5122.06.00.003 | Шайба | |
| 14 | ЭО-5122.13.00.025-1 | Ось | |
| 15 | ЭО-5122.13.00.017 | Шайба | |
| 16 | ЭО-5122.13.00.029 | Кольцо | |
| 17 | ЭО-5122.13.00.009-1 | Ось | |
| 18 | ЭО-5122.13.26.000 | Рукоять обратной лопаты | |
| 19 | ЭО-5122.13.00.005 | Ось | |
| 20 | ЭО-5122.06.00.002 | Втулка | |
| 21 | КРУ-110-120-58-2-2 | Кольцо | |
| 22 | ТШ-1,3 | Масленка | |
| 23 | ЭО-5122.13.04.100-2 | Рычаг | |
| 24 | ЭО-5122.13.00.021 | Палец | |
| 25 | Ш-8х50 | Шплинт | |
| 26 | ЭО-5122.13.00.003 | Ось | |
| 27 | ЭО-5122.13.00.011-2 | Ось | |
| 28 | ЭО-5122.13.00.002 | Ось | |
| 29 | ЭО-5122.13.25.000 | Ковш обратной лопаты вместимостью 1,25 м. куб. | |
| 30 | ЭО-5122.13.00.014-1 | Палец | |
| 31 | ЭО-5122.02.00.008 | Палец | |
| 32 | 035-110х2,5 | Шайба | |
| 33 | ЭО-5122.13.10.001 | Втулка | |
| 34 | ЭО-5122.13.00.004-1 | Ось | |
| 35 | ЭО-5122.13.10.100-1 | Тяга | |
| 36 | ЭО-5122.13.00.013-2 | Ось | |
| 37 | ЭО-5122.13.00.008-1 | Палец | |
| 38 | ЭО-5122.13.04.000-1 | Рычаг | |
| 39 | ЭО-5122.13.00.001 | Ось | |
| 40 | ЭО-5122.13.21.000-2 | Рукоять прямой лопаты | |
| 41 | ЭО-5122.13.00.024-2 | Ось | |
| 42 | ЭО-5122.13.00.022 | Втулка | |
| 43 | ЭО-5122.13.00.006-1 | Ось |
Содержащиеся в справочниках-каталогах запасные части и детали не предлагаются к продаже, а носят исключительно информационный характер