Каталог запасных частей к технике: ВЭКС ЭО-5122. Привод гусеницы левый, Привод гусеницы правый
1
2
2
3
4
5
6
7
7
8
8
9
9
10
11
12
13
14
15
16
16
17
17
18
18
19
20
21
22
22
23
24
25
26
27
28
29
30
31
32
33
34
35
36
37
38
39
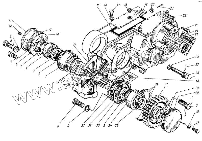
| Позиция на иллюстрации | Заводской номер детали | Название детали | |
|---|---|---|---|
| ЭО-5122.01.03.000-1 | ЭО-5122.01.03.000-1 | Привод гусеницы правый | |
| ЭО-5122.01.02.000-1 | ЭО-5122.01.02.000-1 | Привод гусеницы левый | |
| 1 | ЭО-5122.01.02.019 | Стакан | |
| 2 | АРМ-1-160х190-4 | Манжета | |
| 3 | ЭО-5122.01.02.011 | Втулка | |
| 4 | 3626 | Подшипник | |
| 5 | ЭО-5122.01.02.012 | Шайба | |
| 6 | ЭО-5122 .01.02.015 | Шайба | |
| 7 | ЭО-5122.01.02.016 | Болт | |
| 8 | БНТ-М16х35 | Болт | |
| 9 | ШП-16 | Шайба | |
| 10 | 041-3/4" | Пробка | |
| 11 | ЭО-5122.01.02.023 | Крышка | |
| 12 | ЭО-5122.01.02.300 | Крышка | |
| 13 | ЭО-5122.01.02.026 | Прокладка | |
| 14 | ЭО-5122.01.02.001 | Колесо ведущее | |
| 15 | ЭО-5122.01.02.027 | Прокладка | |
| 16 | ШП-10 | Шайба | |
| 17 | БНТ-М10х20 | Болт | |
| 18 | ПКГ-1" | Пробка | |
| 19 | ЭО-5122.01.02.200 | Крышка | |
| 20 | ГПК-2М30 | Гайка | |
| 21 | Ш-6.3х30 | Шплинт | |
| 22 | ЭО-5122.01.18.000-2 | Редуктор левый | |
| 22 | ЭО-5122.01.17.000-2 | Редуктор правый | |
| 23 | ЭО-5122.01.02.022 | Палец | |
| 24 | ШП-27 | Шайба | |
| 25 | ЭО-5122.01.02.025-2 | Болт | |
| 26 | ШП-36 | Шайба | |
| 27 | ПЖ-1.6 | Проволока L = 3м | |
| 28 | ЭО-5122.03.02.031 | Болт | |
| 29 | ЭО-5122.01.02.006 | Прокладка | |
| 30 | ЭО-5122.01.02.005 | Крышка | |
| 31 | ЭО-5122.01.02.003 | Колесо | |
| 32 | ЭО-5122.01.02.007 | Сектор | |
| 33 | ЭО-5122.01.02.004 | Втулка | |
| 34 | 3526 | Подшипник | |
| 35 | ЭО-5122.01.02.014 | Втулка | |
| 36 | ЭО-5122.01.02.028 | Прокладка | |
| 37 | ЭО-5122.01.02.029-1 | Крышка | |
| 38 | ЭО-5122.01.02.002 | Вал | |
| 39 | ЭО-5122.01.02.013 | Кольцо |
Содержащиеся в справочниках-каталогах запасные части и детали не предлагаются к продаже, а носят исключительно информационный характер