Каталог запасных частей к технике: ВЭКС ЭО-5122. Насос регулируемый самовсасывающий
1
2
2
3
3
4
4
5
5
6
7
8
9
10
11
11
11
12
12
13
14
15
16
17
17
18
18
19
20
21
22
23
24
25
26
26
27
28
29
30
31
32
33
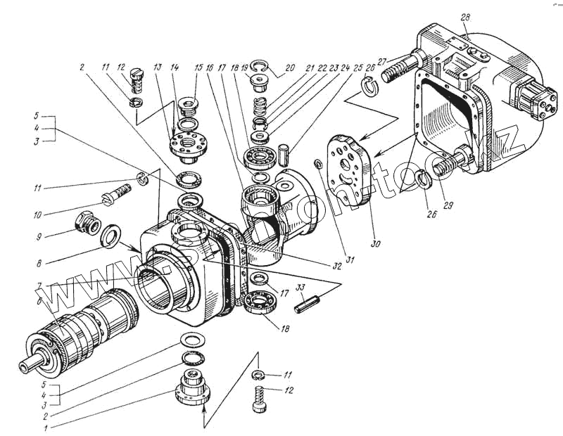
| Позиция на иллюстрации | Заводской номер детали | Название детали | |
|---|---|---|---|
| 207.32.18.02 | 207.32.18.02 | Насос регулируемый самовсасывающий | |
| 1 | 7406/205.32.14.00 | Фланец | |
| 2 | 85360 | Кольцо уплотнительное | |
| 3 | 84971 | Прокладка 71х85х1 | |
| 4 | 86854 | Прокладка 71х85х0,1 | |
| 5 | 86855 | Прокладка 71х85х0,3 | |
| 6 | 1031-2/200.32.09.00 | Узел качающий | |
| 7 | 7404/205.32.14.00 | Корпус | |
| 8 | 850039 | Прокладка М22х27х1,5 | |
| 9 | 83225 | Пробка М22х1,5 | |
| 10 | 850123 | Винт 2М12х40 | |
| 11 | 138720024 | Шайба 12 | |
| 12 | 83205 | Винт М12х30 | |
| 13 | 100425/205.32.14.00 | Фланец | |
| 14 | 850073 | Прокладка М48х55х2 | |
| 15 | 850075 | Пробка М48х2 | |
| 16 | 6272/206.32.11.00 | Корпус поворотный | |
| 17 | 8198/206.32.11.00 | Шайба | |
| 18 | 461113004 | Подшипник №0-114 | |
| 19 | 6275/206.32.11.00 | Втулка пружины | |
| 20 | 85359 | Кольцо стопорное | |
| 21 | 6276/206.32.11.00 | Пружина | |
| 22 | 85019 | Кольцо уплотнительное | |
| 23 | 86226 | Кольцо стопорное | |
| 24 | 6274/206.32.11.00 | Втулка | |
| 25 | 3101/206.32.01.00 | Цапфа | |
| 26 | 138720028 | Шайба 20 | |
| 27 | 850099 | Винт 2М20х65 | |
| 28 | 400.32 .13.10.01.01 | Регулятор мощности | |
| 29 | 850098 | Винт 2М20х50 | |
| 30 | 57931/206.32.14.00 | Крышка | |
| 31 | 6277/206.32.11.00 | Кольцо уплотнительное | |
| 32 | 7915/400.32.11.00 | Прокладка | |
| 33 | 850143 | Штифт 12х40 |
Содержащиеся в справочниках-каталогах запасные части и детали не предлагаются к продаже, а носят исключительно информационный характер