Вернуться на главную
Поиск
Каталоги запчастей к технике
Спецтехника
ВЭКС
ЭО-5122
Механизм поворота
Каталог запасных частей к технике: ВЭКС ЭО-5122. Механизм поворота
zoom-in
zoom-out
enlarge
shrink
circle-right
circle-left
file-text2
info
cart
Тип техники
Не выбрано
Легковые автомобили
Грузовые автомобили и прицепы
Автобусы
Сельхозтехника
Спецтехника
Двигатели
Мототехника
Марка
Не выбрано
Ammann
BOMAG
CARMIX
CASE IH
Changlin
ChengGong
Dimex
Doosan
DYNAPAC
Foton
HAMM
Hidromek
Hitachi
Hyundai
JCB
JLG
John Deere
Komatsu
LIEBHERR
LiuGong
Lonking (LongGong)
Luneng
MANITOU
Mitsuber
New Holland
PENGPU
RM-Terex
SANY
SDLG
SEM
Shantui
Shehwa HBXG
Soosan
TIGARBO
VOGELE
Volvo
WAY
WIRTGEN
XCMG
XGMA
Xiamen
YTO
Yuchai
Zoomlion
Автокран
АЗСМ
Алтайлесмаш
Амкодор
АОМЗ
Атек
АТЗ
Балканкар Рекорд
БелАЗ
Беловеж
Борекс
Брянский Арсенал
Булат
ВЭКС
ГАЗ
Геомаш
Гидромаш
Донекс
Дормаш
Дормашина
Дорэлектромаш
ДЭЗ
ЕлАЗ
ЗЗГТ
Ижнефтемаш
Канаш-электрокар
КЗКТ
ККЗ
Клевер
Клинцовский автокрановый завод
КМЗ
КМЗ 1 Мая
Ковровец
Коммаш
Кранэкс
КЭЗ
КЭМЗ
ЛЗА
МАЗ
МЗИК
МЗКМ
МЗКТ
Михневский РМЗ
МоАЗ
Мозырский МЗ
МТЗ
ОЗП
Онежец
ПАО "ТЗА"
ППС Детва
Промтрактор
ПТЗ
Раскат
СпецАгрегат
ТВЭКС
ТТМ
УВЗ
Угличмаш
УЗТМ
ХТЗ
ЧЗКМ
ЧСДМ
ЧТЗ
ЭКСКО
ЭКСМАШ
ЮрМаш
Модель
Не выбрано
ЭО-5122
ЭО-5124
ЭО-5221 (2009)
ЭО-5225 (2009)
ЭО-6123 (2000)
Схема
>
Не выбрано
Управление
Сиденье машиниста
Рычаги управления
Установка педали
Кабина машиниста
Кабина машиниста
Установка капотов и кабины
Установка капотов и кабины
Платформа поворотная
Механизм поворота
Редуктор
Установка силовая
Управление дизелем
Установка насосов
Установка насосов
Насос регулируемый самовсасывающий
Узел качающий
Регулятор мощности
Насос пластинчатый однопоточный
Установка насосного агрегата
Установка дизеля и насосов
Установка дизеля и насосов
Трубопроводы отопителя
Система топливная
Установка радиаторов
Шторка радиатора
Установка маслоохладителя
Установка глушителя
Муфта сцепления
Болт нажимной
Привод гусеницы левый, Привод гусеницы правый
Редуктор правый, Редуктор левый
Редуктор правый, Редуктор левый
Гидромотор с фланцевой крышкой и шлицевым валом
Тележка гусеничная
Лента гусеничная
Колесо направляющее с натяжным механизмом
Колесо направляющее
Каток опорный
Каток поддерживающий
Установка стрелы
Рабочее оборудование прямая лопата
Рабочее оборудование обратная лопата
Ковш погрузочный вместимостью 2 м. куб.
Ковш прямой лопаты вместимостью 1,6 м. куб.
Рукоять прямой лопаты
Ковш обратной лопаты вместимостью 1,25 м. куб.
Рукоять обратной лопаты
Рабочее оборудование обратная лопата
Оборудование погрузочное
Гидроаппарат гидроцилиндров
Установка блока баков
Гидрозатвор
Установка датчика уровня масла
Гидрооборудование
Гидроаппарат регулирующий
Гидроаппарат гидромоторов
Клапан обратный
Трубопроводы на платформе
Трубопроводы на платформе
Установка насосов
Трубопроводы сливные
Насос ручной поршневой "Родник"
Трубопроводы гусеничной тележки
Коллектор
Гидрооборудование в кабине
Гидроцилиндр
Трубопроводы стрелы
Трубопроводы стрелы
Гидроцилиндр
Трубопроводы рабочего оборудования прямая лопата
Трубопроводы рабочего оборудования обратная лопата
Трубопроводы рабочего оборудования обратная лопата
Трубопроводы погрузчика
Блок дистанционного гидроуправления
Установка пульта
Блок дистанционного гидроуправления
Установка отопителя
Блок клапанов
Блок клапанов
Трубопроводы управления
Трубопроводы управления
Блок золотников
Блок золотников
Гидроуправление
Клапан
Установка фильтра
Фильтр магнитный
Трубопроводы управления стрелы
Трубопроводы управления на платформе
Трубопроводы управления на платформе
Гидроаккумулятор
Пневмогидроаккумулятор
Электрооборудование
Установка аккумуляторов
Электропроводка
Электрооборудование кабины
Щиток управления
Щиток подогревателя
Комплект инструмента и принадлежностей
Общий вид экскаватора
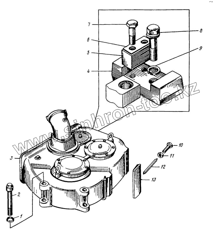
1
2
3
4
5
6
7
8
9
10
11
12
13
Позиция на иллюстрации
Заводской номер детали
Название детали
ЭО-5122.03.00.000-2
ЭО-5122.03.00.000-2
Механизм поворота
1
ШП-36
Шайба
2
ЭО-5122.03.00.003
Болт
3
ЭО-5122.03.02.000-2
Редуктор
4
ЭО-5122.03.00.002-1
Кронштейн
5
ЭО-5122.03.00.005
Клин
6
ЭО-5122.03.00.007
Пленка закрепительная
7
БНТ-М16х70
Болт
8
ЭО-5122.01.02.025-2
Болт
9
ШП-27
Шайба
10
ЭО-5122.03.00.008
Болт
11
ГШН-М24
Гайка
12
ЭО-5122.03.00.011
Толкатель
13
ЭО-5122.03.00.009-1
Клин
Содержащиеся в справочниках-каталогах запасные части и детали не предлагаются к продаже, а носят исключительно информационный характер
Дополнительная информация
×
Название:
Номер:
Примечание: