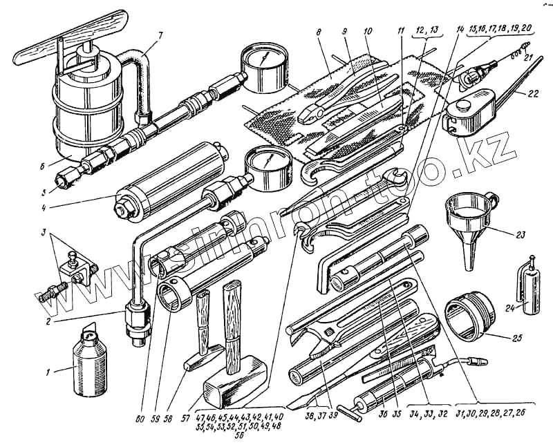
Каталог запасных частей к технике: ВЭКС ЭО-5122. Комплект инструмента и принадлежностей
1
2
3
4
5
6
7
8
9
10
11
12
13
14
15
16
17
18
19
20
21
22
23
23
24
25
26
27
29
30
31
32
33
34
35
36
37
38
39
40
41
42
43
44
45
46
47
48
49
50
51
52
53
54
55
56
57
58
59
60
| Позиция на иллюстрации | Заводской номер детали | Название детали | |
|---|---|---|---|
| ЭО-5122.20.00.000-3 | ЭО-5122.20.00.000-3 | Комплект инструмента и принадлежностей | |
| 1 | 510566 | Бидон вместимостью 10 л | |
| 2 | ЭО-5122.20.00.120-1 | Манометрический пробник на рабочее давление до 24,5 МПа (250 кгс/см2) | |
| 3 | ЭО-5122.20.00-070-2 | Приспособление для центровки муфты дизеля | |
| 4 | ЭО-5122.20.00.080-1 | Съемник | |
| 5 | ЭО-5122.20.00.110-1 | Манометрический пробник- на рабочее давление до 2,9 МПа (30 кгс/см2) | |
| 6 | 03-1587 | Шприц ведерного типа | |
| 7 | 100-27В | Шланг | |
| 8 | 100-6 | Сумка инструментальная | |
| 9 | 554752-200 | Плоскогубцы комбинированные | |
| 10 | 2810-0223 | Зубило 20х60 | |
| 11 | 7811-0318 | Ключ 55-60 | |
| 12 | 7851-0164 | Бородок 160х4 | |
| 13 | 7851-0172 | Бородок 200х8 | |
| 14 | 7811-0352 | Ключ 65-110 | |
| 15 | 7812-0374 | Ключ S=5 | |
| 16 | 7812-0375 | Ключ S=6 | |
| 17 | 7812-0376 | Ключ S=7 | |
| 18 | 7812-0377 | Ключ S=8 | |
| 19 | 7812-0378 | Ключ S=10 | |
| 20 | 7812-0381 | Ключ S=14 | |
| 21 | 100-5А | Светильник ручной | |
| 22 | 100-14 | Масленка вместимостью 0,5 л | |
| 23 | 100-17 | Воронка | |
| 23 | 22003-19 | Ключ S=19 | |
| 24 | 0УБ-3 | Огнетушитель | |
| 25 | ЭО-5122.20.00.002-1 | Втулка для сборки гидроцилиндров | |
| 26 | 22003-14 | Ключ S=14 | |
| 27 | 22003-17 | Ключ S=17 | |
| 29 | 22003-22 | Ключ S=22 | |
| 30 | 22003 -24 | Ключ S=24 | |
| 31 | 22003-27 | Ключ S=27 | |
| 32 | 22003-10-14 | Вороток 10-14 | |
| 33 | 22003-14-24 | Вороток 14-24 | |
| 34 | 22003-2 4-36 | Вороток 24-36 | |
| 35 | 727562-30 | Ключ разводной 30 | |
| 36 | ШП-391.1010А | Шприц рычажно-плунжерный | |
| 37 | 7810-0392 | Отвертка 160х0,8 | |
| 38 | 7810-0398 | Отвертка 250х1,6 | |
| 39 | 100-15 | Выколотка | |
| 40 | 7811-0002 | Ключ 5,5х7 | |
| 41 | 7811-0003 | Ключ 8х10 | |
| 42 | 7811-0007 | Ключ 12х13 | |
| 43 | 7811-0027 | Ключ 13х14 | |
| 44 | 7811-0022 | Ключ 14х17 | |
| 45 | 7811-0023 | Ключ 17х19 | |
| 46 | 7811-0024 | Ключ 19х22 | |
| 47 | 7811-0025 | Ключ 22х24 | |
| 48 | 7811-0026 | Ключ 24х27 | |
| 49 | 7811-0041 | Ключ 27х30 | |
| 50 | 7811-0042 | Ключ 30х32 | |
| 51 | 7811-0043 | Ключ 32х36 | |
| 52 | 7811-0044 | Ключ 36х41 | |
| 53 | 7811-0045 | Ключ 41х46 | |
| 54 | 7811-0046 | Ключ 46х50 | |
| 55 | 7811-0047 | Ключ 50х55 | |
| 56 | 7811-0049 | Ключ 65х70 | |
| 57 | 100-16 | Кувалда с ручкой | |
| 58 | 7850-0054 | Молоток 0,6 кг | |
| 59 | ЭО-5122.20.00.160-1 | Ключ | |
| 60 | ЭО-5122.20.00.150 | Ключ |
Содержащиеся в справочниках-каталогах запасные части и детали не предлагаются к продаже, а носят исключительно информационный характер