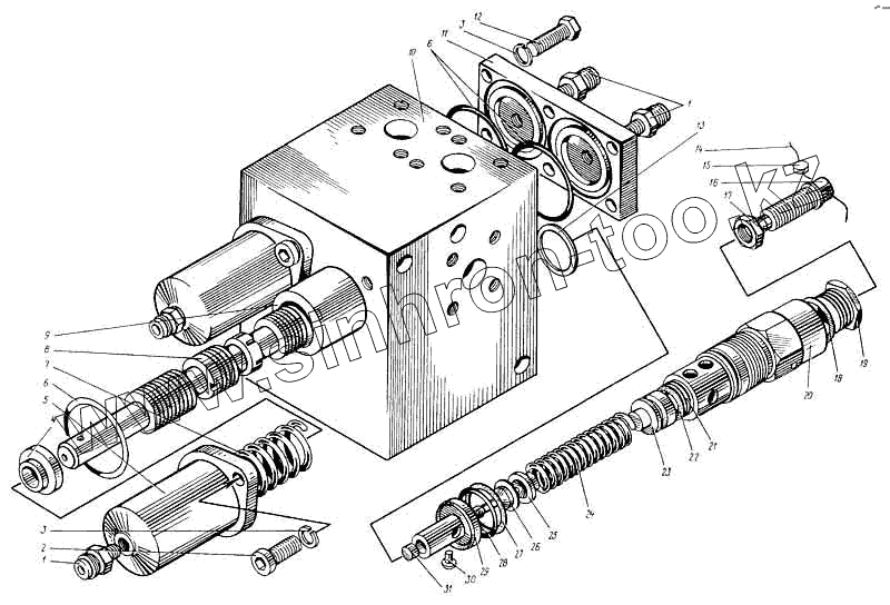
Каталог запасных частей к технике: ВЭКС ЭО-5122. Гидроаппарат регулирующий
1
1
2
3
3
4
5
6
6
7
8
9
10
11
12
13
14
15
16
17
18
19
20
21
22
23
24
25
26
27
28
29
30
31
| Позиция на иллюстрации | Заводской номер детали | Название детали | |
|---|---|---|---|
| ЭО-5122.09.06.000-2 | ЭО-5122.09.06.000-2 | Гидроаппарат регулирующий | |
| 1 | ЭО-5122.05.25.013 | Штуцер К1/4 | |
| 2 | ВЦШ-М12х35 | Винт | |
| 3 | ШП-12 | Шайба | |
| 4 | ЭО-5122.09.06.013 | Втулка | |
| 5 | ЭО-5122.09.06.004-2 | Кришна | |
| 6 | КРУ-064-070-36-2-2 | Кольцо | |
| 7 | ЭО-5122.09.06.002-1 | Пружина | |
| 8 | ЭО-5122.09.06.011 | Золотник | |
| 9 | ЭО-5122.09.06.102-1 | Втулка | |
| 10 | ЭО-5122.09.06.100-2 | Корпус | |
| 11 | ЭО-5122.09.06.012 | Крышка | |
| 12 | БНТ-М12х40 | Болт | |
| 13 | ЭО-5122.09.06.009 | Прокладка | |
| 14 | ПЖ-1 | Проволока L=1,5 м | |
| 15 | 4-12-АД1М | Пломба | |
| 16 | ВУ3К-М16х60 | Винт | |
| 17 | 704.30.21.301 | Гайка М16 | |
| 18 | М36х42х2-1 | Прокладка | |
| 19 | 026.10.01.004 | Пробка | |
| 20 | 026.10.01.011 | Стакан пружины | |
| 21 | 700.10.14.009 | Кольцо | |
| 22 | 026.10.01.003 | Шайба защитная | |
| 23 | 026.10.01.002 | Поршень | |
| 24 | 026.00.02.451 | Пружина | |
| 25 | 026.00.08.530 | Тарелка | |
| 26 | 026.00.08.531 | Клапан | |
| 27 | К3 КРУ-39х44-2 | Кольцо защитное | |
| 28 | КРУ-038-044-36-2-2 | Кольцо | |
| 29 | 026.00.02.446 | Втулка направляющая | |
| 30 | 000.01.52.346 | Штифт | |
| 31 | 026.00.02.447 | Пробка |
Содержащиеся в справочниках-каталогах запасные части и детали не предлагаются к продаже, а носят исключительно информационный характер