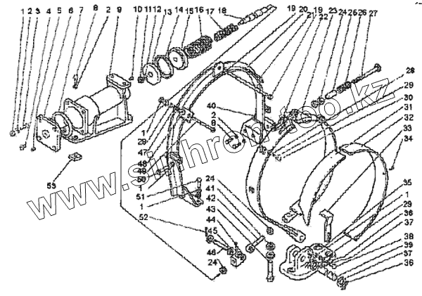
Каталог запасных частей к технике: УЗТМ ЭКГ-5А. Тормоз подъема
1080.20.600СБ
1080.20.600СБ
1
1
1
1
1
2
2
2
3
4
5
6
7
8
8
9
10
11
12
13
14
15
16
17
18
19
19
20
21
22
23
24
24
24
25
26
27
28
29
29
29
30
31
32
33
34
35
36
36
37
37
38
39
40
41
42
43
44
45
46
47
48
49
50
51
52
53
| Позиция на иллюстрации | Заводской номер детали | Название детали | |
|---|---|---|---|
| 1080.20.600СБ | 1080.20.600СБ | Тормоз подъема | |
| 1080.20.600СБ | 1080.20.600СБ | Тормоз подъема | |
| 1080.20.700CБ | 1080.20.700CБ | Цилиндр | |
| 1 | Гайка M16.4 | Гайка M16.4 | |
| 2 | Шайба 16 65Г | Шайба 16 65Г | |
| 3 | Болт М16х70.58 | Болт М16х70.58 | |
| 4 | Пробка 9 | Пробка 9 | |
| 5 | Пробка 9 к труб. 1/4 | Пробка 9 к труб. 1/4 | |
| 6 | 1080.20.703 | Крышка | |
| 7 | Набивка сквозного плетения марки ПС-4 | Набивка сквозного плетения марки ПС-4 | |
| 8 | Болт М 16х40.58 | Болт М 16х40.58 | |
| 9 | 1080.20.702 | Корпус цилиндра | |
| 10 | Пробка 3 | Пробка 3 | |
| 11 | Гайка М24.4 | Гайка М24.4 | |
| 12 | Шайба 24 65 Г | Шайба 24 65 Г | |
| 13 | 1080.20.707 | Шайба поршня | |
| 14 | Манжета 200 | Манжета 200 | |
| 15 | 1080.20.704 | Поршень | |
| 16 | 1080.20.706 | Пружина наружная | |
| 17 | 1080.20.705 | Пружина внутренняя | |
| 18 | 1080.20.708 | Шток | |
| 19 | Гайка М20.4 | Гайка М20.4 | |
| 20 | 1080.20.601СБ | Скоба | |
| 21 | 1080.20.630 | Шпилька | |
| 22 | 1080.20.610СБ | Лента тормозная | |
| 23 | 1080.20.020СБ | Лента тормозная | |
| 24 | Гайка М30.4 | Гайка М30.4 | |
| 25 | 1080.20.625 | Труба | |
| 26 | 1080.20.626 | Пружина | |
| 27 | Болт М30х280.58 | Болт М30х280.58 | |
| 28 | Ось 22-14х50.40 | Ось 22-14х50.40 | |
| 29 | Шайба 16.02 | Шайба 16.02 | |
| 30 | Шплинт 3,2х25 | Шплинт 3,2х25 | |
| 31 | Лента асбестовая тормозная типа Б 130х10 | Лента асбестовая тормозная типа Б 130х10 | |
| 32 | Лента асбестовая тормозная типа Б 130х10 | Лента асбестовая тормозная типа Б 130х10 | |
| 33 | 1080.20.632 | Упор | |
| 34 | Заклепка 8х30.37.АД1.10 | Заклепка 8х30.37.АД1.10 | |
| 35 | 1080.20.629 | Стойка | |
| 36 | Шплинт 8х70 | Шплинт 8х70 | |
| 37 | Шайба 50.02 | Шайба 50.02 | |
| 38 | Болт M16х90.58 | Болт M16х90.58 | |
| 39 | Ось 12-50 х170.40 | Ось 12-50 х170.40 | |
| 40 | 1080.20.628 | Бонка | |
| 41 | Гайка М36.4 | Гайка М36.4 | |
| 42 | 1080.20.631 | Болт М36х140.58 | |
| 43 | 1080.20.631 | Болт М36х140.58 | |
| 44 | 1080.20.701 | Вилка | |
| 45 | Шайба 30.02 | Шайба 30.02 | |
| 46 | Ось 12-30х100.40 | Ось 12-30х100.40 | |
| 47 | 1080.20.634 | Пружина | |
| 48 | Шайба 16.02 | Шайба 16.02 | |
| 49 | 1080.20.624-1 | Болт | |
| 50 | 1080.20.627-1 | Болт | |
| 51 | Болт М16х60.58 | Болт М16х60.58 | |
| 52 | Шплинт 6,3х45 | Шплинт 6,3х45 | |
| 53 | 1080.20.633 | Бонка |
Содержащиеся в справочниках-каталогах запасные части и детали не предлагаются к продаже, а носят исключительно информационный характер