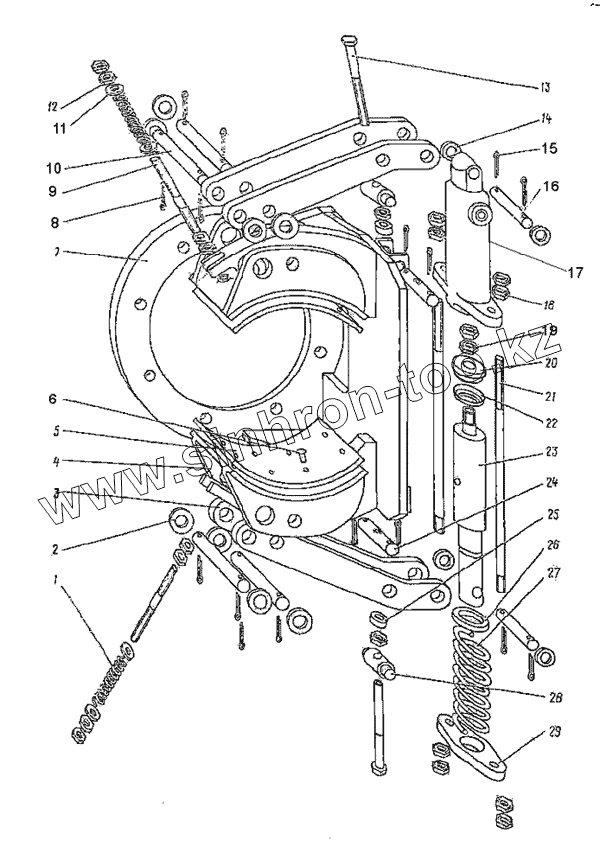
Каталог запасных частей к технике: УЗТМ ЭКГ-5А. Тормоз хода
1080.29.00CБ
1080.29.00CБ
1
2
3
4
5
6
7
8
9
10
11
12
13
14
15
16
17
18
19
20
21
22
23
24
25
26
27
28
29
| Позиция на иллюстрации | Заводской номер детали | Название детали | |
|---|---|---|---|
| 1080.29.00CБ | 1080.29.00CБ | Тормоз хода | |
| 1080.29.00CБ | 1080.29.00CБ | Тормоз хода | |
| 1 | 1080.05.720 | Пружина | |
| 2 | Шайба 24.02 | Шайба 24.02 | |
| 3 | 1080.05.719 | Рычаг | |
| 4 | 1080.05.717-1 | Колодка | |
| 5 | Лепта асбестовая тормозная ЛАТ 2 8х115 | Лента асбестовая тормозная ЛАТ 28х115 | |
| 6 | Заклепка 8х20-700 | Заклепка 8х20-700 | |
| 7 | 1080.29.01СБ | Каркас | |
| 8 | Шплинт 5х36 | Шплинт 5х36 | |
| 9 | 1080.05.718 | Шпилька | |
| 10 | Ось 12-25х130.40 | Ось 12-25х130.40 | |
| 11 | Шайба 12.02 | Шайба 12.02 | |
| 12 | Гайка M12.4 | Гайка M12.4 | |
| 13 | 1080.05.723 | Болт | |
| 14 | Шайба 20.2 | Шайба 20.2 | |
| 15 | Шплинт 4х32 | Шплинт 4х32 | |
| 16 | Ось 12-20х90.40 | Ось 12-20х90.40 | |
| 17 | 1080.29.04 | Цилиндр | |
| 18 | Гайка M12.4 | Гайка M12.4 | |
| 19 | Гайка M16.4 | Гайка M16.4 | |
| 20 | 1080.29.05 | Поршень | |
| 21 | 1080.05.704 | Шпилька | |
| 22 | 5005.17.14 | Манжета диаметр 50 | |
| 23 | 1080.29.07 | Шток | |
| 24 | 1080.05.721 | Валик | |
| 25 | 1080.05.722 | Шайба | |
| 26 | 1080.29.09 | Шайба | |
| 27 | 1080.05.706 | Пружина | |
| 28 | 1080.05.724 | Траверза | |
| 29 | 1080.29.08 | Фланец |
Содержащиеся в справочниках-каталогах запасные части и детали не предлагаются к продаже, а носят исключительно информационный характер