Каталог запасных частей к технике: УЗТМ ЭКГ-5А. Стойка
1085.10.00СБ
1085.10.00СБ
1085.10.00СБ
1085.10.00СБ
1
2
3
4
5
6
7
8
9
10
11
12
13
14
15
16
17
18
19
20
21
22
23
24
25
26
27
28
29
30
30
31
32
33
34
35
36
37
38
38
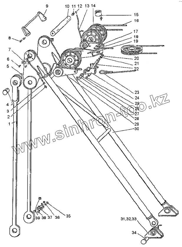
| Позиция на иллюстрации | Заводской номер детали | Название детали | |
|---|---|---|---|
| 1085.10.00СБ | 1085.10.00СБ | Стойка | |
| 1085.10.00СБ | 1085.10.00СБ | Стойка | |
| 1080.10.40СБ | 1080.10.40СБ | Коуш | |
| 1080.10.05-1СБ | 1080.10.05-1СБ | Обойма блока | |
| 1085.10.00СБ | 1085.10.00СБ | Стойка | |
| 1085.10.00СБ | 1085.10.00СБ | Стойка | |
| 1 | 1080.10.13СБ | Оттяжка | |
| 2 | Масленка винтовая МВ3/8 | Масленка винтовая МВ3/8 | |
| 3 | Муфта к труб. 3/8 | Муфта к труб. 3/8 | |
| 4 | 1080.10.30 | Палец | |
| 5 | 1080.10.26 | Штифт | |
| 6 | Болт 3 М20х30.58 | Болт 3 М20х30.58 | |
| 7 | Планка 80 | Планка 80 | |
| 8 | Болт М20х40.58 | Болт М20х40.58 | |
| 9 | 1080.10.18СБ | Скоба предохранительная | |
| 10 | 1080.10.22 | Ось | |
| 11 | Ниппель к труб. 3/8х36 | Ниппель к труб. 3/8х36 | |
| 12 | Угольник 10 | Угольник 10 | |
| 13 | 1080.10.36 | Труба | |
| 14 | 1080.10.45 | Блок | |
| 15 | 1080.10.07 | Ось | |
| 16 | Канат 30-Г-В-0-Н-170 | Канат 30-Г-В-0-Н-170 | |
| 17 | Шплинт 6,3х45 | Шплинт 6,3х45 | |
| 18 | 1080.КШСБ | Обойма | |
| 19 | Ось 12-30х240/40 | Ось 12-30х240/40 | |
| 20 | Гайка М20.4 | Гайка М20.4 | |
| 21 | Шайба 20 65Г | Шайба 20 65Г | |
| 22 | 1080.10.25-1 | Серьга | |
| 23 | 1080.10.23 | Клин | |
| 24 | Втулка 1 | Втулка 1 | |
| 25 | Болт М20х90.58 | Болт М20х90.58 | |
| 26 | Шайба 64.02 | Шайба 64.02 | |
| 27 | Ось 12-60х130.40 | Ось 12-60х130.40 | |
| 28 | Шплинт 10х80 | Шплинт 10х80 | |
| 29 | 1080.10.01СБ | Серьга в сборе | |
| 30 | 1085.10.100СБ | Стойка двуноги | |
| 30 | 1080.10.42 | Прокладка | |
| 31 | 1080.1008СБ | Башмак | |
| 32 | 1080.10.28-1 | Прокладка | |
| 33 | 1080.10.29-1 | Прокладка | |
| 34 | 1080.10.27 | Палец | |
| 35 | Гайка M16.4 | Гайка M16.4 | |
| 36 | Шайба 16 65Г | Шайба 16 65Г | |
| 37 | 1080.10.41 | Скоба | |
| 38 | Болт М16х45.58 | Болт М16х45.58 |
Содержащиеся в справочниках-каталогах запасные части и детали не предлагаются к продаже, а носят исключительно информационный характер