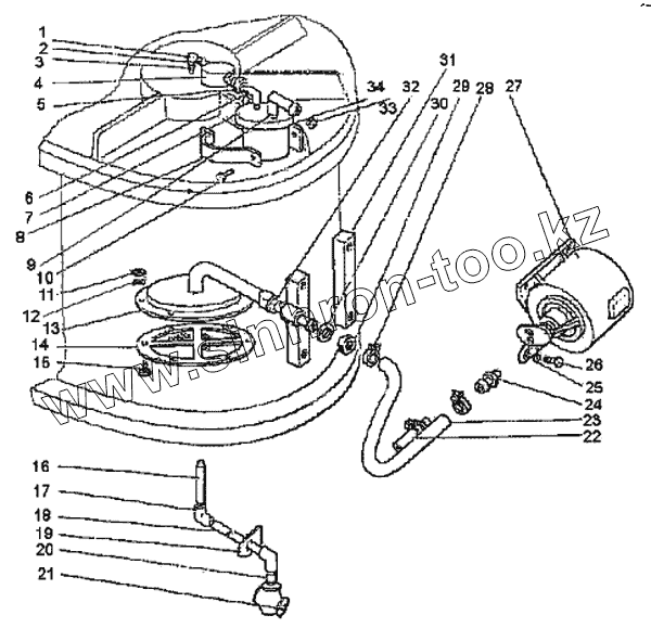
Каталог запасных частей к технике: УЗТМ ЭКГ-5А. Система смазки
1082.16.01-1СБ
1080.16.12-2СБ
1
1
2
3
4
5
6
7
8
9
10
11
12
13
13
14
15
16
17
18
19
20
21
22
22
23
23
24
25
26
27
28
29
30
31
32
33
34
| Позиция на иллюстрации | Заводской номер детали | Название детали | |
|---|---|---|---|
| 1082.16.01-1СБ | 1082.16.01-1СБ | Система смазки | |
| 1080.16.12-2СБ | 1080.16.12-2СБ | Система смазки | |
| 1 | Угольник 10 | Угольник 10 | |
| 1 | Угольник 10 | Угольник 10 | |
| 2 | Ниппельк труб. 3/8х36 | Ниппель к труб. 3/8х36 | |
| 3 | Ниппель к труб. 3/8х65 | Ниппель к труб. 3/8х65 | |
| 4 | Указатель потока 10 | Указатель потока 10 | |
| 5 | 01242.00 | Гайка к труб. 3/8 | |
| 6 | 1080.16.71 | Угольник | |
| 7 | Фильтр 0,16АС 42-52 | Фильтр 0,16АС 42-52 | |
| 8 | 1080.16.65 | Скоба | |
| 9 | 1080.16.62СБ | Угольник | |
| 10 | Болт M10x25.58 | Болт M10x25.58 | |
| 11 | Гайка М6.4 | Гайка М6.4 | |
| 12 | Шайба 6 65Г | Шайба 6 65Г | |
| 13 | 1080.16.13-1CБ | Маслоприемник | |
| 13 | 1080.16.16-1СБ | Маслоприемник | |
| 14 | 1080.16.14CБ | Фланец с сеткой | |
| 15 | Винт 2 M6х12.58 | Винт 2 M6х12.58 | |
| 16 | 1080.16.21 | Патрубок | |
| 17 | Угольник 16 | Угольник 16 | |
| 18 | 1080.16.22 | Патрубок | |
| 19 | 1080.16.20 | Проушина | |
| 20 | Ниппель 15 | Ниппель 15 | |
| 21 | Кран муфтовый 15 | Кран муфтовый 15 | |
| 22 | 1082.16.03-1 | Шланг | |
| 22 | 1082.16.02-1 | Шланг | |
| 23 | 1080.16.61-1 | Шланг | |
| 23 | 1080.16.60-1 | Шланг | |
| 24 | 1080.16.70 | Наконечник | |
| 25 | Шайба 8 65Г | Шайба 8 65Г | |
| 26 | Болт М8х20.58 | Болт М8х20.58 | |
| 27 | Насосная установка БГ 11-11А | Насосная установка БГ 11-11А | |
| 28 | 0.2722.00-16 | Хомутик 26 | |
| 29 | Гайка М24.4 | Гайка М24.4 | |
| 30 | 1080.16.85 | Шайба | |
| 31 | 1080.16.67 | Планка | |
| 32 | 1080.16.69 | Прокладка | |
| 33 | Гайка М10.4 | Гайка М10.4 | |
| 34 | 1080.16.66 | Плита |
Содержащиеся в справочниках-каталогах запасные части и детали не предлагаются к продаже, а носят исключительно информационный характер