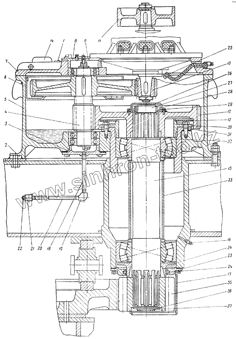
Каталог запасных частей к технике: УЗТМ ЭКГ-4,6. Редуктор механизма поворота
1
2
3
4
5
6
7
8
9
10
11
12
13
14
15
16
17
18
19
20
21
22
23
24
25
26
27
28
29
30
31
32
33
34
35
36
37
| Позиция на иллюстрации | Заводской номер детали | Название детали | |
|---|---|---|---|
| 1014.99.00.1 | 1014.99.00.1 | Редуктор механизма поворота | |
| 1 | СО440.00 ( Д580.1) | Маслоуказатель жезловый № 2, L=390, L=15 | |
| 2 | 1014.61.08 | Упор | |
| 3 | 1014.99.54 | Фланец глухой | |
| 4 | 1014.64.20Сб | Промежуточный вал | |
| 5 | 1014.99.02.1 | Корпус | |
| 6 | 1014.99.55Сб | Маслосборник | |
| 7 | 1014.59.20.1 | Крышка | |
| 8 | 1001.11.07.1 | Фланец | |
| 9 | 1001.11.114Сб | Крышка | |
| 10 | 1014.99.56 | Шестерня моторная | |
| 11 | 1014.99.57 | Шкив тормозной | |
| 12 | 1014.99.22.1 | Зубчатое колесо | |
| 13 | 1014.99.50 | Кольцо | |
| 14 | 01469.00 | Колпак вентиляционный № 1 | |
| 15 | 1014.99.52Сб | Главный вал | |
| 16 | А90 | Тавотница ТРГК 3/8"Труб. | |
| 17 | 1014.99.60Сб | Кожух | |
| 18 | 1014.99.12.1 | Труба 22х3, 5-20,L=250 | |
| 19 | А130 | Угольник 3/8 | |
| 20 | 1014.99.14.1 | Труба 22х3,5-20, L=250 | |
| 21 | 0.00732.1 (А27) | Муфта 1/2 | |
| 22 | 0.00759.1 (А31) | Пробка 1/2 | |
| 23 | 1014.99.32.2 | Половина крышки | |
| 24 | Д384 | Уплотнение севанитовое Р260, Н2601 | |
| 25 | 1014.61.15Сб | Подводка смазки двигателя поворота | |
| 26 | 1014.61.03Сб | Установка колпака | |
| 27 | 1014.99.34.3 | Вал | |
| 28 | 1014.99.46 | Гайка М130х2 | |
| 29 | 1014.99.35 | Распорная втулка | |
| 30 | 1014.99.51 | Фланец | |
| 31 | 1014.99.36.1 | Стакан | |
| 32 | 3636 | Роликоподшипник ГОСТ 5721-57 | |
| 33 | 1014.99.38Сб1 | Труба | |
| 34 | 1014.99.41 | Стакан | |
| 35 | 1001.11.26.1 | Шестерня | |
| 36 | 15.61295 | Шайба упорная 180/80 | |
| 37 | К362 | Планка предохранительная 35х80 |
Содержащиеся в справочниках-каталогах запасные части и детали не предлагаются к продаже, а носят исключительно информационный характер