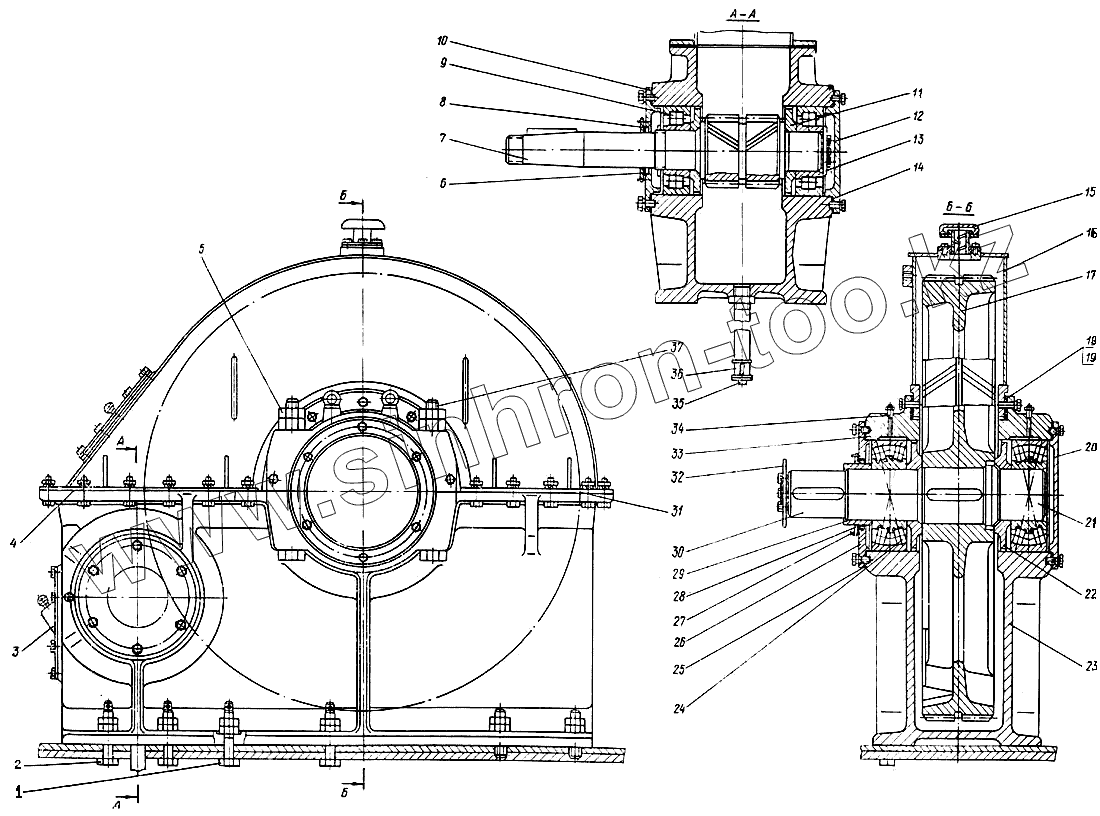
Каталог запасных частей к технике: УЗТМ ЭКГ-4,6. Редуктор
1
2
3
4
5
6
7
8
9
10
11
12
13
14
15
16
17
18
19
20
21
22
23
24
25
26
27
28
29
30
31
32
33
34
35
36
37
| Позиция на иллюстрации | Заводской номер детали | Название детали | |
|---|---|---|---|
| 1014.59.300 | 1014.59.300 | Редуктор | |
| 1 | 1014.59.452 | Болт | |
| 2 | 1014.59.453.1 | Болт | |
| 3 | 1001.09.221Сб1 | Маслоуказатель | |
| 4 | 1009.09.03.1 | Прокладка | |
| 5 | К427 | Гайка М36-010 ГОСТ 5915-62 | |
| 6 | Д385 | Уплотнение севанитовое НР-190 Н2602 | |
| 7 | 1014.59.305.1 | Вал-шестерня | |
| 8 | 0.04508 (Д533) | Кольцо нажимное 124 | |
| 9 | 42626 | Роликоподшипник 130х 280х93 ГОСТ 8328-57 | |
| 10 | 0.04469 (Д531) | Крышка сквозная 280х150х38 | |
| 11 | 1014.59.328.1 | Шайба | |
| 12 | 0.04885 | Крышка глухая 28Рх42 | |
| 13 | 1041.09.322 | Шайба упорная | |
| 14 | 1014.59.327 | Прокладка жестяная № 25 | |
| 15 | 0.146900 (Д593) | Колпак вентиляционный № 1 | |
| 16 | 1014.59.302Сб | Кожух редуктора | |
| 17 | 1014.59.306.1 | Зубчатое колесо | |
| 18 | 1014.59.332 | Резина рулонная | |
| 19 | 1014.59.333 | Картон прокладочный | |
| 20 | 0.08549 (Д557) | Крышка глухая 360х16 | |
| 21 | 1014.59.304Сб1 | Вал редуктора | |
| 22 | 1014.59.329.1 | Шайба | |
| 23 | 1014.59.308.4 | Корпус редуктора | |
| 24 | 3634 | Роликоподшипник ГОСТ 5721-57 | |
| 25 | 1014.59.327 | Прокладка жестяная № 25 | |
| 26 | 0.08450 (Д531) | Крышка сквозная 360х225х16 | |
| 27 | 0.04515 (Д533) | Кольцо нажимное 194 | |
| 28 | Д385 | Уплотнение севанитовое НР-190 Н2602 | |
| 29 | 1009.09.06 | Втулка распорная | |
| 30 | 1014.59.303 | Вал | |
| 31 | 1009.09.04.1 | Прокладка | |
| 32 | 1014.59.486 | Шайба упорная 220 | |
| 33 | 1014.59.309.1 | Крышка подшипника 360 | |
| 34 | А90 | Тавотница ТРГК 3/8"Труб. | |
| 35 | А154 | Пробка 40 ГОСТ 8963-59 | |
| 36 | А148.1 | Муфта короткая 40 | |
| 37 | К417 | Болт М20х420-010 |
Содержащиеся в справочниках-каталогах запасные части и детали не предлагаются к продаже, а носят исключительно информационный характер