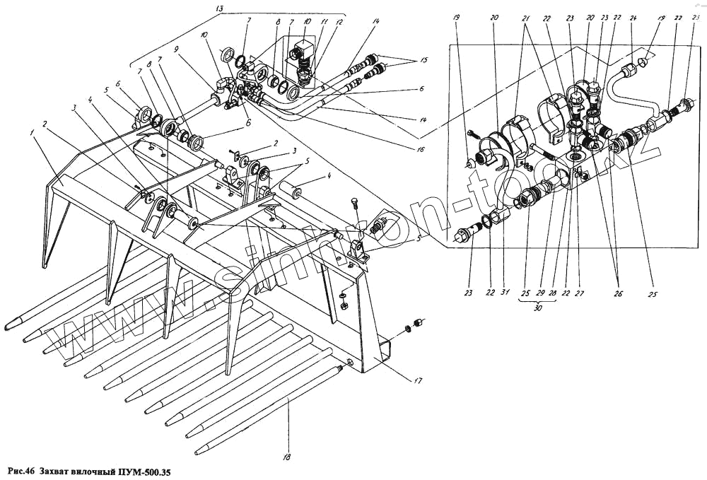
Каталог запасных частей к технике: УВЗ ПУМ-500. Захват вилочный П1.35сб
1
2
2
3
3
4
4
5
5
5
6
6
6
7
7
7
7
8
8
9
9
10
10
11
12
13
14
14
15
16
17
18
19
19
20
20
21
22
22
22
22
22
23
23
23
23
24
25
25
26
27
28
29
30
31
| Позиция на иллюстрации | Заводской номер детали | Название детали | |
|---|---|---|---|
| П1.35.00.000-сб | П1.35.00.000-сб | Захват вилочный ПУМ-500.35 | |
| 1 | П1.35.00.300-сб | Захват | |
| 2 | П1.10.00.004 | Шайба | |
| 3 | П1.10.00.003 | Диск | |
| 4 | П1.35.00.003 | Ось | |
| 5 | П1.35.00.500-сб | Кронштейн | |
| 6 | П1.10.00.006-А | Втулка | |
| 7 | П1.11.00.603 | Кольцо | |
| 8 | ШС-35 ГОСТ 3635-78 | Подшипник (ШСП-35) | |
| 8 | ШС-35 ГОСТ 3635-78 | Подшипник (ШСП-35) | |
| 9 | 1082.00.00.00 (П1.11.00.440сб) | Гидроцилиндр 63х40х152 | |
| 9 | П1.11.00.440сб (1082.00.00.00) | Гидроцилиндр захвата | |
| 10 | П1.35.00.401 | Угольник | |
| 11 | 608.29.229 | Шайба защитная | |
| 12 | 520.15.004-08 | Кольцо уплотнительное | |
| 13 | П1.11.00.445-сб | Гидроцилиндр захвата дооборудованный | |
| 14 | П1.35.00.600-сб | Рукав | |
| 15 | П1.11.03.011-сб-1 | Полумуфта | |
| 16 | П1.35.00.100сб-1 | Установка гидрозамка | |
| 17 | П1.35.00.200-сб | Рама | |
| 18 | П1.35.00.002 | Штырь | |
| 19 | П1.35.00.109 | Шайба | |
| 20 | 520.10.004-15 | Прокладка | |
| 21 | П1.35.00.160-сб | Хомут | |
| 22 | 520.06.002-06 | Прокладка уплотнительная | |
| 23 | П1.12.00.007 | Штуцер | |
| 24 | П1.35.00.150сб-1 | Трубопровод | |
| 25 | П1.35.00.420-сб | Гидрозамок | |
| 26 | П1.35.00.130-сб | Угольник | |
| 27 | 520.07.006-01 | Шайба | |
| 28 | П1.11.03.018 | Корпус | |
| 29 | П1.11.00.902 | Толкатель | |
| 30 | П1.11.03.006-сб | Гидрозамок | |
| 31 | П1.35.00.140-сб-1 | Трубопровод |
Содержащиеся в справочниках-каталогах запасные части и детали не предлагаются к продаже, а носят исключительно информационный характер