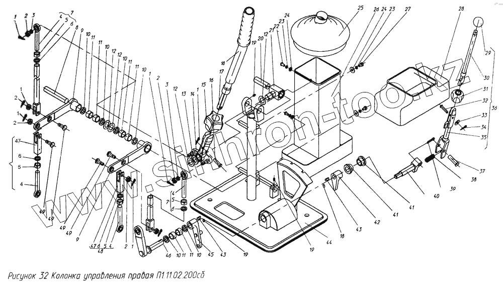
Каталог запасных частей к технике: УВЗ ПУМ-500. Установка правой колонки управления П1.11.02.200сб
1
1
1
1
1
1
2
2
2
2
2
3
3
4
4
4
4
5
5
5
5
6
6
6
6
7
7
8
9
9
10
10
10
10
10
10
12
12
12
12
13
14
15
17
18
19
19
19
20
21
22
23
23
24
24
25
26
27
28
30
31
32
33
34
35
36
37
38
39
39
40
42
43
43
44
45
46
47
47
48
49
49
49
49
| Позиция на иллюстрации | Заводской номер детали | Название детали | |
|---|---|---|---|
| П1.11.02.200сб | П1.11.02.200сб | Колонка управления правая | |
| 1 | ГОСТ 397-79 | Шплинт 2х20х016 | |
| 2 | 520.02.008-03 | Гайка | |
| 3 | ПУМ-500.11.06.051 | Втулка | |
| 4 | 175.63.046-сб | Серьга | |
| 5 | ГОСТ 2526-70 | Гайка М12х1,25-6Н.04.40.016 | |
| 6 | ГОСТ 6402-70 | Шайба 6.65Г.016 | |
| 7 | П1.11.02.195-сб | Тяга | |
| 8 | П1.11.06.024-02 | Ось | |
| 9 | П1.11.02.190-сб | Рычаг | |
| 10 | СТ21-14-4 | Кольцо ГОСТ 288-72 | |
| 12 | 520.07.003-07 | Шайба | |
| 13 | 520.07.003-08 | Шайба | |
| 14 | П1.11.02.192-сб | Рычаг | |
| 15 | П1.11.02.101 | Втулка | |
| 17 | П1.11.02.110-сб-1 | Рукоятка | |
| 18 | 176.63.003 | Рукоятка рычага | |
| 19 | ГОСТ 1476-93 | Винт М5-6gх8.2211.016 | |
| 20 | П1.11.06.024-01 | Ось | |
| 21 | П1.11.02.198-сб | Втулка | |
| 22 | ГОСТ 17473-80 | Винт М6-6gх20.46.016 | |
| 23 | ГОСТ 6402-70 | Шайба 6.65Г.016 | |
| 24 | ГОСТ 6958-78 | Шайба С8.01.016 | |
| 25 | П1.11.06.617-сб | Чехол | |
| 26 | П1.11.02.193сб-1 | Кожух | |
| 27 | ГОСТ 7798-70 | Болт М6-6gх12.46.016 | |
| 28 | П1.11.02.125-1 | Кожух | |
| 30 | П1.01.07.638 | Хвостовик | |
| 31 | П1.01.07.639 | Втулка | |
| 32 | ГОСТ 9650-80 | Ось 819.40.38ХС.2.35,5...45,5.Ц6Хр | |
| 33 | ГОСТ 11371-78 | Шайба С6.01.016 | |
| 34 | ГОСТ 397-79 | Шплинт 2х20х016 | |
| 35 | П1.01.07.616-сб | Рычаг | |
| 36 | П1.01.07.617-сб | Рычаг | |
| 37 | ГОСТ 9650-80 | Ось 819.40.38ХС.2.35,5...45,5.Ц6Хр | |
| 38 | Э4.04.07.031 | Пружина | |
| 39 | Э4.04.07.013-2 | Втулка | |
| 39 | ГОСТ 397-79 | Шплинт 2х20х016 | |
| 40 | П1.01.07.622-сб | Ось | |
| 42 | П1.01.07.010 | Рычаг | |
| 43 | ГОСТ 23360-78 | Шпонка 4х4х14 | |
| 44 | П1.11.02.199сб | Плита | |
| 45 | П1.01.07.623-сб | Рычаг | |
| 46 | П1.01.07.621-сб-1 | Ось | |
| 47 | П1.11.06.521 | Вилка | |
| 48 | П1.11.02.196-сб | Тяга | |
| 49 | 172.63.096 | Ось |
Содержащиеся в справочниках-каталогах запасные части и детали не предлагаются к продаже, а носят исключительно информационный характер