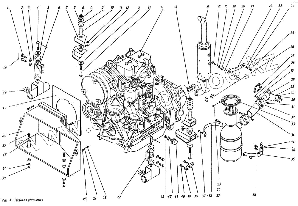
Каталог запасных частей к технике: УВЗ ПУМ-500. Силовая установка П1.01.05.000сб
1
2
3
3
4
5
5
5
6
7
8
9
10
11
12
13
14
14
15
16
17
18
18
18
19
20
21
22
23
23
23
23
24
24
24
24
24
24
25
25
25
26
27
28
29
30
30
30
31
32
33
34
35
36
37
37
38
39
40
41
42
43
44
45
46
47
48
49
| Позиция на иллюстрации | Заводской номер детали | Название детали | |
|---|---|---|---|
| 1 | ГОСТ 7796-70 | Болт М6-6gх16.46.016 | |
| 2 | 54.01.016 | Шайба | |
| 3 | П1.01.05.136 | Амортизатор | |
| 4 | ГОСТ 7798-70 | Болт М6-6gх12.46.016 | |
| 5 | П1.01.05.137 | Шайба | |
| 6 | ТУ 23.3.61-91 | Опора левая 25.00.102 | |
| 7 | П1.01.05.036-сб | Опора | |
| 8 | ГОСТ 5918-70 | Гайка М16х1,5-6Н.8.016 | |
| 9 | ГОСТ 397-79 | Шплинт 2х20х016 | |
| 10 | П1.01.05.121 | Втулка | |
| 11 | ГОСТ 6402-70 | Шайба 6.65Г.016 | |
| 12 | ГОСТ 5915-70 | Гайка М6-6Н.8.016 | |
| 13 | ГОСТ 7798-70 | Болт М6-6gх12.46.016 | |
| 14 | ТУ 23.3.61-91 | Опора левая 25.00.102 | |
| 14 | ТУ 23.3.61-91 | Опора левая 25.00.102 | |
| 15 | П1.01.05.008 | Прокладка | |
| 16 | П1.01.05.006-сб | Глушитель | |
| 17 | 520.01.003-07 | Болт | |
| 18 | ГОСТ 6402-70 | Шайба 6.65Г.016 | |
| 19 | ГОСТ11371-78 | Шайба С10.01.016 | |
| 20 | 434.17.017 | Втулка | |
| 21 | П1.01.05.096 | Втулка | |
| 22 | П1.01.05.176 | Планка | |
| 23 | ГОСТ 11371-78 | Шайба С6.01.016 | |
| 24 | ГОСТ 6402-70 | Шайба 6.65Г.016 | |
| 25 | ГОСТ 7796-70 | Болт М6-6gх16.46.016 | |
| 26 | 520.02.002-05 | Гайка | |
| 27 | П1.01.05.007 | Прокладка | |
| 28 | ГОСТ 5915-70 | Гайка М6-6Н.8.016 | |
| 29 | П1.01.05.910-сб | Патрубок | |
| 30 | 520.02.001 | Гайка | |
| 31 | ГОСТ 7796-70 | Болт М6-6gх16.46.016 | |
| 32 | П1.01.05.003 | Хомут | |
| 33 | П1.01.05.064-сб | Фланец | |
| 34 | П1.01.05.203 | Манжета | |
| 35 | П1.01.05.200-сб-1 | Кронштейн | |
| 36 | ГОСТ 7808-70 | Болт 3М10-6gх.66.016 | |
| 37 | ГОСТ 7796-70 | Болт М6-6gх16.46.016 | |
| 38 | П1.01.05.001-01 | Скоба | |
| 39 | П1.01.05.230 | Кронштейн | |
| 40 | ГОСТ 7796-70 | Болт М6-6gх16.46.016 | |
| 41 | ММ358 | Датчик давления масла ТУ37.003.387-78 | |
| 42 | П1.01.05.011 | Переходник | |
| 43 | МН4152-62 | Кольцо 12х18 | |
| 44 | ТУ 23.3.61-91 | Опора левая 25.00.102 | |
| 45 | ГОСТ 6958-78 | Шайба С8.01.016 | |
| 46 | П1.01.05.039-сб-1 | Кожух | |
| 47 | П1.01.05.143-1 | Лист | |
| 48 | П1.01.05.123 | Бонка | |
| 49 | ГОСТ 792-67 | Проволока КО-1,2 L=200 мм |
Содержащиеся в справочниках-каталогах запасные части и детали не предлагаются к продаже, а носят исключительно информационный характер