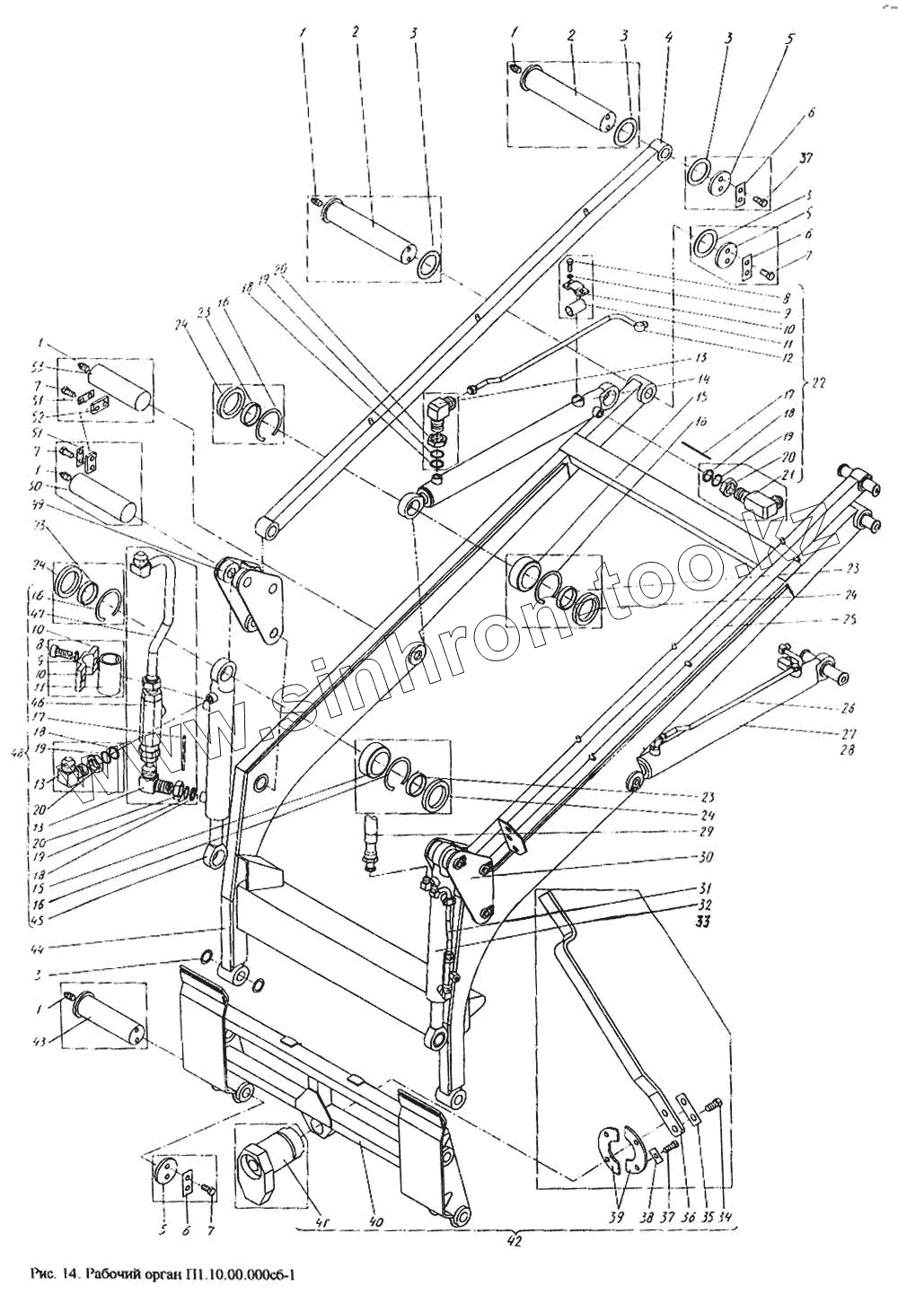
Каталог запасных частей к технике: УВЗ ПУМ-500. Рабочий орган П1.10.00.000сб-1
1
1
1
1
1
2
2
3
3
3
3
3
4
5
5
5
6
6
6
7
7
7
7
8
8
9
9
11
11
12
13
13
13
14
14
15
15
15
17
17
18
18
18
18
19
19
19
19
20
20
20
20
21
22
23
23
23
23
24
24
24
24
25
26
27
27
29
30
31
32
32
33
34
35
36
37
37
38
39
40
41
42
43
44
45
45
46
47
48
49
50
51
51
52
53
| Позиция на иллюстрации | Заводской номер детали | Название детали | |
|---|---|---|---|
| П1.11.00.603 | П1.11.00.603 | Кольцо | |
| П1.11.00.465-сб-01 | П1.11.00.465-сб-01 | Гидроцилиндр стрелы дооборудованный | |
| П1.11.00.643 (П1.11.00.643-1) | П1.11.00.643 (П1.11.00.643-1) | Прижим | |
| 1 | 1,2.Ц6 | Масленка ГОСТ 19853-74 | |
| 2 | П1.10.00.001-02 | Ось | |
| 3 | П1.10.00.005 | Шайба | |
| 4 | П1.10.03.030-сб | Тяга | |
| 5 | П1.10.00.003 | Диск | |
| 6 | П1.10.00.004 | Шайба | |
| 7 | ГОСТ 7796-70 | Болт М6-6gх16.46.016 | |
| 8 | ГОСТ 1491-80 | Винт М6-6gх16.46 | |
| 9 | ГОСТ 6402-70 | Шайба 6.65Г.016 | |
| 11 | 520.10.006-07 | Прокладка | |
| 12 | П1.11.00.464-сб | Трубопровод | |
| 13 | 608.29.190 | Угольник | |
| 14 | П1.11.00.469-сб-01 (1084.00.00.00) | Гидроцилиндр стрелы | |
| 14 | 1084.00.00.00 (П1.11.00.469-сб-01) | Гидроцилиндр стрелы 63х40х630 | |
| 15 | ШС-35 ГОСТ 3635-76 | Подшипник (ШСП35) | |
| 15 | ШСП35 | Подшипник (ШС35) | |
| 17 | ГОСТ 792-67 | Проволока КО-1,2 L=200 мм | |
| 18 | 520.15.004-08 | Кольцо уплотнительное | |
| 19 | 608.29.229 | Шайба защитная | |
| 20 | ГОСТ 13958-74 | Гайка М20х1,5-22 | |
| 21 | П1.11.00.724 | Угольник | |
| 22 | П1.11.00.465-сб | Гидроцилиндр стрелы дооборудованный | |
| 23 | П1.10.00.006-А | Втулка | |
| 24 | П1.10.00.010 | Сальник | |
| 25 | П1.10.03.030-сб-01 | Тяга | |
| 26 | П1.11.00.464-сб-01 | Трубопровод | |
| 27 | П1.11.00.469-сб (1084.00.00.00-01) | Гидроцилиндр стрелы | |
| 27 | 1084.00.00.00-01 (П1.11.00.469-сб) | Гидроцилиндр стрелы 63х40х630 | |
| 29 | П1.10.05.000сб-2 | Гидросистема рабочего органа | |
| 30 | П1.10.04.000-сб-01 | Рычаг | |
| 31 | П1.11.00.454-сб-01 | Трубопровод | |
| 32 | П1.11.00.450-сб-01 (1083.00.00.00-01) | Гидроцилиндр траверсы | |
| 32 | 1083.00.00.00-01 (П1.11.00.450-сб-01) | Гидроцилиндр траверсы 650х40х360 | |
| 33 | П1.11.00.455-сб-01 | Гцдроцилиндр траверсы дооборудованный | |
| 34 | ГОСТ 7796-70 | Болт М6-6gх16.46.016 | |
| 35 | П1.10.02.003 | Планка | |
| 36 | П1.10.02.001 | Ручка | |
| 37 | ГОСТ 7796-70 | Болт М6-6gх16.46.016 | |
| 38 | П1.10.02.004 | Шайба | |
| 39 | П1.10.02.002 | Полукольцо | |
| 40 | П1.10.02.100-сб | Рама | |
| 41 | П1.10.02.200сб | Защелка | |
| 42 | П1.10.02.000-сб | Траверса | |
| 43 | П1.10.00.001 | Ось | |
| 44 | П1.10.01.000сб-3А | Стрела | |
| 45 | П1.11.00.450-сб (1083.00.00.00) | Гидроцилиндр траверсы | |
| 45 | 1083.00.00.00 (П1.11.00.450-сб) | Гидроцилиндр траверсы 630х40х360 | |
| 46 | П1.12.00.550-сб-2 | Дроссель | |
| 47 | П1.11.00.454-сб | Трубопровод | |
| 48 | П1.11.00.455-сб | Гидроцилиндр траверсы дооборудованный | |
| 49 | П1.10.04.000-сб | Рычаг | |
| 50 | П1.10.00.002 | Ось | |
| 51 | П1.10.00.008 | Шайба | |
| 52 | П1.10.00.007 | Планка | |
| 53 | П1.10.00.011 | Ось | |
| 54 | П1.10.01.039 | Амортизатор | |
| 55 | ГОСТ 7798-70 | Болт М6-6gх12.46.016 | |
| 56 | ГОСТ 6958-70 | Шайба С6.01.016 | |
| 57 | ГОСТ 5915-70 | Гайка М6-6Н.8.016 |
Содержащиеся в справочниках-каталогах запасные части и детали не предлагаются к продаже, а носят исключительно информационный характер