Вернуться на главную
Поиск
Каталоги запчастей к технике
Спецтехника
УВЗ
ПУМ-500
Подсоединение масляного радиатора
Каталог запасных частей к технике: УВЗ ПУМ-500. Подсоединение масляного радиатора
zoom-in
zoom-out
enlarge
shrink
circle-right
circle-left
file-text2
info
cart
Тип техники
Не выбрано
Легковые автомобили
Грузовые автомобили и прицепы
Автобусы
Сельхозтехника
Спецтехника
Двигатели
Мототехника
Марка
Не выбрано
Ammann
BOMAG
CARMIX
CASE IH
Changlin
ChengGong
Dimex
Doosan
DYNAPAC
Foton
HAMM
Hidromek
Hitachi
Hyundai
JCB
JLG
John Deere
Komatsu
LIEBHERR
LiuGong
Lonking (LongGong)
Luneng
MANITOU
Mitsuber
New Holland
PENGPU
RM-Terex
SANY
SDLG
SEM
Shantui
Shehwa HBXG
Soosan
TIGARBO
VOGELE
Volvo
WAY
WIRTGEN
XCMG
XGMA
Xiamen
YTO
Yuchai
Zoomlion
Автокран
АЗСМ
Алтайлесмаш
Амкодор
АОМЗ
Атек
АТЗ
Балканкар Рекорд
БелАЗ
Беловеж
Борекс
Брянский Арсенал
Булат
ВЭКС
ГАЗ
Геомаш
Гидромаш
Донекс
Дормаш
Дормашина
Дорэлектромаш
ДЭЗ
ЕлАЗ
ЗЗГТ
Ижнефтемаш
Канаш-электрокар
КЗКТ
ККЗ
Клевер
Клинцовский автокрановый завод
КМЗ
КМЗ 1 Мая
Ковровец
Коммаш
Кранэкс
КЭЗ
КЭМЗ
ЛЗА
МАЗ
МЗИК
МЗКМ
МЗКТ
Михневский РМЗ
МоАЗ
Мозырский МЗ
МТЗ
ОЗП
Онежец
ПАО "ТЗА"
ППС Детва
Промтрактор
ПТЗ
Раскат
СпецАгрегат
ТВЭКС
ТТМ
УВЗ
Угличмаш
УЗТМ
ХТЗ
ЧЗКМ
ЧСДМ
ЧТЗ
ЭКСКО
ЭКСМАШ
ЮрМаш
Модель
Не выбрано
ПУМ-500
ЭО-5126
Схема
>
Не выбрано
Кабина П1.1Зсб-2
Дверь задняя П1.15.00.100сб-2
Отопитель кабины П1.18сб1
Силовая установка П1.01.05.000сб
Привод управления редуктором насосов ПУМ-500.01.07сб-1
Привод управления декомпрессором ПУМ-500.01.07сб-3
Привод к топливному насосу П1.01.07.627сб-01
Радиатор масляный П1.11.08сб-2
Топливная система П1.01.06.000сб
Кран Э4.11.21.011сб-А
Редуктор насосов и сцепление ПУМ-500.01.05-1сб
Редукторы П1.01.03.000сб-3 (01)
Шасси П1.01.00.000сб
Установка правой колонки управления П1.11.02.200сб
Муфта быстроразъемная П1.11.03.007сб
Установка левой колонки управления П1.11.06.001сб-1
Управление одной секцией распределителя Р50 и установка фиксатора
Тормоз П1.01.03.031сб (01)
Привод стояночного тормоза П1.01.08.300сб-1
Электрооборудование кабины П1.13.07сб
Электрооборудование шасси П1.01.13сб
Дроссель П1.12.00.550сб-2
Клапан негативного контроля П1.11.00.020сб
Гидрораспределитель П1.11-00.416сб
Гидрораспределитель П1.11-00.060сб-1
Подсоединение к гидрораспределителю П1.11.00.060сб-1
Гидропанель П1.11.00.032сб
Подсоединение к гидропанели П1.11.00.032сб
Подсоединение к левому гидромотору
Подсоединение к правому гидромотору
Подсоединение к фильтру 1.1.32-25-И
Подсоединение к насосу 313.56
Подсоединение к насосу 210.16.12.001Г
Подсоединение к гидробаку
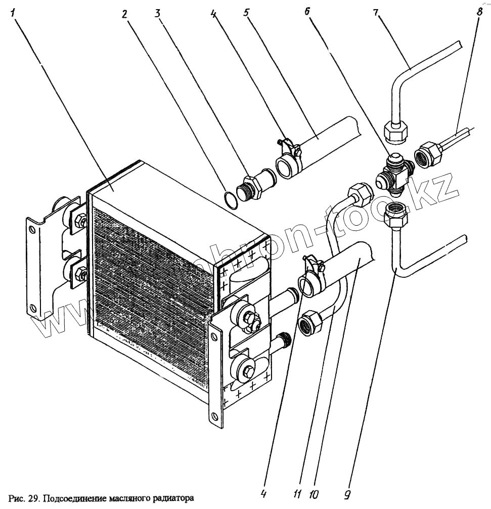
Подсоединение масляного радиатора
Гидросистема рабочих органов П1.12.00.000сб
Гидроцилиндр траверсы П1.11.00.450сб
Гидроцилиндр стрелы П1.11.00.469сб
Гидросистема стрелы П1.10.05сб-1
Гидроклапан напорный П1.11.00.415сб
Блок клапанов П1.11.03.004сб
Блок клапанов П1.11.03.005сб
Рабочий орган П1.10.00.000сб-1
Ковш П1.02.00.100сб
Гусеница П1.01.00.180сб-1
Ковш погрузочный с зубьями П1.03.00.000сб
Гидробур П1.31.00.000сб
Вращатель П1.31.06.000сб
Вилы навесные П1.33сб
Захват вилочный П1.35сб
Гидроцилиндр захвата
Снегоочиститель роторный П1.39.02сб
Бетоносмеситель П1.50.02сб
Щетка уборочная П1.51сб
Щетка дорожная П1.53сб
Агрегат заправочный П1.90сб
Погрузчик универсальный малогабаритный П1.00.00.000сб-4
1
2
3
4
4
5
5
6
7
8
9
10
11
Позиция на иллюстрации
Заводской номер детали
Название детали
1
П1.11.08.001-сб-1
Радиатор масляный
2
520.15.004-09
Кольцо уплотнительное
3
П1.11.00.282
Штуцер
4
П1.11.00.360-сб
Хомут в сборе
5
ТУ 005-6016-87 (ГОСТ 18698-79)
Рукав 40У25-7 L=1380 мм
5
ГОСТ 18698-79 ( ТУ 005-6016-87)
Рукав Б1-10-25-36-V L=1240 мм
6
632.29.208
Крестовина
7
П1.12.00.490-сб-1
Трубопровод
8
П1.11.00.041-сб
Трубопровод
9
П1.11.00.042-сб
Трубопровод
10
ГОСТ 18698-79 ( ТУ 005-6016-87)
Рукав Б1-10-25-36-V L=1240 мм
11
П1.11.00.045-сб-1
Трубопровод
Содержащиеся в справочниках-каталогах запасные части и детали не предлагаются к продаже, а носят исключительно информационный характер
Дополнительная информация
×
Название:
Номер:
Примечание: