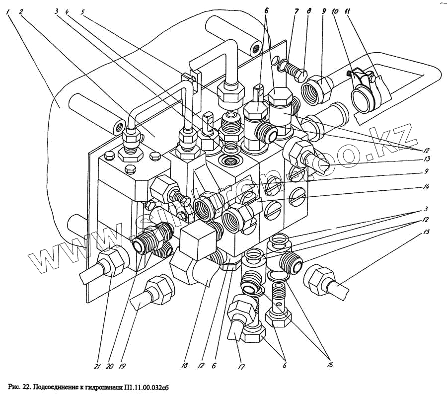
Каталог запасных частей к технике: УВЗ ПУМ-500. Подсоединение к гидропанели П1.11.00.032сб
1
2
3
3
4
5
6
6
6
7
8
9
9
10
11
11
12
12
12
13
14
15
16
17
18
19
20
21
| Позиция на иллюстрации | Заводской номер детали | Название детали | |
|---|---|---|---|
| 1 | П1.01.03.000-сб | Редуктор | |
| 2 | П1.11.00.032-сб | Гидропанель | |
| 3 | 520.15.004-06 | Кольцо уплотнительное | |
| 4 | П1.12.00.001 | Штуцер | |
| 5 | П1.12.00.450-сб-2 | Трубопровод | |
| 6 | П1.12.00.003 | Болт | |
| 7 | ГОСТ 6402-70 | Шайба 6.65Г.016 | |
| 8 | ГОСТ 7796-70 | Болт М6-6gх16.46.016 | |
| 9 | П1.12.00.390-сб-3 | Трубопровод | |
| 10 | П1.11.00.360-сб (54.02.115-сб) | Хомут в сборе | |
| 11 | ГОСТ 18698-79 | Рукав Б1-10-25-36-У L= 210мм (Рукав 40У25-7 L=210мм) | |
| 11 | ТУ 005-6016-87 | Рукав 40У25-7 L=210мм (Рукав Б1-10-25-36-У L= 210мм) | |
| 12 | П1.12.00.500-сб | Угольник | |
| 13 | П1.12.00.190-сб-1 | Трубопровод | |
| 14 | П1.11.00.041-сб | Трубопровод | |
| 15 | П1.12.00.400-сб-2 | Трубопровод | |
| 16 | 520.06.002-06 | Прокладка уплотнительная | |
| 17 | П1.12.00.430-сб-2 | Трубопровод | |
| 18 | П1.11.00.470сб (П1.11.00.471сб) | Рукав | |
| 19 | П1.12.00.460-сб-2 | Трубопровод | |
| 20 | 632.29.044 | Переходник | |
| 21 | П1.12.00.440-сб-2 | Трубопровод |
Содержащиеся в справочниках-каталогах запасные части и детали не предлагаются к продаже, а носят исключительно информационный характер