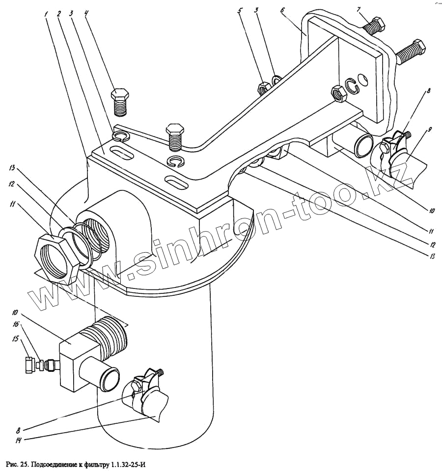
Каталог запасных частей к технике: УВЗ ПУМ-500. Подсоединение к фильтру 1.1.32-25-И
1
2
3
3
4
5
6
7
8
8
9
10
10
11
11
12
12
13
13
14
15
16
| Позиция на иллюстрации | Заводской номер детали | Название детали | |
|---|---|---|---|
| ТУ 005-6016-87 | ТУ 005-6016-87 | Рукав 40У25-7 L=210мм (Рукав Б1-10-25-36-У L= 210мм) | |
| 1 | 1.1.32-25-И | Фильтр линейный ОСТ 22-883-75 | |
| 2 | П1.11.00.830-сб-1 | Кронштейн | |
| 3 | ГОСТ 6402-70 | Шайба 6.65Г.016 | |
| 4 | ГОСТ 7796-70 | Болт М6-6gх16.46.016 | |
| 5 | ГОСТ 5915-70 | Гайка М6-6Н.8.016 | |
| 6 | П1.01.01.000-сб-3 | Рама | |
| 7 | ГОСТ 7796-70 | Болт М6-6gх16.46.016 | |
| 8 | П1.11.00.360-сб (54.02.115-сб) | Хомут в сборе | |
| 9 | ГОСТ 18698-79 | Рукав Б1-10-25-36-У L= 210мм (Рукав 40У25-7 L=210мм) | |
| 10 | П1.11.00.047сб | Угольник | |
| 11 | П1.11.00.104-01 | Гайка | |
| 12 | П1.11.00.105-01 | Шайба | |
| 13 | ГОСТ 18829-73 | Кольцо 022-028-36-2-3 | |
| 14 | ТУ 005-6016-87 | Рукав 40У25-7 L=210мм (Рукав Б1-10-25-36-У L= 210мм) | |
| 15 | 602.64.238 | Гайка накидная | |
| 16 | 602.64.296 | Крышка |
Содержащиеся в справочниках-каталогах запасные части и детали не предлагаются к продаже, а носят исключительно информационный характер