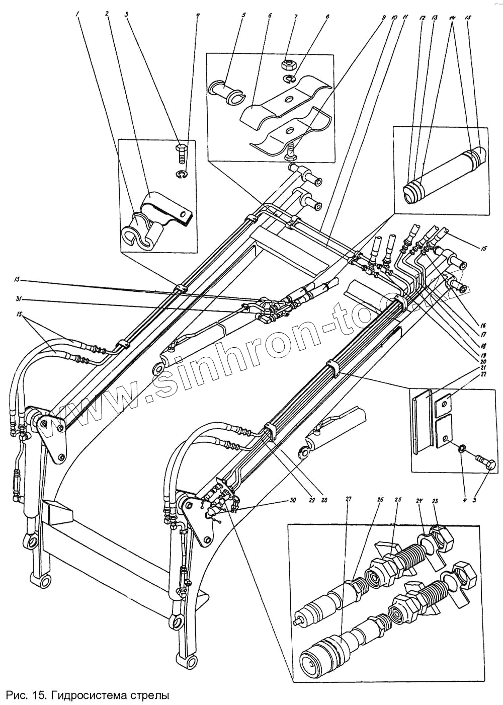
Каталог запасных частей к технике: УВЗ ПУМ-500. Гидросистема стрелы П1.10.05сб-1
1
2
3
3
4
4
5
6
7
8
9
10
11
12
13
13
15
15
15
16
17
18
19
20
21
22
23
24
25
26
27
28
29
30
31
| Позиция на иллюстрации | Заводской номер детали | Название детали | |
|---|---|---|---|
| П1.10.05.000сб-2 | П1.10.05.000сб-2 | Гидросистема рабочего органа | |
| 1 | 520.10.003-10 | Прокладка 17х100 | |
| 2 | 602.81.082 | Скоба | |
| 3 | ГОСТ 7798-70 | Болт М6-6gх12.46.016 | |
| 4 | ОСТ3-408-70 | Хомут 25-29-1 | |
| 4 | ГОСТ 6402-70 | Шайба 6.65Г.016 | |
| 5 | 520.10.003-04 | Прокладка | |
| 6 | П1.10.05.002 | Скоба | |
| 7 | ГОСТ 2524-70 | Гайка М8-7Н.8.40.016 | |
| 8 | ГОСТ 6402-70 | Шайба 6.65Г.016 | |
| 9 | ГОСТ 7796-70 | Болт М6-6gх16.46.016 | |
| 10 | П1.10.05.030-сб-1 | Трубопровод | |
| 11 | П1.10.05.040-сб-1 | Трубопровод | |
| 12 | П1.11.00.062 | Прокладка 120+/-5х125+/-5 | |
| 13 | П1.11.00.063 | Прокладка | |
| 15 | ТУ3148-001-20871731-94 | Рукав РВД12.90.780.0,13.21/21М22х1,5,М22х1,5-VI | |
| 16 | 632.29.044 | Переходник | |
| 17 | П1.10.05.090-сб-1-А | Трубопровод | |
| 18 | П1.10.05.080-сб-1 | Трубопровод | |
| 19 | П1.10.05.120-сб-1 | Трубопровод | |
| 20 | 632.29.032 | Тройник | |
| 21 | 520.10.004-16 | Прокладка 21х200 | |
| 22 | П1.10.05.004 | Планка | |
| 23 | ГОСТ 5916-70 | Гайка М30х2-6Н.05.38ХС.016 | |
| 24 | 520.07.006-08 | Шайба | |
| 25 | П1.10.05.002-сб | Переходник | |
| 26 | П1.11.03.010-сб-1 | Полумуфта | |
| 27 | П1.11.03.011-сб-1 | Полумуфта | |
| 28 | П1.10.05.010-сб-1 | Трубопровод | |
| 29 | П1.10.05.020-сб-1 | Трубопровод | |
| 30 | П1.10.05.003-сб | Колпачки | |
| 31 | П1.12.00.550-сб-2 | Дроссель |
Содержащиеся в справочниках-каталогах запасные части и детали не предлагаются к продаже, а носят исключительно информационный характер