Каталог запасных частей к технике: УВЗ ПУМ-500. Электрооборудование шасси П1.01.13сб
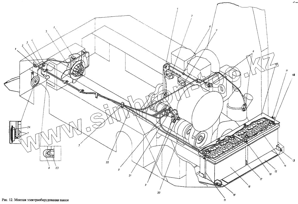
1
2
3
3
4
4
5
6
7
7
7
8
9
9
9
9
10
11
11
12
13
14
15
16
17
18
19
20
21
22
23
24
| Позиция на иллюстрации | Заводской номер детали | Название детали | |
|---|---|---|---|
| 1 | 632.14.150 | Амортизатор | |
| 2 | П1.01.13.040-сб | Жгут №4 | |
| 3 | 520.09.002-02 | Скоба 12х24 | |
| 4 | 520.09.001-04 | Скоба 8х7 | |
| 5 | 70.3730 | Электродвигатель ТУ 37.459.127-91 | |
| 6 | 520.09.001-05 | Скоба 8х9 | |
| 7 | 54.26.390-2 | Наконечник резиновый | |
| 8 | 54.59.107-1 | Хомут | |
| 9 | 54.26.084-1 | Наконечник резиновый | |
| 10 | П1.01.13.132-сб | Лист | |
| 11 | П1.01.13.130-сб | Шпилька | |
| 12 | 520.02.001 | Гайка | |
| 13 | П1.01.13.135-сб | Упор правый | |
| 14 | П1.01.13.131-сб | Рамка | |
| 15 | П1.01.13.135 | Коврик | |
| 16 | 520.09.001-06 | Скоба 10х7 | |
| 17 | П1.01.13.011-01 | Прокладка | |
| 18 | ТУ16.563.041-86 | Батарея аккумуляторная 6СТ-75 | |
| 19 | П1.01.13.136-сб | Упор левый | |
| 20 | П1.01.13.020сб-1 | Спецификация проводов шасси | |
| 21 | 54.26.562 | Наконечник | |
| 22 | П1.01.13.050-сб | Жгут №5 | |
| 23 | ТУ37.003.800-77 | Датчик ТМ100-В | |
| 24 | ТУ37.003.1388-89 | Сигнал звуковой 20.3721-01 |
Содержащиеся в справочниках-каталогах запасные части и детали не предлагаются к продаже, а носят исключительно информационный характер