Каталог запасных частей к технике: УВЗ ЭО-5126. Установка насосов
1
2
3
4
5
5
6
7
7
8
8
8
9
9
10
11
12
13
13
14
14
15
15
16
16
17
18
22
23
24
25
26
27
28
29
30
31
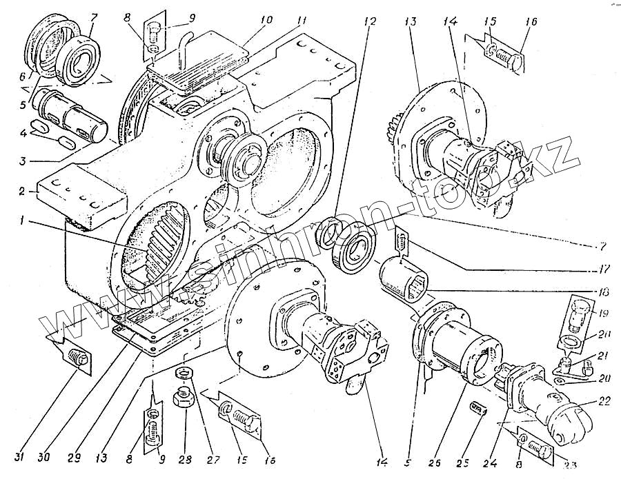
| Позиция на иллюстрации | Заводской номер детали | Название детали | |
|---|---|---|---|
| ЭО-5221.11.08.000сб | ЭО-5221.11.08.000сб | Установка насосов | |
| 1 | ЭО-5122.11.08.004-2 | Колесо | |
| 2 | ЭО-5221.11.08.001 | Корпус редуктора | |
| 3 | ЭО-5124.11.09.001 | Вал | |
| 4 | 23360.20.12.56 | Шпонка 20х12х56 | |
| 5 | СТП 22003-071-80 | Прокладка 1-150х1 | |
| 6 | СТП 22003-63-80 | Крышка 150 | |
| 7 | Подшипник 314 [ГОСТ 8338-75] | Подшипник 314 [ГОСТ 8338-75] | |
| 8 | Шайба 10.65Г.019 [ГОСТ 6402-70] | Шайба 10.65Г.019 [ГОСТ 6402-70] | |
| 9 | Болт М10-8gх25.48 [ГОСТ 7798-70] | Болт М10-8gх25.48 [ГОСТ 7798-70] | |
| 10 | ЭО-5122.11.08.800сб | Крышка верхняя | |
| 11 | ЭО-5122.11.08.007-1 | Прокладка | |
| 12 | ЭО-5122.11.08.006 | Кольцо распорное | |
| 13 | Кольцо 310-320-58-2-3 [ГОСТ 9833-73] | Кольцо 310-320-58-2-3 [ГОСТ 9833-73] | |
| 14 | 313.3.112.507.3 | Насос в сборе | |
| 15 | Шайба 12.65Г.019 [ГОСТ 6402-70] | Шайба 12.65Г.019 [ГОСТ 6402-70] | |
| 16 | Болт М12-8gх40.48 [ГОСТ 7798-70] | Болт М12-8gх40.48 [ГОСТ 7798-70] | |
| 17 | Винт М10-6gх20.22Н [ГОСТ 1476-84] | Винт М10-6gх20.22Н [ГОСТ 1476-84] | |
| 18 | ЭО-5124.11.09.002 | Полумуфта | |
| 22 | ЭО-5124.11.09.300сб | Насос | |
| 23 | Болт М10-8gх30.48 [ГОСТ 7798-70] | Болт М10-8gх30.48 [ГОСТ 7798-70] | |
| 24 | ЭО-5124.11.09.003 | Прокладка | |
| 25 | ЭО-5124.11.09.004 | Палец | |
| 26 | ЭО-5124.11.09.400сб | Стакан | |
| 27 | СТП 22003-088-82 | Прокладка 30 | |
| 28 | Э4.29.02.009 | Пробка | |
| 29 | ЭО-5122.11.08.700-1сб | Крышка нижняя | |
| 30 | 520.06.002-02 | Прокладка | |
| 31 | ЭО-5221.11.08.002 | Пробка контрольная |
Содержащиеся в справочниках-каталогах запасные части и детали не предлагаются к продаже, а носят исключительно информационный характер