Каталог запасных частей к технике: УВЗ ЭО-5126. Трубопроводы всасывания
1
1
2
2
3
3
3
3
4
4
4
5
5
6
6
7
8
9
10
11
11
12
13
14
15
15
16
16
17
17
18
19
20
20
21
21
22
23
24
25
26
27
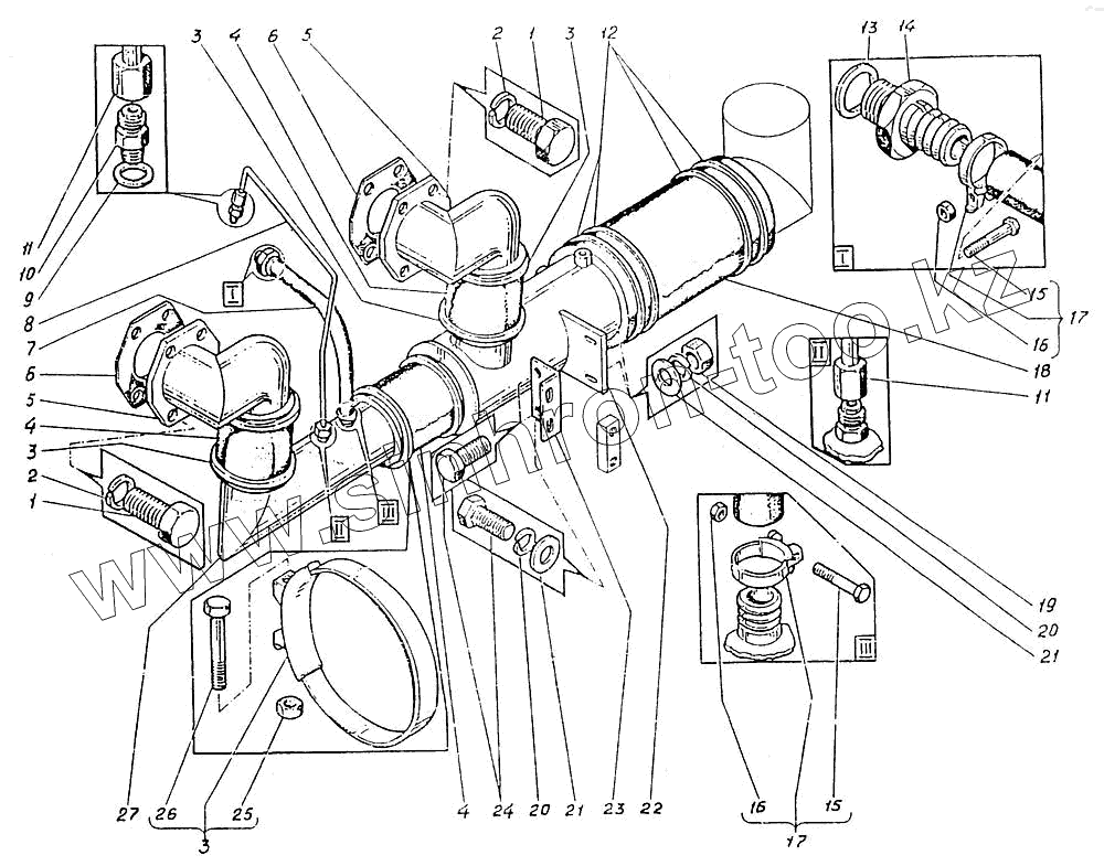
| Позиция на иллюстрации | Заводской номер детали | Название детали | |
|---|---|---|---|
| Э4.11.01.000сб-2 | Э4.11.01.000сб-2 | Трубопроводы всасывания | |
| 1 | Болт М16-8gх35.58 [ГОСТ 7798-70] | Болт М16-8gх35.58 [ГОСТ 7798-70] | |
| 2 | Шайба 16.65Г.05 [ГОСТ 6402-70] | Шайба 16.65Г.05 [ГОСТ 6402-70] | |
| 3 | Э4.11.01.100сб-01 | Хомут | |
| 4 | ЭО-6121.07.08.004 | Патрубок | |
| 5 | Э4.11.01.105сб | Трубопровод | |
| 6 | ЭО-5122.11.00.003 | Прокладка (паронит) | |
| 7 | ЭО-5221.11.01.003 | Рукав 25х34-16 L=310 | |
| 8 | Э4.05.23.021сб | Рукав | |
| 9 | СТП 22003-088-82 | Прокладка 30 | |
| 10 | ЭО-5221.11.01.001 | Штуцер | |
| 11 | 109-5-6 | Гайка соединительная | |
| 12 | Э4.11.01.100сб-02 | Хомут 165-Ц9Хр | |
| 13 | СТП 22003-088-82 | Прокладка 30 | |
| 14 | Э4.05.25.092 | Штуцер | |
| 15 | Болт М6-8gх40.58 [ГОСТ 7798-70] | Болт М6-8gх40.58 [ГОСТ 7798-70] | |
| 16 | Гайка М6-7Н.6.019 [ГОСТ 5915-70] | Гайка М6-7Н.6.019 [ГОСТ 5915-70] | |
| 17 | П1.11.00.360-сб | Хомут в сборе | |
| 18 | ЭО-5122.11.00.005 | Патрубок | |
| 19 | Гайка М12.6Н.6.019 [ГОСТ 5915-70] | Гайка М12.6Н.6.019 [ГОСТ 5915-70] | |
| 20 | Шайба 12.65Г.05 [ГОСТ 6402-70] | Шайба 12.65Г.05 [ГОСТ 6402-70] | |
| 21 | Шайба 12.02 [ГОСТ 11371-78] | Шайба 12.02 [ГОСТ 11371-78] | |
| 22 | Э4.11.01.103сб | Трубопровод | |
| 23 | ЭО-5126.11.01.001 | Кронштейн | |
| 24 | Болт М12-8gх30.58 [ГОСТ 7798-70] | Болт М12-8gх30.58 [ГОСТ 7798-70] | |
| 25 | Гайка М8.7Н.6.019 [ГОСТ 5915-70] | Гайка М8.7Н.6.019 [ГОСТ 5915-70] | |
| 26 | Болт М8-8gх60.58 [ГОСТ 7798-70] | Болт М8-8gх60.58 [ГОСТ 7798-70] | |
| 27 | Э4.11.01.104сб | Трубопровод |
Содержащиеся в справочниках-каталогах запасные части и детали не предлагаются к продаже, а носят исключительно информационный характер