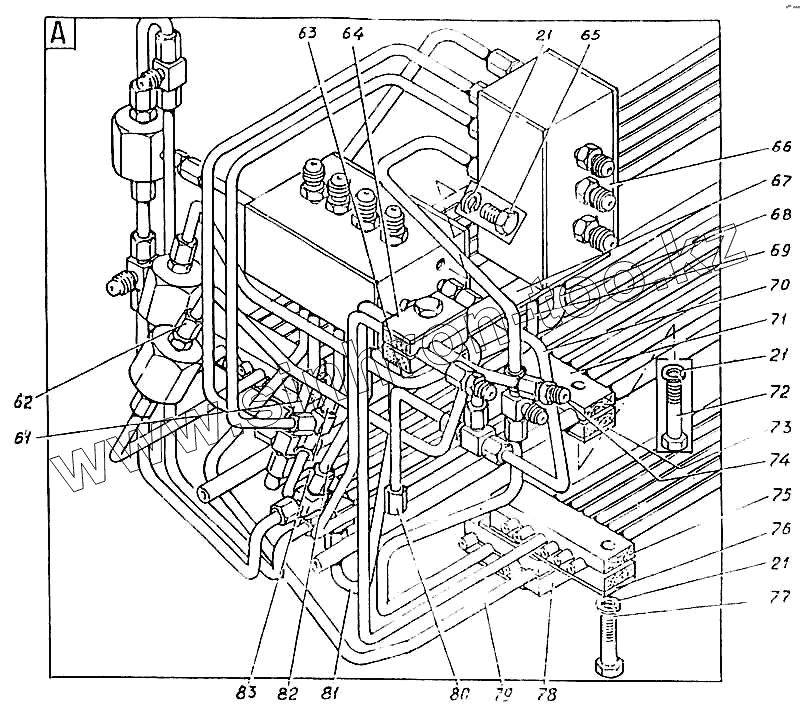
Каталог запасных частей к технике: УВЗ ЭО-5126. Трубопроводы управления
21
21
21
61
62
63
64
65
66
67
68
69
70
71
72
73
74
75
76
77
78
80
81
82
83
| Позиция на иллюстрации | Заводской номер детали | Название детали | |
|---|---|---|---|
| 21 | Шайба 10.65Г.016 [ГОСТ 6402-70] | Шайба 10.65Г.016 [ГОСТ 6402-70] | |
| 61 | Э4.04.17.039сб | Трубопровод | |
| 62 | Э4.04.17.038сб | Трубопровод | |
| 63 | Э4.04.17.001 | Колодка | |
| 64 | Э4.04.17.002 | Накладка | |
| 65 | Болт М10-6qх20.46.016 [ГОСТ 7798-70] | Болт М10-6qх20.46.016 [ГОСТ 7798-70] | |
| 66 | ЭО-5122А.04.28.000-1сб | Блок золотников | |
| 67 | ЭО-5221.04.17.001 | Планка | |
| 68 | Э4.04.17.033сб | Трубопровод | |
| 69 | Э4.04.17.032сб | Трубопровод | |
| 70 | Э4.04.17.034сб | Трубопровод | |
| 71 | ЭО-5122.04.17.001 | Колодка | |
| 72 | Болт М10-8qх50.46.016 [ГОСТ 7798-70] | Болт М10-8qх50.46.016 [ГОСТ 7798-70] | |
| 73 | ЭО-5122.04.17.002 | Накладка | |
| 74 | ЭО-5221.01.16.004 | Проходник | |
| 75 | ЭО-5122.05.25.021 | Колодка | |
| 76 | ЭО-5122.05.25.022 | Накладка | |
| 77 | Болт М10-8qх45.016 [ГОСТ 7798-70] | Болт М10-8qх45.016 [ГОСТ 7798-70] | |
| 78 | ЭО-5122.04.11.004 | Колодка | |
| 80 | Э4.04.17.037сб | Трубопровод | |
| 81 | Э4.04.17.036сб-1 | Трубопровод | |
| 82 | Э4.04.17.041сб-1 | Трубопровод | |
| 83 | Э4.04.17.039сб | Трубопровод |
Содержащиеся в справочниках-каталогах запасные части и детали не предлагаются к продаже, а носят исключительно информационный характер