Каталог запасных частей к технике: УВЗ ЭО-5126. Тележка гусеничная
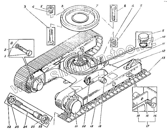
1
2
3
4
4
5
5
6
7
8
9
10
11
12
13
16
18
19
20
21
22
22
23
23
24
| Позиция на иллюстрации | Заводской номер детали | Название детали | |
|---|---|---|---|
| Э4.01.00.001сб | Э4.01.00.001сб | Тележка гусеничная | |
| 1 | Э4.01.02.001 | Болт | |
| 2 | Э4.01.00.006 | Шайба | |
| 3 | Болт М24х2-8gх145.88.38ХС.016 [ГОСТ 7798-70] | Болт М24х2-8gх145.88.38ХС.016 [ГОСТ 7798-70] | |
| 4 | Шайба 24.65Г.016 [ГОСТ 6402-70] | Шайба 24.65Г.016 [ГОСТ 6402-70] | |
| 5 | ЭО-5126.01.00.002 | Гайка М24х2-6Н | |
| 6 | Э4.03.02.001сб | Опора поворотная | |
| 7 | Э4.01.00.001 | Манжета | |
| 8 | Болт М24х2-8gх155.88.38ХС.016 [ГОСТ 7798-70] | Болт М24х2-8gх155.88.38ХС.016 [ГОСТ 7798-70] | |
| 9 | ЭО-5126.01.00.004 | Пробка | |
| 10 | Кольцо 024-030-36-2-3 [ГОСТ 18829-73] | Кольцо 024-030-36-2-3 [ГОСТ 18829-73] | |
| 11 | ЭО-5126.01.01.000сб | Рама хода | |
| 12 | ЭО-5126.01.10.000сб | Колесо натяжное с механизмом сдавания | |
| 13 | ЭО-5126.01.05.000сб | Гусеница | |
| 16 | Э4.01.00.005 | Подножка | |
| 18 | ЭО-5126.01.14.000сб | Каток поддерживающий | |
| 19 | ЭО-5124.01.23.000-1сб | Каток опорный | |
| 20 | ЭО-5126.01.16.000сб | Трубопроводы гусеничной тележки | |
| 21 | Э4.01.17.100сб | Редуктор | |
| 22 | У2110.02.00.006 | Кольцо | |
| 23 | У2110.01.02.003 | Шайба замыкающая | |
| 24 | У2110.02.00.004 | Палец замыкающий | |
| 25 | 520.15.004-11 | Кольцо уплотнительное | |
| 26 | Э4.01.00.002 | Кольцо (шнур капроновый) | |
| 26 | Э4.01.00.003 | Кольцо (шнур капроновый) |
Содержащиеся в справочниках-каталогах запасные части и детали не предлагаются к продаже, а носят исключительно информационный характер