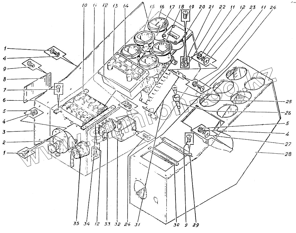
Каталог запасных частей к технике: УВЗ ЭО-5126. Щиток управления
1
1
2
3
4
4
4
5
5
6
7
8
9
9
10
11
11
11
12
12
12
13
14
15
16
17
18
19
20
21
22
23
24
24
25
26
27
28
29
30
31
32
33
34
35
| Позиция на иллюстрации | Заводской номер детали | Название детали | |
|---|---|---|---|
| Э4.12.22.000сб | Э4.12.22.000сб | Щиток управления | |
| 1 | Винт М6-4gх6.109.05 [ГОСТ 17473-72] | Винт М6-4gх6.109.05 [ГОСТ 17473-72] | |
| 2 | ВК318Б | Выключатель | |
| 3 | ЭО-5124.12.22.001 | Крышка | |
| 4 | Шайба 6.65Г.05 [ГОСТ 6402-70] | Шайба 6.65Г.05 [ГОСТ 6402-70] | |
| 5 | Гайка М6-6gх8.30.58 [ГОСТ 5915-70] | Гайка М6-6gх8.30.58 [ГОСТ 5915-70] | |
| 6 | ЭО-5124.12.22.002 | Платик | |
| 7 | Винт М5-4gх6.109.05 [ГОСТ 17475-72] | Винт М5-4gх6.109.05 [ГОСТ 17475-72] | |
| 8 | 236Э-3909045-6 | Табличка | |
| 9 | Винт М3-4gх6.109.05 [ГОСТ 17473-72] | Винт М3-4gх6.109.05 [ГОСТ 17473-72] | |
| 10 | 53.3710 | Блок клавишных выключателей | |
| 11 | Гайка М5-6gх8.30.58 [ГОСТ 5916-70] | Гайка М5-6gх8.30.58 [ГОСТ 5916-70] | |
| 12 | Шайба 5.65Г.05 [ГОСТ 6402-70] | Шайба 5.65Г.05 [ГОСТ 6402-70] | |
| 13 | Блок сигнализации | Блок сигнализации | |
| 14 | УК.171 | Указатель температуры | |
| 15 | УБ.170 | Указатель уровня топлива | |
| 16 | АП.170 | Указатель тока | |
| 17 | 2802.3710.01 | Выключатель | |
| 18 | УК.170 | Указатель давления | |
| 19 | Винт М4-4gх6.109.05 [ГОСТ 17473-72] | Винт М4-4gх6.109.05 [ГОСТ 17473-72] | |
| 20 | СВН.2.02 | Счетчик времени наработки | |
| 21 | Шайба 4.01.014 [ГОСТ 6402-70] | Шайба 4.01.014 [ГОСТ 6402-70] | |
| 22 | Гайка М4-6gх8.30.58 [ГОСТ 5916-70] | Гайка М4-6gх8.30.58 [ГОСТ 5916-70] | |
| 23 | Шайба 5.01.016 [ГОСТ 11371-72] | Шайба 5.01.016 [ГОСТ 11371-72] | |
| 24 | Винт М5-4gх6.109.05 [ГОСТ 17473-72] | Винт М5-4gх6.109.05 [ГОСТ 17473-72] | |
| 25 | А24.2 | Лампа | |
| 26 | АВ211.329 | Патрон лампы | |
| 27 | Шайба 6.01.016 [ГОСТ 11371-70] | Шайба 6.01.016 [ГОСТ 11371-70] | |
| 28 | ЭО-5124.12.22.100 | Каркас | |
| 29 | ЭО-5124.12.22.004 | Табличка | |
| 30 | ЭО-5124.12.22.005 | Табличка | |
| 31 | НБ40112 | Блок клеммный | |
| 32 | ПР11К | Блок предохранительный | |
| 33 | НБ40103 | Блок клеммный | |
| 34 | Винт М5-4gх6.109.05 [ГОСТ 17473-72] | Винт М5-4gх6.109.05 [ГОСТ 17473-72] | |
| 35 | ВК317.А2 | Выключатель |
Содержащиеся в справочниках-каталогах запасные части и детали не предлагаются к продаже, а носят исключительно информационный характер